16.02.2019, 10:21
(Dieser Beitrag wurde zuletzt bearbeitet: 16.02.2019 10:22 von gottfried.)
Beitrag #1
|
|
|
|
|
|
17.02.2019, 12:29
Beitrag #2
|
jg
CLA & CLED
Beiträge: 15.864
Registriert seit: Jun 2005
20xx / 8.x
1999
EN
Franken...
Deutschland
|
RE: property node ... wirklich langsam...
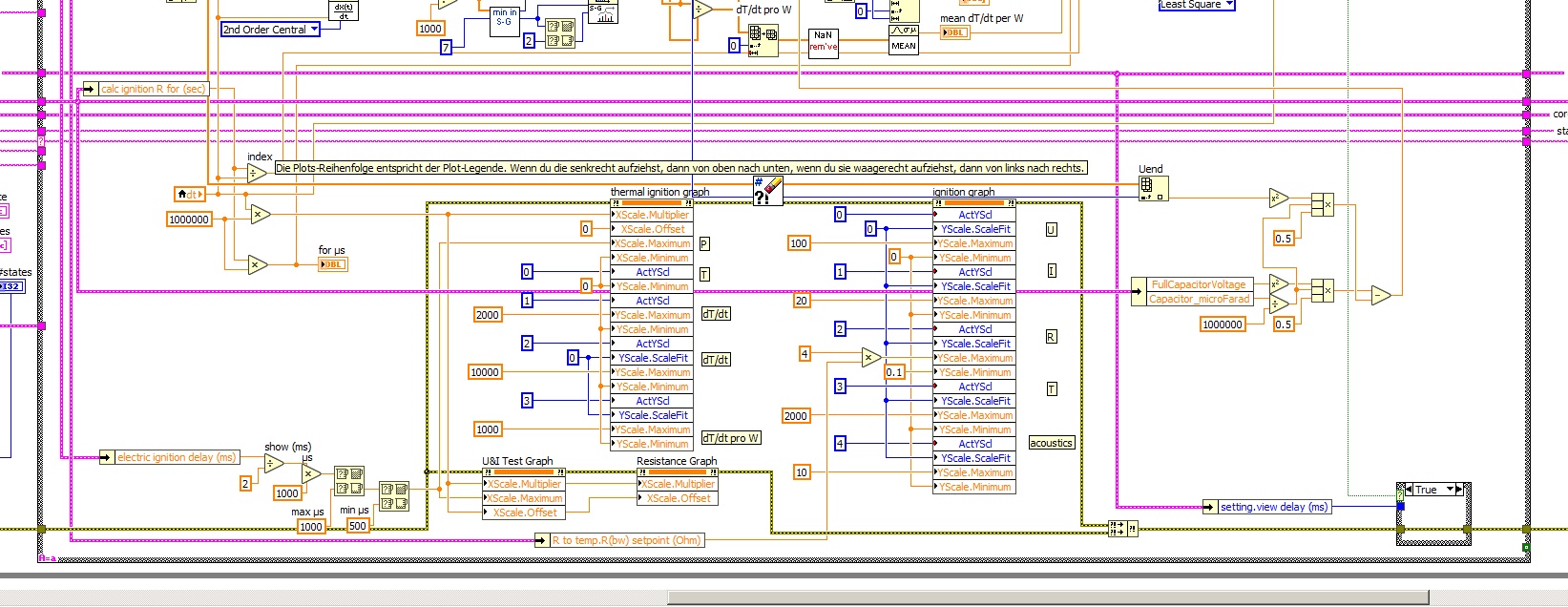
(16.02.2019 10:21 )gottfried schrieb: OK, mein Erstaunen die States mit vielen Prpoperty-Nodes sind echt langsam... z.B.: das in der Anlage (oben passiert nur ein wenig Mathematik) brauch 3000ms... ich bin verblüfft.
Das ist ein alter Hut. Setzen von Property Nodes war schon immer langsam, da jede Property Node einen Wechsel in den UI-Thread erzwingt und ein Frontpanel-Update auslöst.
vgl. z.B. hier
Gruß, Jens
Wer die erhabene Weisheit der Mathematik tadelt, nährt sich von Verwirrung. (Leonardo da Vinci)
!! BITTE !! stellt mir keine Fragen über PM, dafür ist das Forum da - andere haben vielleicht auch Interesse an der Antwort!
Einführende Links zu LabVIEW, s. GerdWs Signatur.
|
|
|
|
17.02.2019, 16:29
(Dieser Beitrag wurde zuletzt bearbeitet: 17.02.2019 16:39 von Lucki.)
Beitrag #3
|
Lucki
Tech.Exp.2.Klasse
Beiträge: 7.699
Registriert seit: Mar 2006
LV 2016-18 prof.
1995
DE
01108
Deutschland
|
RE: property node ... wirklich langsam...
Die eigentlich interessierende Frage ist aber, wie man mit dieser Langsamkeit umgeht. Keine Eigenschaftsknoten in der zeitkritischen Haupschleife. Und wenn doch: Den Knoten nur bei Wertänderung aufrufen, also den Knoten in einen Case setzen, Wertänderung prüfen, und nur wenn "True" den Knoten aufrufen. Der Normalfall ist aber eine gesonderte parallele Schleife für (Wertänderungs-)Ereignisse. Dort können Eigenschaftsknoten in der Regel ohne Bedenken verwendet werden.
Und natürlich: Statt der Eigenschaft "Wert" besser eine lokale Variable verwenden.
Was ich nicht weiß, noch nicht geprüft habe, aber gern mal wissen möchte: Bringt es eine zeitlichen Vorteil, wenn ich fünf Eigenschaftsknoten mit je einer Eigenschaft zu einem einzigen Knoten mit 5 Eigenschaften zusammenfasse? Oder ist das egal?. Weiß das jemand?
|
|
|
|
|
18.02.2019, 09:09
Beitrag #4
|
jg
CLA & CLED
Beiträge: 15.864
Registriert seit: Jun 2005
20xx / 8.x
1999
EN
Franken...
Deutschland
|
RE: property node ... wirklich langsam...
(17.02.2019 16:29 )Lucki schrieb: Die eigentlich interessierende Frage ist aber, wie man mit dieser Langsamkeit umgeht.
Das habe ich doch in meinem Link beantwortet: Delay Front Panel Update anwenden, so dass am Schluss nur 1 Wechsel in den UI-Thread erzeugt wird.
(17.02.2019 16:29 )Lucki schrieb: Was ich nicht weiß, noch nicht geprüft habe, aber gern mal wissen möchte: Bringt es eine zeitlichen Vorteil, wenn ich fünf Eigenschaftsknoten mit je einer Eigenschaft zu einem einzigen Knoten mit 5 Eigenschaften zusammenfasse? Oder ist das egal?. Weiß das jemand?
Meines Wissens nach bringt das nichts. Jedes Element in so einem aufgezogenen Eigenschaftsknoten wird einzeln bearbeitet. Das sieht man z.B. daran, dass bei einem Fehler (z.B. Plotfarbe eines nichts existierenden Plots setzen) erst die Eigenschaft ab der fehlererzeugenden Eigenschaft nicht mehr bearbeitet werden.
Gruß, Jens
Wer die erhabene Weisheit der Mathematik tadelt, nährt sich von Verwirrung. (Leonardo da Vinci)
!! BITTE !! stellt mir keine Fragen über PM, dafür ist das Forum da - andere haben vielleicht auch Interesse an der Antwort!
Einführende Links zu LabVIEW, s. GerdWs Signatur.
|
|
|
|
|
18.02.2019, 10:15
Beitrag #5
|
Lucki
Tech.Exp.2.Klasse
Beiträge: 7.699
Registriert seit: Mar 2006
LV 2016-18 prof.
1995
DE
01108
Deutschland
|
RE: property node ... wirklich langsam...
(18.02.2019 09:09 )jg schrieb: (17.02.2019 16:29 )Lucki schrieb: Die eigentlich interessierende Frage ist aber, wie man mit dieser Langsamkeit umgeht.
Das habe ich doch in meinem Link beantwortet: Delay Front Panel Update anwenden, so dass am Schluss nur 1 Wechsel in den UI-Thread erzeugt wird.
Also wenn "Delay FP Update" True ist, wird ein Eigenschaftsknoten, wenn er wiederholt ohne Wertänderung aufgerufen wird, gar nicht mehr ausgeführt? Das ist ja sensationell!. Zwar konnte ich das aus der Hilfe dazu nicht direkt herauslesen, aber wenn Du es sagst glaube ich es gern. Vielen Dank!
|
|
|
|
|
18.02.2019, 10:20
Beitrag #6
|
jg
CLA & CLED
Beiträge: 15.864
Registriert seit: Jun 2005
20xx / 8.x
1999
EN
Franken...
Deutschland
|
RE: property node ... wirklich langsam...
(18.02.2019 10:15 )Lucki schrieb: Also wenn "Delay FP Update" True ist, wird ein Eigenschaftsknoten, wenn er wiederholt ohne Wertänderung aufgerufen wird, gar nicht mehr ausgeführt? Das ist ja sensationell!. Zwar konnte ich das aus der Hilfe dazu nicht direkt herauslesen, aber wenn Du es sagst glaube ich es gern. Vielen Dank!
Doch, er wird ausgeführt. Es wird bloß nicht der Wechsel in den UI-Thread und damit ein FP-Refresh ausgelöst. Und nicht vergessen: Nachdem die ganzen PropertyNodes geschrieben wieder, muss diese "Delay FP Update" Eigenschaft wieder auf FALSE gesetzt werden, sonst gibt es gar keine FP-Updates mehr.
Gruß, Jens
Wer die erhabene Weisheit der Mathematik tadelt, nährt sich von Verwirrung. (Leonardo da Vinci)
!! BITTE !! stellt mir keine Fragen über PM, dafür ist das Forum da - andere haben vielleicht auch Interesse an der Antwort!
Einführende Links zu LabVIEW, s. GerdWs Signatur.
|
|
|
|
|
18.02.2019, 11:19
Beitrag #7
|
|
|
|
|
|
18.02.2019, 11:40
Beitrag #8
|
jg
CLA & CLED
Beiträge: 15.864
Registriert seit: Jun 2005
20xx / 8.x
1999
EN
Franken...
Deutschland
|
RE: property node ... wirklich langsam...
(18.02.2019 11:19 )Trinitatis schrieb: Die noch nicht beantwortete Frage ist doch aber die, warum es 3s dauern soll, das bisschen Skaliererei durchzuführen.
Dass Eigenschaftsknoten längen dauern als keine, wird Gottfried auch gewusst haben...
Kann es nicht sein, dass die Zeit irgendwo in einem der vermeintlichen "nur-Mathematik-VIs" verlorengeht oder in Eigenschaftsknoten außerhalb des gezeigten Bildes?
Gruß, Marko
Da hast du natürlich vollkommen Recht.
Operationen an Graphen (falls der Graph der Hauptverursacher ist) werden aus meiner Erfahrung langsam, wenn sie extrem viele Plot und/oder extrem viele Daten darstellen. Vielleicht ist das das Problem.
Gruß, Jens
Wer die erhabene Weisheit der Mathematik tadelt, nährt sich von Verwirrung. (Leonardo da Vinci)
!! BITTE !! stellt mir keine Fragen über PM, dafür ist das Forum da - andere haben vielleicht auch Interesse an der Antwort!
Einführende Links zu LabVIEW, s. GerdWs Signatur.
|
|
|
|
|
18.02.2019, 11:57
Beitrag #9
|
gottfried
LVF-Guru
    
Beiträge: 1.735
Registriert seit: Mar 2007
2019
2004
EN
20**
Oesterreich
|
RE: property node ... wirklich langsam...
Erst einmal ein großes DANKE ... habe viel gelernt. Nein, die Mathe ist schlicht - im Vergleich zu anderen States  . Ich denke _nun_ das die Langsamkeit (3 sec) daher rührt da das FP im wesentlichen aus 3 Tab-Controls mit in Summe 30 Tabs besteht ... viele voll mit Diagrammen. Bin ich auf der richtigen Spur?
Danke
Gottfried
|
|
|
|
| |