INFO: Dieses Forum nutzt Cookies...
Cookies sind für den Betrieb des Forums unverzichtbar. Mit der Nutzung des Forums erklärst Du dich damit einverstanden, dass wir Cookies verwenden.

Es wird in jedem Fall ein Cookie gesetzt um diesen Hinweis nicht mehr zu erhalten. Desweiteren setzen wir Google Adsense und Google Analytics ein.


Antwort schreiben 

zeichen eines xy-graphen



Wenn dein Problem oder deine Frage geklärt worden ist, markiere den Beitrag als "Lösung",
indem du auf den "Lösung" Button rechts unter dem entsprechenden Beitrag klickst. Vielen Dank!

14.11.2005, 16:13
Beitrag #1

Guest
Unregistered


 







zeichen eines xy-graphen
Ich habe ein Problem mit dem Zeichnen eines solchen Graphes.
Ich habe die zwei messwerte, das problem ist aber folgendes, der Punkt des Graphen verschiebt sich aber nur nach links. Es wird kein Graph "gezeichnet" weiss jemand welche einstellungen gemacht werden müssen das die alten werte auch noch angezeigt werden?
gruss DT
Diese Nachricht in einer Antwort zitieren to top
Anzeige
14.11.2005, 19:43
Beitrag #2

thomas.sandrisser Offline
LVF-SeniorMod


Beiträge: 1.298
Registriert seit: Sep 2005

xxxx
2005
EN

78759
United States
zeichen eines xy-graphen
der xy graph wird "jedesmal" neu gezeichnet!
d.h. du musst entweder alles redundant im speicher halten mittels schieberegister oder auf den signalverlaufsgraphen bzw. diagramm umsteigen!
Webseite des Benutzers besuchen Alle Beiträge dieses Benutzers finden
Diese Nachricht in einer Antwort zitieren to top
12.12.2005, 17:18
Beitrag #3

Guest
Unregistered


 







zeichen eines xy-graphen
freedive schrieb:der xy graph wird "jedesmal" neu gezeichnet!
d.h. du musst entweder alles redundant im speicher halten mittels schieberegister oder auf den signalverlaufsgraphen bzw. diagramm umsteigen!

Hast du vielleicht jemand ein Beispiel für soetwas?
Ich lese zwei analoge signale über ein externes Gerät ein (AnalogIn(Einfach(32-Bit reel)). Ich sollte nun diese zwei signale auf ein xy-graph übertragen.

Danke schon mal.
Diese Nachricht in einer Antwort zitieren to top
12.12.2005, 19:01
Beitrag #4

thomas.sandrisser Offline
LVF-SeniorMod


Beiträge: 1.298
Registriert seit: Sep 2005

xxxx
2005
EN

78759
United States
zeichen eines xy-graphen
anbei ein beispiel...


Angehängte Datei(en)
Sonstige .vi  XYGraph.vi (Größe: 18,3 KB / Downloads: 370)
Webseite des Benutzers besuchen Alle Beiträge dieses Benutzers finden
Diese Nachricht in einer Antwort zitieren to top
16.12.2005, 09:25
Beitrag #5

Guest
Unregistered


 







zeichen eines xy-graphen
freedive schrieb:anbe+i ein beispiel...

Danke,


aber dies kann ich leider nicht öffnen. Ladefehler, weil V 7.0
Diese Nachricht in einer Antwort zitieren to top
16.12.2005, 11:20
Beitrag #6

thomas.sandrisser Offline
LVF-SeniorMod


Beiträge: 1.298
Registriert seit: Sep 2005

xxxx
2005
EN

78759
United States
zeichen eines xy-graphen
hier in 7.0


Angehängte Datei(en)
Sonstige .vi  XYGraph_1_.vi (Größe: 14,5 KB / Downloads: 309)
Webseite des Benutzers besuchen Alle Beiträge dieses Benutzers finden
Diese Nachricht in einer Antwort zitieren to top
Anzeige
10.01.2006, 11:32
Beitrag #7

Mr.T Offline
LVF-SeniorMod


Beiträge: 1.007
Registriert seit: Jun 2005

2009
2005
kA

88400
Deutschland
zeichen eines xy-graphen
Hallo zusammen.

Ich aktiviere mal einfach diesen alten Beitrag, weil ich das gegebene VI nur zum Darstellen zweier Graphen erweitern wollte.

Das Vi im Anhang funktioniert nicht, wie gewollt - kann mir jemand sagen, weshalb?

Es sollten zwei verschiedene Kurven geplottet werden - es entsteht jedoch nur eine Kurve, die alle Werte verbindet (zwei y-Werte zu einem x-Wert). Was habe ich für ein Denkfehler, bzw. für eine Wissenslücke?

Danke


Angehängte Datei(en)
Sonstige .vi  XYGraph.vi (Größe: 25,64 KB / Downloads: 355)
Alle Beiträge dieses Benutzers finden
Diese Nachricht in einer Antwort zitieren to top
13.02.2006, 15:53
Beitrag #8

dreton Offline
LVF-Grünschnabel
*


Beiträge: 33
Registriert seit: Nov 2005



kA



zeichen eines xy-graphen
Hallo Mr. T und natürlich auch die anderen. Habt Ihr inzwischen das Problem gelöst? Habe genau das selbe Problem. Zwei Signale mittels Schieberegister plotten. Hab die 2 Signale mit gleichen X-Werten.
Also beide einzeln jeweils mit dem X-Wert gebündelt und dann mittels Schieberegister und der Build Array Funktion in den XY-Graphen. Leider kommt da nur Grütze raus. Kann mir da jemand sagen was ich falsch mache?.

Gruß Dreton
Alle Beiträge dieses Benutzers finden
Diese Nachricht in einer Antwort zitieren to top
13.02.2006, 17:46
Beitrag #9

ahlers01 Offline
LVF-Gelegenheitsschreiber
**


Beiträge: 143
Registriert seit: Feb 2005

7.1-2011
1993
DE_EN

38116
Deutschland
zeichen eines xy-graphen
Mr.T schrieb:Hallo zusammen.

Ich aktiviere mal einfach diesen alten Beitrag, weil ich das gegebene VI nur zum Darstellen zweier Graphen erweitern wollte.

Das Vi im Anhang funktioniert nicht, wie gewollt - kann mir jemand sagen, weshalb?

Es sollten zwei verschiedene Kurven geplottet werden - es entsteht jedoch nur eine Kurve, die alle Werte verbindet (zwei y-Werte zu einem x-Wert). Was habe ich für ein Denkfehler, bzw. für eine Wissenslücke?

Danke

Mit ein bisschen Verspätung:
Die Lösung steht im BeispielVI "..examplesgeneralgraphsgengraph.llbXY Graph.vi", wo verschiedene single- und multi-plot Möglichkeiten für den XY Graph gezeigt werden.

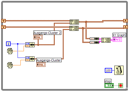
Deine VI habe ich entsprechend geändert, siehe Anhang (als VI in LV 8.0 und als screenshot des blockdiagramms):


Angehängte Datei(en) Thumbnail(s)
   

Sonstige .vi  XYGraph.vi (Größe: 16,78 KB / Downloads: 322)
Alle Beiträge dieses Benutzers finden
Diese Nachricht in einer Antwort zitieren to top
13.02.2006, 18:04
Beitrag #10

dreton Offline
LVF-Grünschnabel
*


Beiträge: 33
Registriert seit: Nov 2005



kA



zeichen eines xy-graphen
Hallo Ahlers,

kann es zwar heut nicht mehr testen aber vielen Dank für die Hilfe. Probier ich morgen gleich mal aus.

Gruß Dreton
Alle Beiträge dieses Benutzers finden
Diese Nachricht in einer Antwort zitieren to top
30
Antwort schreiben 


Möglicherweise verwandte Themen...
Themen Verfasser Antworten Views Letzter Beitrag
  Unterteilungswerte eines Graphen 83DM 1 4.211 15.03.2017 17:03
Letzter Beitrag: 83DM
  Identisches Abbild eines Graphen erstellen mez15 2 5.055 13.03.2017 16:33
Letzter Beitrag: mez15
  Darstellen eines definierten Bereiches in einem XY-Graphen in einer laufenden Messung Poepsken 7 10.991 23.03.2016 15:49
Letzter Beitrag: Lucki
  Variables Festlegen der Zeitachse eines Graphen DoktorDER 5 10.239 25.11.2011 18:36
Letzter Beitrag: GerdW
  Darstellung eines XY-Graphen chip777 3 15.987 10.05.2011 19:56
Letzter Beitrag: jg
  Ermittlung der Plotanzahl eines Graphen GT123 2 5.136 03.12.2010 12:47
Letzter Beitrag: Kasi

Gehe zu: