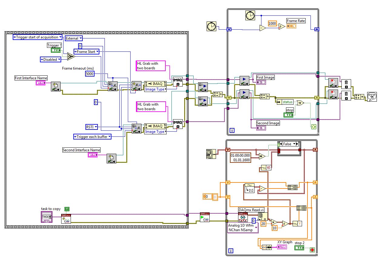
Triggern von Kamera und DAQ-Gerät über RTSI |
Wenn dein Problem oder deine Frage geklärt worden ist, markiere den Beitrag als "Lösung",
indem du auf den "Lösung" Button rechts unter dem entsprechenden Beitrag klickst. Vielen Dank!
| 30
|
|
|
| Möglicherweise verwandte Themen... | |||||
| Themen | Verfasser | Antworten | Views | Letzter Beitrag | |
| Digital-Out togglen, abhängig von zwei Triggern | PeteFlosse | 4 | 6.660 |
25.01.2018 16:10 Letzter Beitrag: PeteFlosse |
|
| Triggern bei Spannungsänderung | bundesschranzminister | 2 | 5.787 |
21.09.2017 16:40 Letzter Beitrag: bundesschranzminister |
|
| Digitalausgabe überschreiben und triggern | thomasth | 1 | 4.507 |
15.12.2015 23:35 Letzter Beitrag: thomasth |
|
| simuliertes DAQ-Gerät, Anfänger | Heiko19 | 2 | 5.202 |
19.10.2015 06:14 Letzter Beitrag: Heiko19 |
|
| DAQ triggern // Wie schnell ist "Commit"? Gibt es Alternativen? | Kasi | 1 | 4.813 |
29.07.2013 09:18 Letzter Beitrag: BNT |
|
| Triggern | regis57 | 2 | 5.300 |
14.08.2012 10:26 Letzter Beitrag: regis57 |
|





