INFO: Dieses Forum nutzt Cookies...
Cookies sind für den Betrieb des Forums unverzichtbar. Mit der Nutzung des Forums erklärst Du dich damit einverstanden, dass wir Cookies verwenden.

Es wird in jedem Fall ein Cookie gesetzt um diesen Hinweis nicht mehr zu erhalten. Desweiteren setzen wir Google Adsense und Google Analytics ein.


Antwort schreiben 

Probleme mit "Write to Measurement File"



Wenn dein Problem oder deine Frage geklärt worden ist, markiere den Beitrag als "Lösung",
indem du auf den "Lösung" Button rechts unter dem entsprechenden Beitrag klickst. Vielen Dank!

27.05.2020, 06:34
Beitrag #1

bastipa93 Offline
LVF-Neueinsteiger


Beiträge: 7
Registriert seit: May 2020

2014
2019
EN

33098
Deutschland
Probleme mit "Write to Measurement File"
Hallo liebe Mitglieder,

vielen Dank erst einmal für die Aufnahme hier Wink

Ich habe schon ewig in der Suche nachgeforscht und mir verschiedene Beiträge durchgelesen, aber ich finde einfach keine Lösung für mein, wie es mir scheint, doch simples Problem. Ich bin noch relativ neu in Labview und habe noch nicht extrem viel damit gemacht, daher bin ich da noch relativ unerfahren...

Um folgendes Problem geht es nun: zur Drehzahlmessung habe ich eine Lichtschranke an einer Motorwelle angebracht und will damit die Drehzahl über die Auswertung der Impulse / Zeiteinheit messen. Das funktioniert auch eigentlich alles schön und gut, wenn die Messwertaufnahme vernünftig klappen würde! Denn: meine Messwertaufnahme über "Write to Measurement File" klappt nur begrenzt in der Zeitvorgabe, wie ich es möchte. Gebe ich dt = 100 ms, oder dt = 50 ms vor, klappt es, dann nimmt er die Messwerte in diesen Zeitabständen auf. Das geht aber nicht beliebig weit runter, denn wenn ich meine Zielzeit eingebe, nämlich dt = 1 ms (oder auch 5 ms), dann klappt es einfach nicht schneller als dass ich in den Messwerten Zeitabstände zwischen 5-7 ms habe (s. Bild). Habe den Eindruck, dass es einfach nicht schneller geht und die 5-7 ms das Minimum darstellen, obwohl es ja eigentlich schneller gehen sollte?

   

Zudem gibt es noch ein nerviges Problem: in sehr unregelmäßigen Abständen finden einfach Zeitsprünge statt. D.h. anstelle von Zeitabständen von z.B. 10 ms kommt auf einmal ein Zeitsprung von 50 ms und das stellt in sofern ein Problem dar, da dadurch öfter mal ein Impuls der Lichtschranke nicht aufgenommen wird und dadurch die Drehzahl geringfügig verfälscht wird.

   

Ich benutze grob gesagt die im Bild ersichtliche Aufstellung. Dort, wo jetzt die "1" zu sehen ist, habe ich eigentlich einen DAQNavi Assistant (Advantech USB-4716), den ich aber vorerst rausgeschmissen habe, da ich nachschauen wollte, ob er dafür verantwortlich ist und es irgendwie verlangsamt - ist er aber nicht, das Problem tritt auch so auf... leider.

   

Ich hoffe ihr könnt mir weiterhelfen. Gerne würde ich meine Messwertaufnahme über das "Write to Measurement File" beibehalten, weil es simpel ist und ich gut damit klarkomme.

Viele Grüße
bastipa93
Alle Beiträge dieses Benutzers finden
Diese Nachricht in einer Antwort zitieren to top
Anzeige
27.05.2020, 10:31
Beitrag #2

NoWay Offline
LVF-Gelegenheitsschreiber
**


Beiträge: 241
Registriert seit: Jul 2013

LV-2019
2013
EN


Deutschland
RE: Probleme mit "Write to Measurement File"
Ohne deinen Aufbau zu kennen, hier ein paar Anregungen:
  • Wieso schreibst du jeden Wert einzeln in die Datei? Du könntest die Daten z.B. sammeln und im Nachgang alle auf einmal schreiben, oder zumindest als Päckchen wegschreiben.
  • Verwendest du TDMS?
  • Wie schnell kann deine Hardware messen?
Alle Beiträge dieses Benutzers finden
Diese Nachricht in einer Antwort zitieren to top
27.05.2020, 10:49
Beitrag #3

bastipa93 Offline
LVF-Neueinsteiger


Beiträge: 7
Registriert seit: May 2020

2014
2019
EN

33098
Deutschland
RE: Probleme mit "Write to Measurement File"
Die Idee mit dem Daten sammeln und am Ende in eine Datei packen hatte ich auch schon, weiß aber leider nicht, wie ich das realisieren kann. Funktioniert das mit einem Array, wo in jedem Schleifendurchgang ein weiteres Element angefügt wird, oder gibts da eine simplere Lösung?

TDMS verwende ich nicht, packe das in eine LVM Datei die ich dann in Excel einfüge.

Wie schnell meine Lichtschranke messen kann, weiß ich leider nicht, da müsste ich mal unseren Elektriker fragen. Ich komme leider überhaupt nicht aus dieser Schiene und so eine Steuerung bzw. Messeinrichtung zu bauen ist überhaupt nicht mein täglich Brot Blush
Alle Beiträge dieses Benutzers finden
Diese Nachricht in einer Antwort zitieren to top
27.05.2020, 11:22
Beitrag #4

NoWay Offline
LVF-Gelegenheitsschreiber
**


Beiträge: 241
Registriert seit: Jul 2013

LV-2019
2013
EN


Deutschland
RE: Probleme mit "Write to Measurement File"
Dann beschreib deinen Hardware-Aufbau doch mal im Detail.

Grundsätzlich kannst du Daten in einem Array sammeln. Das geht im einfachsten Fall mithilfe eines Schieberegisters und der Funktion "Build Array".
Das sieht dann so aus:
   
Alle Beiträge dieses Benutzers finden
Diese Nachricht in einer Antwort zitieren to top
27.05.2020, 12:01 (Dieser Beitrag wurde zuletzt bearbeitet: 27.05.2020 12:02 von bastipa93.)
Beitrag #5

bastipa93 Offline
LVF-Neueinsteiger


Beiträge: 7
Registriert seit: May 2020

2014
2019
EN

33098
Deutschland
RE: Probleme mit "Write to Measurement File"
Das Ganze sieht so aus, dass ich eine Welle habe, um die ein Klebestreifen gewickelt ist. Der Klebestreifen besteht zu 1/4 des Umfangs aus schwarzem Material, der Rest ist weiß. Ganz dicht an der Welle habe ich eine Lichtschranke angebracht, die mir je nach Helligkeit verschiedene Spannungswerte an mein USB-Modul gibt. Die Spannung nehme ich entsprechend mit Labview auf und kann über die Impulse im Spannungswert meine Drehzahl ausrechnen. Klappt auch ganz ok, zumindest bei Drehzahlen bis ca. 1000 U/min, aber darüber wirds kritisch eben genau wegen der Schnelligkeit der Messwertaufnahme...

Ok gut, bis jetzt kannte ich so eine Datenaufzeichnung mit dem Array noch nicht, dann werde ich mich später mal da ransetzen und gucken, wie ich das Array vernünftig schreiben und abspeichern kann. Vielen Dank schonmal!
Alle Beiträge dieses Benutzers finden
Diese Nachricht in einer Antwort zitieren to top
28.05.2020, 06:26 (Dieser Beitrag wurde zuletzt bearbeitet: 28.05.2020 06:28 von bastipa93.)
Beitrag #6

bastipa93 Offline
LVF-Neueinsteiger


Beiträge: 7
Registriert seit: May 2020

2014
2019
EN

33098
Deutschland
RE: Probleme mit "Write to Measurement File"
So, habe das jetzt alles mal mit dem Array gemacht und es funktioniert bis jetzt super! Vielen Dank für die Hilfestellung! Muss jetzt nur noch schauen, dass ich die Daten vom USB-Modul in das Array reinkriege (habe das bis jetzt mit einer Art Zähler gemacht, der mir da Werte ins Array gibt) aber das sollte denke ich kein großes Problem sein. Die ersten Messungen diese oder nächste Woche werden dann zeigen, ob es immer noch die zeitlichen Probleme und Zeitsprünge gibt, aber ich bin da mal optimistisch Wink
Alle Beiträge dieses Benutzers finden
Diese Nachricht in einer Antwort zitieren to top
Anzeige
28.05.2020, 07:43
Beitrag #7

GerdW Offline
______________
LVF-Team

Beiträge: 17.530
Registriert seit: May 2009

LV2019 (LV2021)
1995
DE_EN

10×××
Deutschland
RE: Probleme mit "Write to Measurement File"
Hallo Basti,

Zitat:Muss jetzt nur noch schauen, dass ich die Daten vom USB-Modul in das Array reinkriege
habe ich eigentlich einen DAQNavi Assistant (Advantech USB-4716),
Wenn möglich, solltest du keine Einzelwerte abfragen, sondern (ähnlich wie bei DAQmx) eine Samplerate vorgeben und passende Blöcke an Messdaten abfragen.
Dann übernimmt die Hardware nämlich das Timing - und das ist üblicherweise sehr viel genauer, als wenn du das mittels Windows selbst versuchst!

Zitat:Gebe ich dt = 100 ms, oder dt = 50 ms vor, klappt es, dann nimmt er die Messwerte in diesen Zeitabständen auf. Das geht aber nicht beliebig weit runter, denn wenn ich meine Zielzeit eingebe, nämlich dt = 1 ms (oder auch 5 ms), dann klappt es einfach nicht schneller als dass ich in den Messwerten Zeitabstände zwischen 5-7 ms habe (s. Bild). Habe den Eindruck, dass es einfach nicht schneller geht und die 5-7 ms das Minimum darstellen, obwohl es ja eigentlich schneller gehen sollte?
Dies dürfte eine Limitierung der USB-Kommunikation sein: du fragst ja immer Einzelwerte ab…

Zitat:in sehr unregelmäßigen Abständen finden einfach Zeitsprünge statt. D.h. anstelle von Zeitabständen von z.B. 10 ms kommt auf einmal ein Zeitsprung von 50 ms
Und hier kommt Windows ins Spiel…

Alle Beiträge dieses Benutzers finden
Diese Nachricht in einer Antwort zitieren to top
28.05.2020, 11:53 (Dieser Beitrag wurde zuletzt bearbeitet: 28.05.2020 12:10 von bastipa93.)
Beitrag #8

bastipa93 Offline
LVF-Neueinsteiger


Beiträge: 7
Registriert seit: May 2020

2014
2019
EN

33098
Deutschland
RE: Probleme mit "Write to Measurement File"
Hallo Gerd,

auch dir ein Danke für die Antwort!

Mittlerweile habe ich meine VI ausprobiert und es läuft eigentlich alles ganz gut - bis auf eine Sache: ich habe versucht, meine While-Schleife über die "Warten"-Funktion auf 1 ms Sekunde zu timen. Bei einer Ausführung von 3 Minuten habe ich allerdings statt den 180 s nur ca. 65 Sekunden aufgezeichnet. Weißt jemand, woran das liegen könnte? Auch eine zeitgesteuerte Schleife mit einem dt = 1 ms hat statt 180 s nur ca. 40 Sekunden gezeigt...

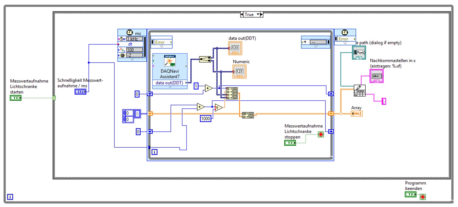
Mein VI könnt ihr im Bild sehen. Reicht das so? Falls ihr die VI braucht, kann ich die auch anhängen.

Edit: du erwähntest Windows, bzw. das Problem damit. Heißt das, dass ich eventuell gar nicht die Schnelligkeit mit meinem Rechner erzielen kann, die ich vorhabe zu erreichen?

Edit2: Ich habe das mit der Zeit nochmal kurz (für 10 s) nachgeprüft. Bei einer Messwerteaufnahme von 1000 ms, 100 ms und 10 ms komme ich ziemlich genau dann immer auf 10 Sekunden. Wenn ich jedoch als Aufnahme 1 ms angebe, landet er rechnerisch nur irgendwie bei 2,45 Sekunden...


Angehängte Datei(en) Thumbnail(s)
   
Alle Beiträge dieses Benutzers finden
Diese Nachricht in einer Antwort zitieren to top
28.05.2020, 12:55 (Dieser Beitrag wurde zuletzt bearbeitet: 28.05.2020 12:57 von GerdW.)
Beitrag #9

GerdW Offline
______________
LVF-Team

Beiträge: 17.530
Registriert seit: May 2009

LV2019 (LV2021)
1995
DE_EN

10×××
Deutschland
RE: Probleme mit "Write to Measurement File"
Hallo basti,

Zitat:Edit: du erwähntest Windows, bzw. das Problem damit. Heißt das, dass ich eventuell gar nicht die Schnelligkeit mit meinem Rechner erzielen kann, die ich vorhabe zu erreichen?
Edit2: Ich habe das mit der Zeit nochmal kurz (für 10 s) nachgeprüft. Bei einer Messwerteaufnahme von 1000 ms, 100 ms und 10 ms komme ich ziemlich genau dann immer auf 10 Sekunden. Wenn ich jedoch als Aufnahme 1 ms angebe, landet er rechnerisch nur irgendwie bei 2,45 Sekunden...
Wenn der Code innerhalb de Schleife länger als 1ms benötigt, dann wird die Schleife nicht die gewünschte Performance zeigen…
Nochmal: per USB immer nur ein Sample abzufragen ist nicht hilfreich!

Zitat:Mein VI könnt ihr im Bild sehen. Reicht das so? Falls ihr die VI braucht, kann ich die auch anhängen.
Mal überlegen…
Du gehst zur Autowerkstatt und zeigst ein Foto deines Autos: reicht das, um das Auto zu reparieren?

Wie hast du dieses ExpressVI konfiguriert?
Nochmal der Hinweis: wenn du zuverlässig bei Sampleraten >100Hz Messdaten erfassen willst, dann sollte deine DAQ-Hardware ein eigenes Timing verwenden!

Alle Beiträge dieses Benutzers finden
Diese Nachricht in einer Antwort zitieren to top
28.05.2020, 15:17
Beitrag #10

bastipa93 Offline
LVF-Neueinsteiger


Beiträge: 7
Registriert seit: May 2020

2014
2019
EN

33098
Deutschland
RE: Probleme mit "Write to Measurement File"
Hallo Gerd,

Zitat:Wenn der Code innerhalb de Schleife länger als 1 ms benötigt, dann wird die Schleife nicht die gewünschte Performance zeigen…

Gibt es denn eine Möglichkeit zu überprüfen, ob mein Code länger als 1 ms dauert? Und wenn ja, welche?

Zitat:Nochmal: per USB immer nur ein Sample abzufragen ist nicht hilfreich!

Wie kann ich denn passende Blöcke an Messdaten abfragen? Ich dachte, das hätte ich schon dadurch gelöst, dass ich in meinem VI in ein Array reinschreibe und das dann nur nach Beenden der While-Loop abgespeichert wird. Also ich verstehe hier einfach den Zusammenhang leider nicht, was genau du damit meinst, dass ich Blöcke an Messdaten abfragen soll und nicht immer nur einen Einzelwert. Verstehe ich das richtig, dass ich in diesem Fall über Labview nicht wirklich etwas machen kann, sondern an meiner Hardware (ich vermute mal, die Lichtschranke oder dem USB-Modul?) rumhantieren müsste? Sorry, wenn ich mich da etwas dumm anstelle, aber das ist wie gesagt leider nicht mein Gebiet und das hält mich nun schon länger auf, als ich vorerst dachte...

Ich habe jetzt auch mal mein VI angehängt. Ich wollte eigentlich vermeiden, euch das komplette VI zuzuschicken, da es doch etwas wirr aussieht und das Ding mit der Lichtschranke nur ein Teil davon ist. Ja, ich könnte das VI für die Lichtschranke auch einzeln packen, aber da ich momentan keinen Zugriff auf den Rechner habe, wo das draufliegt, habe ich nur die komplette Datei mit allem anderen auch noch. Ich hoffe, das geht auch so!


Angehängte Datei(en)
14.0 .vi  Motorsteuerung gesamt_fertig_mit Lichtschranke.vi (Größe: 588,03 KB / Downloads: 319)
Alle Beiträge dieses Benutzers finden
Diese Nachricht in einer Antwort zitieren to top
30
Antwort schreiben 


Möglicherweise verwandte Themen...
Themen Verfasser Antworten Views Letzter Beitrag
  Uhrzeit/Datum über "Write to Measurement File" Sandro5 10 12.856 22.05.2014 11:21
Letzter Beitrag: Sandro5
  Write to Spreadsheet File => Daten werden nicht rein geschrieben nusser 8 9.912 14.01.2014 21:06
Letzter Beitrag: jg
  Dateiinhalt syncronisieren mittels read/write binary file manuwestern 12 15.363 18.07.2013 17:01
Letzter Beitrag: jg
  Zeitliche Messwertaufnahme: Wo Write-to-spreedsheet-file-vi platzieren Body Lotion 22 20.500 08.11.2012 16:44
Letzter Beitrag: GerdW
  Write to measurement file kike 7 14.734 20.12.2010 08:32
Letzter Beitrag: deicebear
  Format bei write to spreadsheet file freddyka 2 6.907 19.07.2010 11:00
Letzter Beitrag: freddyka

Gehe zu: