|
09.05.2007, 18:13
|
FlorianM
LVF-Gelegenheitsschreiber
 
Beiträge: 112
Registriert seit: Mar 2007
8.0 8.2
-
kA
89073
Deutschland
|
Umwandlung in einen anderen Datentyp !!!
' schrieb:Ich hab schon (viel) Ahnung, wie man mit Clustern und Arrays umgeht. Bloss wie Lucki und auch ich schon gesagt haben, woher diese üble ineinandergeschachtelte Struktur, die da in deinem SubVI "testo_measure1.vi" erzeugt wird?? Deshalb, meine Frage war hierzu eigentlich sehr spezifisch, ist dieses VI auch auf dem Mist von Testo gewachsen. Wenn nein, dann werden wir als erstes mal dort ansetzen. Nicht, weil es nicht anders auch geht, sondern damit es später einfacher geht!
MfG, Jens
Ja das ist auf dem Mist von TESTO gewachsen, das habe die auf der CD dabei gehabt.
|
|
|
|
|
09.05.2007, 18:58
|
jg
CLA & CLED
Beiträge: 15.864
Registriert seit: Jun 2005
20xx / 8.x
1999
EN
Franken...
Deutschland
|
Umwandlung in einen anderen Datentyp !!!
' schrieb:Ja das ist auf dem Mist von TESTO gewachsen, das habe die auf der CD dabei gehabt.
Autsch, das tut weh.
Also, was die da machen, ist mir irgendwie absolut schleierhaft. Damit Achim auch mitdiskutieren kann, lade ich deine VI's mal in V8.0 hoch:
Control_Unit_Example_HS_Ulm.vi (Größe: 18,08 KB / Downloads: 223)
testo_serial_init.vi (Größe: 34,4 KB / Downloads: 233)
testo_measure1.vi (Größe: 31,76 KB / Downloads: 244)
testo_close.vi (Größe: 22,47 KB / Downloads: 235)
So, und zum Schluss noch ein SubVI, mit dem du diese seltsame Konstrukt erst mal in 2 String-Array zerlegen kannst:
zerlege_testo_in_array.vi (Größe: 14,42 KB / Downloads: 231)
Für weitere Analyse wäre es mal sinnvoll, wenn wir sehen, was dann real in diesen Arrays so drinsteht.
MfG, Jens
Wer die erhabene Weisheit der Mathematik tadelt, nährt sich von Verwirrung. (Leonardo da Vinci)
!! BITTE !! stellt mir keine Fragen über PM, dafür ist das Forum da - andere haben vielleicht auch Interesse an der Antwort!
Einführende Links zu LabVIEW, s. GerdWs Signatur.
|
|
|
|
|
09.05.2007, 19:08
|
FlorianM
LVF-Gelegenheitsschreiber
 
Beiträge: 112
Registriert seit: Mar 2007
8.0 8.2
-
kA
89073
Deutschland
|
Umwandlung in einen anderen Datentyp !!!
' schrieb:Autsch, das tut weh.
Also, was die da machen, ist mir irgendwie absolut schleierhaft. Damit Achim auch mitdiskutieren kann, lade ich deine VI's mal in V8.0 hoch:
[attachment=33147:Control_...e_HS_Ulm.vi][attachment=33148:testo_serial_init.vi]
[attachment=33149:testo_measure1.vi][attachment=33150:testo_close.vi]
So, und zum Schluss noch ein SubVI, mit dem du diese seltsame Konstrukt erst mal in 2 String-Array zerlegen kannst:
[attachment=33151:zerlege_...in_array.vi]
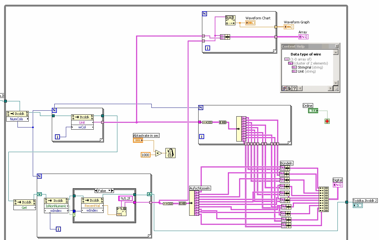
[attachment=33152:Namenlos.png]
Für weitere Analyse wäre es mal sinnvoll, wenn wir sehen, was dann real in diesen Arrays so drinsteht.
MfG, Jens
Wow das ist echt nett von dir !!!!!!!!!!!!
Werd morgen mal so ne Ausgabe hochladen, damit ihr es sehen könnt.
Vielen Dank nochmals !!!
|
|
|
|
10.05.2007, 06:14
(Dieser Beitrag wurde zuletzt bearbeitet: 10.05.2007 06:18 von Achim.)
|
Achim
*****
    
Beiträge: 4.226
Registriert seit: Nov 2005
20xx
2000
EN
978xx
Deutschland
|
Umwandlung in einen anderen Datentyp !!!
Hi,
@ Jens: Danke fürs "berücksichtigen"!
Zum Datentyp: AAAAAAARHHHHHHHHHHHHHHHGGGGGGGGGGGGG!
Ich hab mal eine Schleife mit reingebaut, die den Datentyp ein bisschen reduziert! Das sollte auf alle Fälle genügen...
Die beiden linken FOR-Schleifen laufen ja gleich oft, d.h. man könnte das auch mit einer machen...dann könnte man den Datentyp gleich so zusammenfassen, wie ichs mit der zusätzlichen Schleife demonstriert hab...ich hab auch schon mal nen Graph + ein Chart reingebaut, wie du das dann einbinden willst, musst du selber wissen!
Gruss
Achim
PS: Was mich an dem Testo-VI auch massiv stört: Wenn schon so ein komplizierter Datentyp erzeugt wird, dann sollten wenigsten gerade Linien gezogen werden und nicht so ein Spaghetti-Code auftauchen.l..man sollte schon auf einen Blick sehen, welche Leitung in welchen Eingang läuft...und warum die das mit zwei Schleifen machen und hin und her wandeln, wird sich mir nie erschließen...dafür wollten die hoffentlich nicht noch extra Geld...
"Is there some mightier sage, of whom we have yet to learn?"
"Opportunity is missed by most people because it is dressed in overalls and looks like work." (Thomas Edison)
|
|
|
|
|
10.05.2007, 06:54
|
jg
CLA & CLED
Beiträge: 15.864
Registriert seit: Jun 2005
20xx / 8.x
1999
EN
Franken...
Deutschland
|
Umwandlung in einen anderen Datentyp !!!
@Achim: Ja, das tut weh, gell.
Was ich ja überhaupt nicht verstehe, wieso da die "units" nochmal in ein Array gepackt werden (s. rote Umrandung) und wieso der Ausgang auf jeden Fall ein Array der Größe 10 ist, obwohl ja irgendwie die Anzahl der anliegenden Daten dynamisch ausgelesen wird (s. grüne Umrandung).
Kann Achim nur zustimmen: dafür wollten die hoffentlich nicht noch extra Geld...
MfG, Jens
Wer die erhabene Weisheit der Mathematik tadelt, nährt sich von Verwirrung. (Leonardo da Vinci)
!! BITTE !! stellt mir keine Fragen über PM, dafür ist das Forum da - andere haben vielleicht auch Interesse an der Antwort!
Einführende Links zu LabVIEW, s. GerdWs Signatur.
|
|
|
|
|
10.05.2007, 13:34
|
FlorianM
LVF-Gelegenheitsschreiber
 
Beiträge: 112
Registriert seit: Mar 2007
8.0 8.2
-
kA
89073
Deutschland
|
Umwandlung in einen anderen Datentyp !!!
' schrieb:Ja, das war mir schon klar...nur ist völlig unklar, warum das nicht so gemacht ist wie von mir gezeigt...die doofe Verschachtelung von Testo bringt rein gar nix...hast du mal meinen Screenshot angeschaut? "1D-Array of Cluster of 2 Elements"...die Elements sind zwei Strings...Wert + Einheit...
Das kann ich dir net sagen. Du meinst die Verschachtelung bringt gar nix oder?
Dann werd ich es mal ohen versuchen.
|
|
|
|
10.05.2007, 22:42
(Dieser Beitrag wurde zuletzt bearbeitet: 11.05.2007 08:26 von jg.)
|
jg
CLA & CLED
Beiträge: 15.864
Registriert seit: Jun 2005
20xx / 8.x
1999
EN
Franken...
Deutschland
|
Umwandlung in einen anderen Datentyp !!!
' schrieb:So hier nun mal die Ausgabe wie si nachher Dargestellt wird.
Was ich eher sehen wollte, waren mal die Arrays, die mit meinem VI erzeugt werden.
Der Vorschlag von Achim ist auch ganz gut.
Diese Verschachtelung ist wirklich ziemlich sicher komplett überflüssig. Wir werden wohl doch mal an diesem "Mess-VI" arbeiten müssen.
MfG, Jens
Wer die erhabene Weisheit der Mathematik tadelt, nährt sich von Verwirrung. (Leonardo da Vinci)
!! BITTE !! stellt mir keine Fragen über PM, dafür ist das Forum da - andere haben vielleicht auch Interesse an der Antwort!
Einführende Links zu LabVIEW, s. GerdWs Signatur.
|
|
|
|
| |