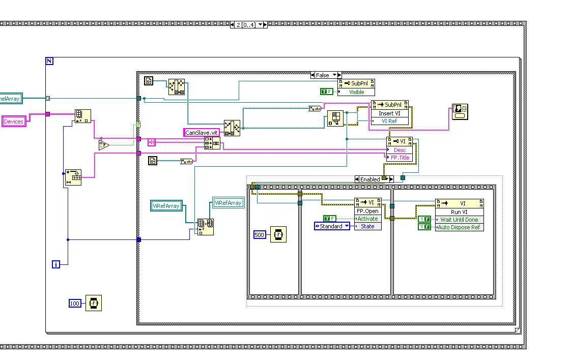
SubVi's in den Subpanels werden nicht gestartet |
Wenn dein Problem oder deine Frage geklärt worden ist, markiere den Beitrag als "Lösung",
indem du auf den "Lösung" Button rechts unter dem entsprechenden Beitrag klickst. Vielen Dank!
|
|
|
| Möglicherweise verwandte Themen... | |||||
| Themen | Verfasser | Antworten | Views | Letzter Beitrag | |
| SUBVI arbeitet nach EXE Erstellung nicht richtig | hulk | 3 | 6.081 |
30.01.2021 18:30 Letzter Beitrag: hulk |
|
| Umgebungsvariablen werden in der gebauten Programmversion nicht geschrieben | hv_Sepp | 1 | 10.300 |
09.10.2017 10:52 Letzter Beitrag: hv_Sepp |
|
| Werden Dateien, in SubVI über Dateipfad referenziert, bei Build in exe geschrieben? | aleho | 2 | 7.908 |
07.04.2016 13:07 Letzter Beitrag: aleho |
|
| Subvi nicht verwendbar in exe | kevin9r | 4 | 7.571 |
22.06.2015 09:53 Letzter Beitrag: jg |
|
| USRP SubVIs können in .exe Datei nicht geöffnet werden | irrational5 | 3 | 7.358 |
17.07.2014 08:26 Letzter Beitrag: GerdW |
|
| Bilder werden auf anderen PC in der exe nicht angezeigt | DomG | 13 | 17.818 |
25.02.2014 20:16 Letzter Beitrag: DomG |
|








