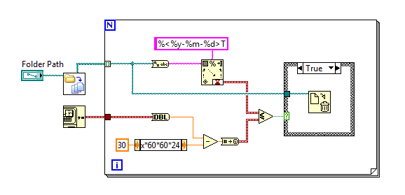
Daten schreiben-Löschen |
Wenn dein Problem oder deine Frage geklärt worden ist, markiere den Beitrag als "Lösung",
indem du auf den "Lösung" Button rechts unter dem entsprechenden Beitrag klickst. Vielen Dank!
| 30
|
|
|
| Möglicherweise verwandte Themen... | |||||
| Themen | Verfasser | Antworten | Views | Letzter Beitrag | |
| Daten in Cluster schreiben | meb2323 | 2 | 4.757 |
25.11.2019 10:25 Letzter Beitrag: Freddy |
|
| Komplexe Daten in eine Datei schreiben | smb | 1 | 4.041 |
19.12.2016 15:33 Letzter Beitrag: GerdW |
|
| unnötige alte Daten aus Graph und Tabelle löschen | Margi | 3 | 4.904 |
24.09.2015 12:45 Letzter Beitrag: GerdW |
|
| daten in tdms datei schreiben | sinwar | 4 | 8.435 |
16.08.2012 11:59 Letzter Beitrag: GerdW |
|
| Daten in SubVI schreiben | rio170 | 7 | 9.525 |
10.02.2011 15:28 Letzter Beitrag: Falk |
|
| Daten in Array schreiben | flizzer82 | 6 | 11.632 |
12.10.2010 10:42 Letzter Beitrag: GerdW |
|



) verwenden...



.
war die beste,
