|
17.11.2007, 11:03
Beitrag #1
|
|
|
|
|
|
17.11.2007, 12:30
Beitrag #2
|
jg
CLA & CLED
Beiträge: 15.864
Registriert seit: Jun 2005
20xx / 8.x
1999
EN
Franken...
Deutschland
|
Daten auslesen über serielle Schnittstelle
Such mal als Einstieg im NI-Examplefinder (falls du einen besitzt, da dein Profil bei LV-Version: keine besagt) nach den Beispielen zur seriellen Kommunikation. Ansonsten steht doch alles im Manual.
Und wenn du dann etwas weiter bist und Fragen hast, poste mal deine Versuche.
MfG, Jens
Wer die erhabene Weisheit der Mathematik tadelt, nährt sich von Verwirrung. (Leonardo da Vinci)
!! BITTE !! stellt mir keine Fragen über PM, dafür ist das Forum da - andere haben vielleicht auch Interesse an der Antwort!
Einführende Links zu LabVIEW, s. GerdWs Signatur.
|
|
|
|
|
17.11.2007, 14:38
Beitrag #3
|
computerpap
LVF-Grünschnabel

Beiträge: 17
Registriert seit: Oct 2007
8.5
2007
kA
8141
Deutschland
|
Daten auslesen über serielle Schnittstelle
Hallo Jens
Danke für die schnelle Antwort. Ich nutze die Version 8.5, im Moment noch im Evalution-Modus. Ich habe mir die Beispiele schon angeschaut. Das Bsp. "Basic Serial Write and Read" sollte meiner Meinung nach auch mit meinem Gerät funktionieren, aber es kommt nach kurzer Zeit immer die Fehlermeldung
"Timout abgelaufen, bevor Operation vollständig" Fehlernr. 1073807339
Keine Ahnung an was das liegen kann.
MfG
computerpap
|
|
|
|
|
17.11.2007, 16:24
Beitrag #4
|
|
|
|
|
|
17.11.2007, 19:39
Beitrag #5
|
computerpap
LVF-Grünschnabel

Beiträge: 17
Registriert seit: Oct 2007
8.5
2007
kA
8141
Deutschland
|
Daten auslesen über serielle Schnittstelle
Habe mir mal das Terminal-Programm heruntergeladen. Was muß ich als String (Befehl) eingeben!
In der Beschreibung zur Science-Box ist folgendes Beispiel (Dezimal) angegeben:
80*0/0*56/0*255*1*0*1*151
Muß das noch in ASCII-Code umgewandelt werden, wenn ja, werden für die "Sternchen" nur Leerzeichen eingegeben?
Wie sieht der String aus?
MfG
computerpap
|
|
|
|
|
17.11.2007, 20:36
Beitrag #6
|
jg
CLA & CLED
Beiträge: 15.864
Registriert seit: Jun 2005
20xx / 8.x
1999
EN
Franken...
Deutschland
|
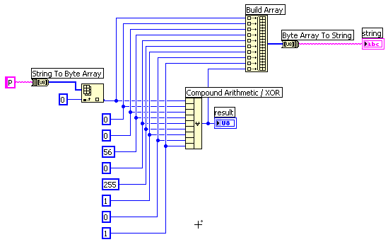
Daten auslesen über serielle Schnittstelle
' schrieb:Was muß ich als String (Befehl) eingeben!
In der Beschreibung zur Science-Box ist folgendes Beispiel (Dezimal) angegeben:
80*0/0*56/0*255*1*0*1*151
Sag mal, jetzt werde ich aber gleich sauer. Hast du dir dieses PDF genau durchgelesen? Was steht über diesem Bsp?:
Zitat:Checksumme bildet sich wie folgt :
Oder- Verknüpfung aller Byte inclusive Kennung, exclusice CS
Beispiel (Dezimal) : 80*0/0*56/0*255*1*0*1*151
Das ist also ein Beispiel dafür, wie die Checksumme gebildet wird.
Die 80 ist der ASCII-Code für das große P. Dann kommt die erste 16bit Zahl, aufgeteilt in 2 Bytes (da immer 0, also 0&0) usw.
Zusammen ergibt das bei (allerdings im Gegensatz zur Beschreibung) XOR-Verknüpfung aller Zahlen eben 151 als Checksumme.
Für das Bsp im "Manual" sieht der String dann am Ende so aus:
(Oben: normale Darstellung, Mitte: Codes Display, Unten: HEX Display)
Und so kann man das Ganze erzeugen:
MfG, Jens
Wer die erhabene Weisheit der Mathematik tadelt, nährt sich von Verwirrung. (Leonardo da Vinci)
!! BITTE !! stellt mir keine Fragen über PM, dafür ist das Forum da - andere haben vielleicht auch Interesse an der Antwort!
Einführende Links zu LabVIEW, s. GerdWs Signatur.
|
|
|
|
|
18.11.2007, 10:43
Beitrag #7
|
computerpap
LVF-Grünschnabel

Beiträge: 17
Registriert seit: Oct 2007
8.5
2007
kA
8141
Deutschland
|
Daten auslesen über serielle Schnittstelle
Hallo Jens
Danke für deine Geduld, ich glaube du hast mir sehr geholfen. Ich werde das ganze heute mal testen.
MfG
computerpap
|
|
|
|
18.11.2007, 19:07
(Dieser Beitrag wurde zuletzt bearbeitet: 29.11.2007 22:03 von jg.)
Beitrag #8
|
|
|
|
|
|
18.11.2007, 22:19
Beitrag #9
|
jg
CLA & CLED
Beiträge: 15.864
Registriert seit: Jun 2005
20xx / 8.x
1999
EN
Franken...
Deutschland
|
Daten auslesen über serielle Schnittstelle
Hallo,
kann dein VI momentan nicht öffnen, habe momentan "nur" 8.2.1 zur Verfügung. Trotzdem hier ein weiterer Tip, wie du 2 ASCII-Zeichen in eine 16bit-Integer wandeln kannst:
Jetzt hast du was zum weiterprogrammieren.
MfG, Jens
Wer die erhabene Weisheit der Mathematik tadelt, nährt sich von Verwirrung. (Leonardo da Vinci)
!! BITTE !! stellt mir keine Fragen über PM, dafür ist das Forum da - andere haben vielleicht auch Interesse an der Antwort!
Einführende Links zu LabVIEW, s. GerdWs Signatur.
|
|
|
|
19.11.2007, 11:42
(Dieser Beitrag wurde zuletzt bearbeitet: 29.11.2007 22:03 von jg.)
|
|
|
|
|
| |