INFO: Dieses Forum nutzt Cookies...
Cookies sind für den Betrieb des Forums unverzichtbar. Mit der Nutzung des Forums erklärst Du dich damit einverstanden, dass wir Cookies verwenden.

Es wird in jedem Fall ein Cookie gesetzt um diesen Hinweis nicht mehr zu erhalten. Desweiteren setzen wir Google Adsense und Google Analytics ein.


Antwort schreiben 

Registerkarte -Tabs mittels Passwort einblenden-?



Wenn dein Problem oder deine Frage geklärt worden ist, markiere den Beitrag als "Lösung",
indem du auf den "Lösung" Button rechts unter dem entsprechenden Beitrag klickst. Vielen Dank!

21.02.2007, 11:13
Beitrag #1

Slive
Unregistered


 







Registerkarte -Tabs mittels Passwort einblenden-?
Hallo Zusammen,

bevor ich zu meinem Problem komme, will dieses tolle Forum und seine Mitglieder loben! Ich lese schon eine Weile mit und fand schon viele wertvolle Tipps.
Nun will ich euch auch mit einem kleinen Problem belästigen:
Beschreibung:
- eine Registerkarte mit drei Tabs
- zwei davon sollten beim Start nicht sichtbar sein
- Passworteingabe im ersten Tab um die anderen zwei sichtbar/benutzbar zu machen

Habe keinen Schimmer, wie ich das anstellen soll Wink.

Liebe Grüße
Slive
Diese Nachricht in einer Antwort zitieren to top
Anzeige
21.02.2007, 11:24
Beitrag #2

eg Offline
LVF-SeniorMod


Beiträge: 3.868
Registriert seit: Nov 2005

2016
2003
kA

66111
Deutschland
Registerkarte -Tabs mittels Passwort einblenden-?
' schrieb:Hallo Zusammen,

bevor ich zu meinem Problem komme, will dieses tolle Forum und seine Mitglieder loben! Ich lese schon eine Weile mit und fand schon viele wertvolle Tipps.
Nun will ich euch auch mit einem kleinen Problem belästigen:
Beschreibung:
- eine Registerkarte mit drei Tabs
- zwei davon sollten beim Start nicht sichtbar sein
- Passworteingabe im ersten Tab um die anderen zwei sichtbar/benutzbar zu machen

Habe keinen Schimmer, wie ich das anstellen soll Wink.

Liebe Grüße
Slive


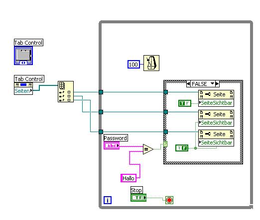
Es geht ungefähr so.

Gruss, Eugen


Angehängte Datei(en) Thumbnail(s)
   

Sonstige .vi  Password.vi (Größe: 16,92 KB / Downloads: 352)

Webseite des Benutzers besuchen Alle Beiträge dieses Benutzers finden
Diese Nachricht in einer Antwort zitieren to top
21.02.2007, 11:26
Beitrag #3

Achim Offline
*****
*****


Beiträge: 4.230
Registriert seit: Nov 2005

20xx
2000
EN

978xx
Deutschland
Registerkarte -Tabs mittels Passwort einblenden-?
Hi,

über PropertyNode des Tabs "Pages" auswählen, und hier dann "Page Visible" TRUE/FALSE setzen (für die gewünschten Pages), wenn das Passwort (String-Eingabe + OK-Button) korrekt ist. Speicherung des PW z.B. in ner Binärdatei....

A.

"Is there some mightier sage, of whom we have yet to learn?"

"Opportunity is missed by most people because it is dressed in overalls and looks like work." (Thomas Edison)
Alle Beiträge dieses Benutzers finden
Diese Nachricht in einer Antwort zitieren to top
21.02.2007, 11:28
Beitrag #4

Slive
Unregistered


 







Registerkarte -Tabs mittels Passwort einblenden-?
Hi Eugen,

danke für die superschnelle Antwort und sogar mit Bildern!!!!!O
Werde mich gleich ans "Coden machen.

Grüße
Slive
Diese Nachricht in einer Antwort zitieren to top
21.02.2007, 11:38
Beitrag #5

Slive
Unregistered


 







Registerkarte -Tabs mittels Passwort einblenden-?
Hallo Achim,

danke für deine Hilfe! Sind "PropertyNodes" Eigenschafsknoten.....
habs gefunden!

Danke!

Grüße
Slive
Diese Nachricht in einer Antwort zitieren to top
21.02.2007, 12:26
Beitrag #6

Slive
Unregistered


 







Registerkarte -Tabs mittels Passwort einblenden-?
Ich bins nochmal,

Funktioniert alles wunderbar!
Spricht was dagegen, wenn ich das alles in die Whileschleife packe?

   

Also funktionieren tuts..

Grüße
Slive
Diese Nachricht in einer Antwort zitieren to top
Anzeige
21.02.2007, 12:36
Beitrag #7

Achim Offline
*****
*****


Beiträge: 4.230
Registriert seit: Nov 2005

20xx
2000
EN

978xx
Deutschland
Registerkarte -Tabs mittels Passwort einblenden-?
Hi,

nein, da spricht nichts dagegen...aber was sollte dafür sprechen? Sobald ein falsches Zeichen in deiner Eingabe ist, wird wieder ausgeblendet und der Code von "Einblenden" wird auch jedes Mal durchgeführt, was Rechenzeit frisst und völlig unnötig ist...du solltest das ganze evtl. in ne Eventstruktur packen. Erst wenn ein Button "Anmelden" gedrückt wird, wird der Fall 1x ausgeführt. Wenn du ne Benutzerverwaltung anlegen willst (verschiedene Zugangsebenen), könntest du das mit ner Datenbank erledigen oder auch wie schon erwähnt durch das Speichern von Passwörtern in ner Binärdatei. Als Masterpasswort könntest du natürlich direkt im Code was hinterlegen.

Was willst du denn genau machen?

A.

"Is there some mightier sage, of whom we have yet to learn?"

"Opportunity is missed by most people because it is dressed in overalls and looks like work." (Thomas Edison)
Alle Beiträge dieses Benutzers finden
Diese Nachricht in einer Antwort zitieren to top
21.02.2007, 12:47
Beitrag #8

Slive
Unregistered


 







Registerkarte -Tabs mittels Passwort einblenden-?
' schrieb:Hi,

nein, da spricht nichts dagegen...aber was sollte dafür sprechen? Sobald ein falsches Zeichen in deiner Eingabe ist, wird wieder ausgeblendet und der Code von "Einblenden" wird auch jedes Mal durchgeführt, was Rechenzeit frisst und völlig unnötig ist...du solltest das ganze evtl. in ne Eventstruktur packen. Erst wenn ein Button "Anmelden" gedrückt wird, wird der Fall 1x ausgeführt. Wenn du ne Benutzerverwaltung anlegen willst (verschiedene Zugangsebenen), könntest du das mit ner Datenbank erledigen oder auch wie schon erwähnt durch das Speichern von Passwörtern in ner Binärdatei. Als Masterpasswort könntest du natürlich direkt im Code was hinterlegen.

Was willst du denn genau machen?

A.

Hi,
es ist eine Software am entstehen, welche Messwerte über USB ausliest. Das Interface ist in drei Bereiche (Tabs) aufgeteilt "User" "Expert1" "Expert2". Die Idee ist, dass beim Start jeder im den Usermode kommt aber nur bestimmte Leute in die Expertenmodi. Also brauche ich nur ein festes Passwort, welches ich dann "Experten" weitergebe. Dieses Passwort sollte im Usermode während der Laufzeit eingegeben werden können und mit "Enter" (kein OK-Button) bestätigt werden.

Grüße
Slive
Diese Nachricht in einer Antwort zitieren to top
21.02.2007, 20:20 (Dieser Beitrag wurde zuletzt bearbeitet: 21.02.2007 20:27 von Lucki.)
Beitrag #9

Lucki Offline
Tech.Exp.2.Klasse
LVF-Team

Beiträge: 7.699
Registriert seit: Mar 2006

LV 2016-18 prof.
1995
DE

01108
Deutschland
Registerkarte -Tabs mittels Passwort einblenden-?
' schrieb:es ist eine Software am entstehen, welche Messwerte über USB ausliest. Das Interface ist in drei Bereiche (Tabs) aufgeteilt "User" "Expert1" "Expert2". Die Idee ist, dass beim Start jeder im den Usermode kommt aber nur bestimmte Leute in die Expertenmodi. Also brauche ich nur ein festes Passwort, welches ich dann "Experten" weitergebe. Dieses Passwort sollte im Usermode während der Laufzeit eingegeben werden können und mit "Enter" (kein OK-Button) bestätigt werden.
Also ich würde das vorgeschlagene Programm noch ein wenig modifizieren: Nach Abschluß seiner Arbeit ruft der Experte wieder die allgemein zugängliche Page 0 auf, und das sollte bewirken, daß die Passworteingabe gelöscht wird. So wie es z.Zt. noch ist, muß man das Programm neu starten, wenn nach Passworteingabe die Pages 2 und 3 wieder geschützt sein sollen.
Das immer vorhandene Feld auf Page 1 für die Passwordeingabe ist auch nicht der letzte Schrei. Besser wären z.B. ausgegraute und deaktivierte Reiter der Pages 2 und 3, und wenn man die anklickt, springt eine kleines Fensterchen auf und verlangt nach dem Password.
Gruß Ludwig
Alle Beiträge dieses Benutzers finden
Diese Nachricht in einer Antwort zitieren to top
22.02.2007, 09:41
Beitrag #10

Slive
Unregistered


 







Registerkarte -Tabs mittels Passwort einblenden-?
' schrieb:Also ich würde das vorgeschlagene Programm noch ein wenig modifizieren: Nach Abschluß seiner Arbeit ruft der Experte wieder die allgemein zugängliche Page 0 auf, und das sollte bewirken, daß die Passworteingabe gelöscht wird. So wie es z.Zt. noch ist, muß man das Programm neu starten, wenn nach Passworteingabe die Pages 2 und 3 wieder geschützt sein sollen.

Hallo Ludwig.

danke für deinen Beitrag. Zum Problem.. Der Experte sollte aber weiterhin im Usermode arbeiten können. Genau heißt das, dass nach einmaliger Passworteingabe alle Tabs offen bleiben, bis das Programm neu gestartet wurde.

Zitat:Das immer vorhandene Feld auf Page 1 für die Passwordeingabe ist auch nicht der letzte Schrei. Besser wären z.B. ausgegraute und deaktivierte Reiter der Pages 2 und 3, und wenn man die anklickt, springt eine kleines Fensterchen auf und verlangt nach dem Password.

Finde ich nen super Vorschlag! Denke aber nicht, dass ich das alleine hinbekomme Wink

Grüße
Slive

Edit: Ich finde keinen Eigenschaftsknoten um Reiter auszugrauenSad
Diese Nachricht in einer Antwort zitieren to top
Antwort schreiben 


Möglicherweise verwandte Themen...
Themen Verfasser Antworten Views Letzter Beitrag
  Ein einziges Element in Registerkarte/Tab Kosmo 4 5.789 04.06.2021 13:41
Letzter Beitrag: jg
Shocked Registerkarte Ebe419 12 15.298 20.02.2018 18:50
Letzter Beitrag: Ebe419
Shocked Registerkarte Reiterbez. umbenennen? Ebe419 2 12.312 06.01.2018 12:29
Letzter Beitrag: Ebe419
Information Registerkarte - verknüpfungen Lou_ders 7 8.125 19.09.2017 12:04
Letzter Beitrag: Lucki
  Passwort Eingabe 911tom 21 17.675 21.03.2017 07:44
Letzter Beitrag: GerdW
Sad Registerkarte weiterschalten mit boolschen Schalter?? lab Neuling 10 13.553 30.11.2016 14:11
Letzter Beitrag: sara2211

Gehe zu: