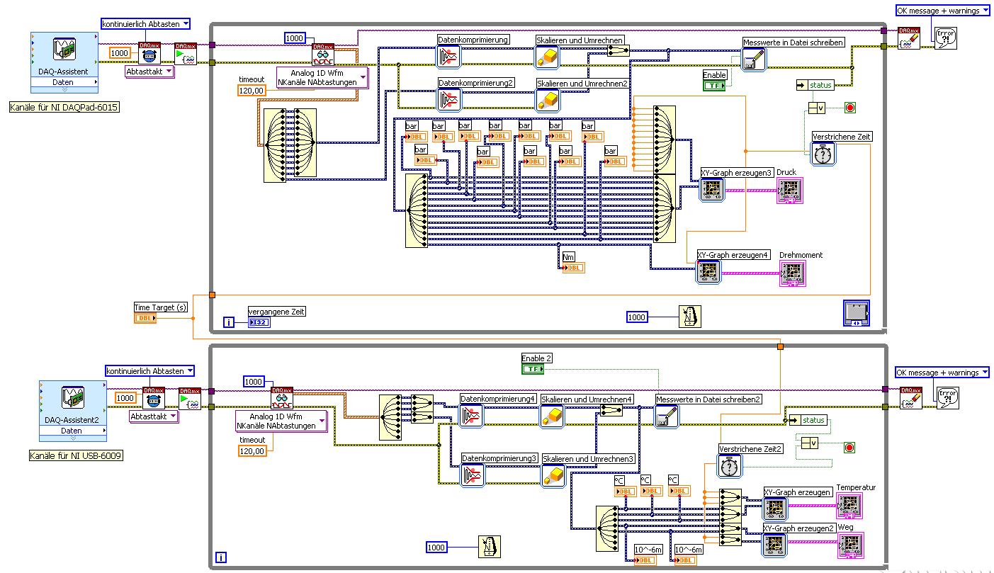
| Schaltplan zum Anschluss von Sensoren an NI DAQPad-6015 | 
Wenn dein Problem oder deine Frage geklärt worden ist, markiere den Beitrag als "Lösung",
indem du auf den "Lösung" Button rechts unter dem entsprechenden Beitrag klickst. Vielen Dank!
| 
 
 
 | 
|  | 
| Möglicherweise verwandte Themen... | |||||
| Themen | Verfasser | Antworten | Views | Letzter Beitrag | |
| Auslesung von KuLite Sensoren | Cmoe | 3 | 5.039 | 12.12.2014 15:15 Letzter Beitrag: Cmoe | |
| Problem mit Signalverarbeitung induktiver Sensoren NI USB 6009 | johannes pröfrock | 13 | 13.641 | 07.11.2013 13:21 Letzter Beitrag: johannes pröfrock | |
| Anschluss-Geräte-Konfiguration für DAQ auslesen | mod | 1 | 4.661 | 25.02.2013 09:44 Letzter Beitrag: Y-P | |
| DAQPad-6015 - Analogenausgang ausschalten | Safa | 2 | 4.537 | 12.02.2013 10:16 Letzter Beitrag: Safa | |
| Anschlusstest für SCB-68 und optionale Sensoren | Pitt | 5 | 6.548 | 26.11.2012 14:14 Letzter Beitrag: Pitt | |
| Timingprobleme mit USB6009 und DAQ Pad 6015 | Dekonstruktor | 2 | 4.851 | 11.07.2012 18:02 Letzter Beitrag: Dekonstruktor | |


 

 
 
 



