INFO: Dieses Forum nutzt Cookies...
Cookies sind für den Betrieb des Forums unverzichtbar. Mit der Nutzung des Forums erklärst Du dich damit einverstanden, dass wir Cookies verwenden.

Es wird in jedem Fall ein Cookie gesetzt um diesen Hinweis nicht mehr zu erhalten. Desweiteren setzen wir Google Adsense und Google Analytics ein.


Antwort schreiben 

Speicher voll aufgrund Speicherauslastung (LabVIEW 2009)



Wenn dein Problem oder deine Frage geklärt worden ist, markiere den Beitrag als "Lösung",
indem du auf den "Lösung" Button rechts unter dem entsprechenden Beitrag klickst. Vielen Dank!

31.05.2010, 08:42
Beitrag #1

Honeygirl24 Offline
LVF-Gelegenheitsschreiber
**


Beiträge: 169
Registriert seit: Jan 2008

8.5 , 8,6 , 2009, 2010
2007
de

90461
Deutschland
Speicher voll aufgrund Speicherauslastung (LabVIEW 2009)
Sehr geehrtes LV Team,

mein Programm ist nach 2 Tagen Durchlauf abgestürzt...mit folgender Begründung...Speicher ist voll.
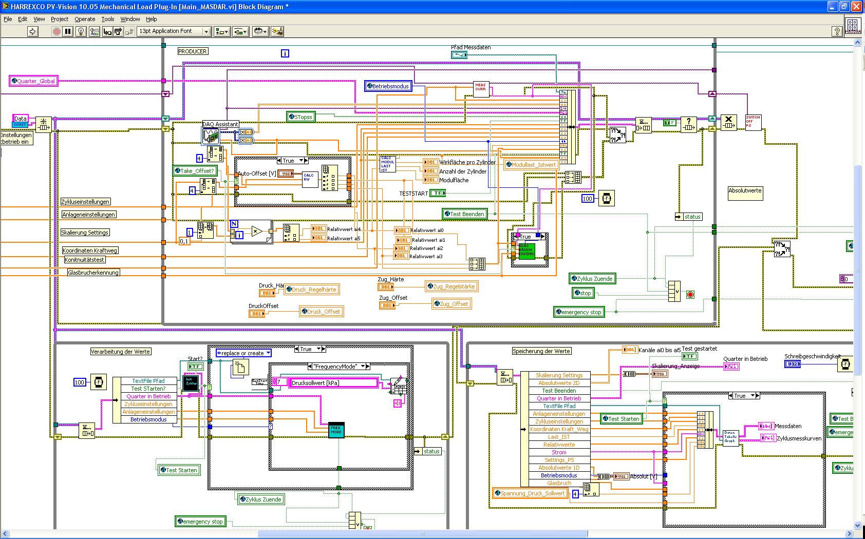
Ich hänge auch ein Programmabschnitt als Bildabschnitt an..
Ich muss dieses Problem dringend bis heute mittag lösen...
Bitte um HilfeSad


Angehängte Datei(en) Thumbnail(s)
   
Alle Beiträge dieses Benutzers finden
Diese Nachricht in einer Antwort zitieren to top
Anzeige
31.05.2010, 08:54 (Dieser Beitrag wurde zuletzt bearbeitet: 31.05.2010 08:55 von dimitri84.)
Beitrag #2

dimitri84 Offline
Astronaut
*****


Beiträge: 1.496
Registriert seit: Aug 2009

2020 Developer Suite
2009
DE_EN

53562
Deutschland
Speicher voll aufgrund Speicherauslastung (LabVIEW 2009)
Das BD Bild versetzt mich zurück in meine Kindheit. Ich denke an diese "Wo ist Walter" Bilder.

http://architektur.kaywa.ch/files/images/2..._1207719827.jpg


Zum Thema: Die beiden Wait-Funktionen in den Verbrauchschleifen könnten ein Problem sein. D.h. die Queue wird zu langsam geleert und die Daten stauen sich.

„Sag nicht alles, was du weißt, aber wisse immer, was du sagst.“ (Matthias Claudius)
Webseite des Benutzers besuchen Alle Beiträge dieses Benutzers finden
Diese Nachricht in einer Antwort zitieren to top
31.05.2010, 08:57
Beitrag #3

jg Offline
CLA & CLED
LVF-Team

Beiträge: 15.864
Registriert seit: Jun 2005

20xx / 8.x
1999
EN

Franken...
Deutschland
Speicher voll aufgrund Speicherauslastung (LabVIEW 2009)
' schrieb:mein Programm ist nach 2 Tagen Durchlauf abgestürzt...mit folgender Begründung...Speicher ist voll.
Ich hänge auch ein Programmabschnitt als Bildabschnitt an..
Ironie
Du bist ein kleiner Scherzkeks, oder? Screenshot von einem BD, das größer ist als der Bildschirm, und wo nicht einmal alles drauf ist, und dann noch...
' schrieb:Ich muss dieses Problem dringend bis heute mittag lösen...

1. Empfehlung: Schmeiß den DAQ-Assi raus und ersetze das durch Standard-DAQmx Funktionen. Nur dann weißt du genau, wann der Task wirklich geöffnet und geschlossen wird. Dem DAQ-Assi traue ich da nicht über den Weg.

Ansonsten leider keine weiteren Ideen, vor allem da meine Glaskugel mal wieder kaputt ist.Glas2

Gruß, Jens

Wer die erhabene Weisheit der Mathematik tadelt, nährt sich von Verwirrung. (Leonardo da Vinci)

!! BITTE !! stellt mir keine Fragen über PM, dafür ist das Forum da - andere haben vielleicht auch Interesse an der Antwort!

Einführende Links zu LabVIEW, s. GerdWs Signatur.
Alle Beiträge dieses Benutzers finden
Diese Nachricht in einer Antwort zitieren to top
31.05.2010, 08:58
Beitrag #4

Honeygirl24 Offline
LVF-Gelegenheitsschreiber
**


Beiträge: 169
Registriert seit: Jan 2008

8.5 , 8,6 , 2009, 2010
2007
de

90461
Deutschland
Speicher voll aufgrund Speicherauslastung (LabVIEW 2009)
Das könnte eventuell sein...
Es ist aber nicht zu vergessen, dass ich in der dritten Schleife Daten in die txt file schreibe und gleichzeitig aus dieser datei zur visualisierung im graphen auslese (Write to spreadsheet file, Read from spreadsheet file)...
Der Test muss teilweise 1000 Stunden laufen...
Alle Beiträge dieses Benutzers finden
Diese Nachricht in einer Antwort zitieren to top
31.05.2010, 09:02 (Dieser Beitrag wurde zuletzt bearbeitet: 31.05.2010 09:09 von dimitri84.)
Beitrag #5

dimitri84 Offline
Astronaut
*****


Beiträge: 1.496
Registriert seit: Aug 2009

2020 Developer Suite
2009
DE_EN

53562
Deutschland
Speicher voll aufgrund Speicherauslastung (LabVIEW 2009)
' schrieb:Das könnte eventuell sein...
Benutz mal das QueueStatus.vi und schau' ob die Anzahl der Elemente mit der Zeit größer wird.

' schrieb:Es ist aber nicht zu vergessen, dass ich in der dritten Schleife Daten in die txt file schreibe und gleichzeitig aus dieser datei zur visualisierung im graphen auslese (Write to spreadsheet file, Read from spreadsheet file)...
Da muss man erst mal drauf kommenWink

Wieso liest du die Daten zum Anzeigen von der Festplatte, wenn sie doch schon im Speicher sind?!

' schrieb:Was soll das, an zwei Stellen im Programm Daten aus der Queue zu entnehmen?
100% ACK. Wie Jens immer so schön sagt. (Hat mich auch stutzig gemacht.)

„Sag nicht alles, was du weißt, aber wisse immer, was du sagst.“ (Matthias Claudius)
Webseite des Benutzers besuchen Alle Beiträge dieses Benutzers finden
Diese Nachricht in einer Antwort zitieren to top
31.05.2010, 09:02 (Dieser Beitrag wurde zuletzt bearbeitet: 31.05.2010 09:11 von jg.)
Beitrag #6

jg Offline
CLA & CLED
LVF-Team

Beiträge: 15.864
Registriert seit: Jun 2005

20xx / 8.x
1999
EN

Franken...
Deutschland
Speicher voll aufgrund Speicherauslastung (LabVIEW 2009)
' schrieb:Das BD Bild versetzt mich zurück in meine Kindheit. Ich denke an diese "Wo ist Walter" Bilder.

http://architektur.kaywa.ch/files/images/2..._1207719827.jpg
Rofl
' schrieb:Zum Thema: Die beiden Wait-Funktionen in den Verbrauchschleifen könnten ein Problem sein. D.h. die Queue wird zu langsam geleert und die Daten stauen sich.
Ist auch eine Möglichkeit. Aber hierzu noch eine ganz andere Rückfrage: Was soll das, an zwei Stellen im Programm Daten aus der selben Queue zu entnehmen? Hast du sichergestellt, dass immer nur eine Schleife läuft? Auf den ersten Blick sehe ich nichts in der Richtung.
Was machst du, denn Schleife 1 ein Element aus der Queue entnimmt, das eigentlich für Schleife 2 bestimmt war? Wenn es aus der Queue mal weg ist, dann isses weg.

Gruß, Jens

Wer die erhabene Weisheit der Mathematik tadelt, nährt sich von Verwirrung. (Leonardo da Vinci)

!! BITTE !! stellt mir keine Fragen über PM, dafür ist das Forum da - andere haben vielleicht auch Interesse an der Antwort!

Einführende Links zu LabVIEW, s. GerdWs Signatur.
Alle Beiträge dieses Benutzers finden
Diese Nachricht in einer Antwort zitieren to top
Anzeige
31.05.2010, 09:17
Beitrag #7

Honeygirl24 Offline
LVF-Gelegenheitsschreiber
**


Beiträge: 169
Registriert seit: Jan 2008

8.5 , 8,6 , 2009, 2010
2007
de

90461
Deutschland
Speicher voll aufgrund Speicherauslastung (LabVIEW 2009)
Ihr scheint alle bei guter Laune zu seinSmile)

Nur für mich ist es heut nicht so spaßig...i
ch habe den Queue Status angesehen...zeit bei allen null an...
Alle Beiträge dieses Benutzers finden
Diese Nachricht in einer Antwort zitieren to top
31.05.2010, 09:20 (Dieser Beitrag wurde zuletzt bearbeitet: 31.05.2010 09:22 von jg.)
Beitrag #8

jg Offline
CLA & CLED
LVF-Team

Beiträge: 15.864
Registriert seit: Jun 2005

20xx / 8.x
1999
EN

Franken...
Deutschland
Speicher voll aufgrund Speicherauslastung (LabVIEW 2009)
' schrieb:Ihr scheint alle bei guter Laune zu seinSmile)
Logisch! Sind wir (fast) immer!
Nochmals mein erster Tipp:
' schrieb:1. Empfehlung: Schmeiß den DAQ-Assi raus und ersetze das durch Standard-DAQmx Funktionen. Nur dann weißt du genau, wann der Task wirklich geöffnet und geschlossen wird. Dem DAQ-Assi traue ich da nicht über den Weg.
Gruß, Jens

EDIT: Mit Tools->Profile->Perfomance and Memory... kannst du in der Entwicklungsumgebung den Speicherverbrauch deiner VIs verfolgen. Vielleicht kannst du den Täter identifizieren.

Wer die erhabene Weisheit der Mathematik tadelt, nährt sich von Verwirrung. (Leonardo da Vinci)

!! BITTE !! stellt mir keine Fragen über PM, dafür ist das Forum da - andere haben vielleicht auch Interesse an der Antwort!

Einführende Links zu LabVIEW, s. GerdWs Signatur.
Alle Beiträge dieses Benutzers finden
Diese Nachricht in einer Antwort zitieren to top
31.05.2010, 09:35 (Dieser Beitrag wurde zuletzt bearbeitet: 31.05.2010 10:08 von dimitri84.)
Beitrag #9

dimitri84 Offline
Astronaut
*****


Beiträge: 1.496
Registriert seit: Aug 2009

2020 Developer Suite
2009
DE_EN

53562
Deutschland
Speicher voll aufgrund Speicherauslastung (LabVIEW 2009)
' schrieb:ch habe den Queue Status angesehen...zeit bei allen null an...
Wer weiß ob das nach langer Laufzeit immer noch so ist. In den Verbraucherschleifen sollten keine Waits rein. Überleg dir das was anderes.

Nachtrag: Wofür ist dort das Status lesen?
   


Und! Wichtiger noch als dein Speicherauslastungsproblem ist die von Jens erwähnte Geschichte mit dem 2-malige Queue lesen. Dir fehlt in jedem Zyklus ein Element entweder in der einen oder in der anderen Verbraucherschleife. Das kann doch bestimmt nicht gewollt sein...

„Sag nicht alles, was du weißt, aber wisse immer, was du sagst.“ (Matthias Claudius)
Webseite des Benutzers besuchen Alle Beiträge dieses Benutzers finden
Diese Nachricht in einer Antwort zitieren to top
31.05.2010, 10:07
Beitrag #10

BsaiboT Offline
LVF-Stammgast
***


Beiträge: 449
Registriert seit: Nov 2009

2010
2007
kA

22459
Deutschland
Speicher voll aufgrund Speicherauslastung (LabVIEW 2009)
' schrieb:Das BD Bild versetzt mich zurück in meine Kindheit. Ich denke an diese "Wo ist Walter" Bilder.

http://architektur.kaywa.ch/files/images/2..._1207719827.jpg
Hab ihn gefunden! Yahoo
Er steht rechts von dem weißen Gebäude, welches sich vorne links im Bild befindet.....

Zum Thema habe ich leider nichts beizutragen, da die Suche nach Waldo schon so viel Zeit gekostet hat....


....und die Dinge, die mir aufgefallen sind bereits genannt wurden.

Obwohl - eine Sache könnte man noch untersuchen: Die fröhliche Verwendung von globalen Variablen. Die können unter Umständen auch zu Problemen führen (Leistung, Wartezeiten, Speicher). Sind die alle sinnvoll und unbedingt notwendig? Ich hab noch nie ein Programm mit so vielen GV gesehen, die auch wirklich alle ihre Existenzberechtigung hatten.

Grüße,
//Tobias
Alle Beiträge dieses Benutzers finden
Diese Nachricht in einer Antwort zitieren to top
30
Antwort schreiben 


Möglicherweise verwandte Themen...
Themen Verfasser Antworten Views Letzter Beitrag
  OHNE VI: Arbeitsspeicher läuft voll ddrayss 8 8.202 12.10.2019 17:05
Letzter Beitrag: ddrayss
  Verfügbaren Speicher von LabVIEW ermitteln th13 1 3.509 29.03.2018 14:12
Letzter Beitrag: GerdW
  Arbeitsplatz läuft voll kompass453 6 5.949 05.09.2017 14:10
Letzter Beitrag: kompass453
  Speicher voll / Programmaufbau yapete 2 5.678 13.12.2016 16:21
Letzter Beitrag: jg
  Speicherauslastung von LabView Trinitatis 5 7.370 07.01.2016 15:08
Letzter Beitrag: Trinitatis
  Arbeitsspeicher läuft voll Michael1984 10 13.050 04.03.2015 09:45
Letzter Beitrag: Y-P

Gehe zu: