INFO: Dieses Forum nutzt Cookies...
Cookies sind für den Betrieb des Forums unverzichtbar. Mit der Nutzung des Forums erklärst Du dich damit einverstanden, dass wir Cookies verwenden.

Es wird in jedem Fall ein Cookie gesetzt um diesen Hinweis nicht mehr zu erhalten. Desweiteren setzen wir Google Adsense und Google Analytics ein.


Antwort schreiben 

Ansteuern einer Case Struktur mit for-Schleife



Wenn dein Problem oder deine Frage geklärt worden ist, markiere den Beitrag als "Lösung",
indem du auf den "Lösung" Button rechts unter dem entsprechenden Beitrag klickst. Vielen Dank!

13.04.2016, 18:46
Beitrag #1

berlinfatih Offline
LVF-Grünschnabel
*


Beiträge: 27
Registriert seit: Apr 2016

2015
2014
EN



Ansteuern einer Case Struktur mit for-Schleife
Guten Tag,
bin neu hier im Forum, mache gerade eine Labviewprojekt mit eine myrio Gerät. Bin auch eine Labview-Einsteiger.
Bin schon an folgenden Problem gestoßen (siehe Bild).
Dabei möchte ich die Seiten der Case Struktur (1,2,3,4) mit eine For-Schleife (Zählt auch 1,2,3,4) ansteuern. das heißt, das die Seiten der Case-Struktur nacheinander aufwärts zählen soll.
Mit eine Enum Wahlschieber geht es wunder. Eine for-Schleife direkt angeschlossen gibt Fehlermeldung (falsche Datentypen angeschlossen).
Nun habe ich im Forum/Internet gelesen das man für Datentypenänderung den Bauteil zwischen den Beiden Fenstern verwenden kann. Aber dabei tut sich nichts.

Hoffe ich konnte genau möglichst das Problem erklären. Vielen Dank für ihre Hiilfe.


Angehängte Datei(en) Thumbnail(s)
   
Alle Beiträge dieses Benutzers finden
Diese Nachricht in einer Antwort zitieren to top
Anzeige
13.04.2016, 18:57 (Dieser Beitrag wurde zuletzt bearbeitet: 13.04.2016 18:59 von GerdW.)
Beitrag #2

GerdW Offline
______________
LVF-Team

Beiträge: 17.528
Registriert seit: May 2009

LV2019 (LV2021)
1995
DE_EN

10×××
Deutschland
RE: Ansteuern einer Case Struktur mit for-Schleife
Hallo fatih,

Zitat:Bin auch eine Labview-Einsteiger.
Dafür gibt es ja die ganzen Links in meiner Signatur! Big Grin

Zitat:Dabei möchte ich die Seiten der Case Struktur (1,2,3,4)
Das sind keine Seiten, sondern Cases…

Zitat:mit eine For-Schleife (Zählt auch 1,2,3,4) ansteuern.
Falsch: die FOR-Loop zählt 0,1,2,3… (Wie in jeder vernünftigen Programmiersprache!)

Zitat:das heißt, das die Seiten der Case-Struktur nacheinander aufwärts zählen soll.
Sinnvollerweise sollte sich die Case-Struktur dafür innerhalb der FOR-Loop befinden, oder?

Zitat:Mit eine Enum Wahlschieber geht es wunder.
Ja, Case-Strukturen können mit Enums umgehen…

Zitat:Eine for-Schleife direkt angeschlossen gibt Fehlermeldung (falsche Datentypen angeschlossen).
Es gibt Fehlermeldungen, weil du es nicht richtig machst!
Wenn die Case-Struktur innerhalb der FOR-Loop wäre, bräuchtest du weder Enum noch irgendwelche sonstigen Funktionen!

Zitat:Nun habe ich im Forum/Internet gelesen das man für Datentypenänderung den Bauteil zwischen den Beiden Fenstern verwenden kann.
Welche "Fenster"? Welches "Bauteil"? LabVIEW hat eine Kontexthilfe, die zeigt dir auch den Namen aller Funktionen an!

Zitat:Aber dabei tut sich nichts.
Da wird sich schon etwas "tuen", aber vielleicht nicht das von dir erwartete… Big Grin

Wenn ich mir so dein ganzes Konstrukt anschaue, gewinne ich den Eindruck, dass du die äußere WHILE-Loop durch eine FOR-Loop ersetzen solltest und dafür die innere FOR-Loop löscht.
Oder was wolltest du mit dieser ganzen FOR-CASE-Mimik erreichen?

Alle Beiträge dieses Benutzers finden
Diese Nachricht in einer Antwort zitieren to top
13.04.2016, 19:42
Beitrag #3

berlinfatih Offline
LVF-Grünschnabel
*


Beiträge: 27
Registriert seit: Apr 2016

2015
2014
EN



RE: Ansteuern einer Case Struktur mit for-Schleife
Hallo Gerd,
ich danke für die schnelle Antwort.
Bin gerade auf dem Weg nach Hause. Werde spätestens morgen früh Antworten können ob es geklappt hat.
Alle Beiträge dieses Benutzers finden
Diese Nachricht in einer Antwort zitieren to top
14.04.2016, 07:58
Beitrag #4

berlinfatih Offline
LVF-Grünschnabel
*


Beiträge: 27
Registriert seit: Apr 2016

2015
2014
EN



RE: Ansteuern einer Case Struktur mit for-Schleife
Hallo,

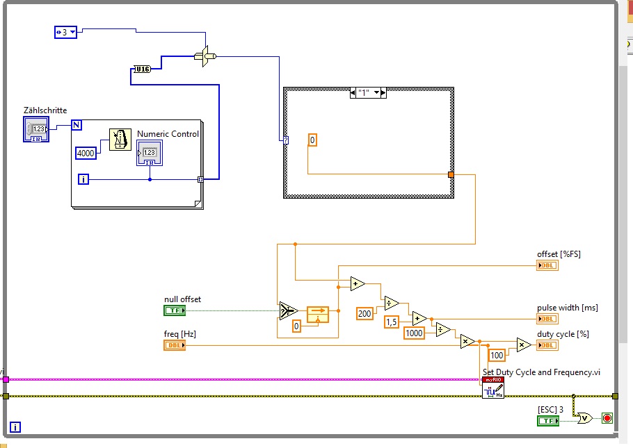
habe wie besprochen die Case-Struktur in die for-Schleife mit reingenommen. Das Ausgang von der Case-Struktur gibt mir eine Datentyp "1-D Array of" und " double 64-Bit" und es kam sozusagen zu eine Fehlermeldung als ich mit der Rest des Programms angeschlossen hatte. Um in zu umgehen habe ich dann Trotzdem die "Type Cast" dazwischen geschaltet.''

Trotzdem habe ich eine Fehlermeldung "No case for some selector values". Im Internet stand, das die Fehlermeldung auftretet, da ich eine nummerischen Wert an Eingang der Case-Struktur verwende.
Hoffe ihr könnt mir Weiterhelfen.


Angehängte Datei(en) Thumbnail(s)
   
Alle Beiträge dieses Benutzers finden
Diese Nachricht in einer Antwort zitieren to top
14.04.2016, 08:06 (Dieser Beitrag wurde zuletzt bearbeitet: 14.04.2016 08:08 von GerdW.)
Beitrag #5

GerdW Offline
______________
LVF-Team

Beiträge: 17.528
Registriert seit: May 2009

LV2019 (LV2021)
1995
DE_EN

10×××
Deutschland
RE: Ansteuern einer Case Struktur mit for-Schleife
Hallo fatih,

Zitat:Trotzdem habe ich eine Fehlermeldung "No case for some selector values".
Die Case-Struktur erwartet für jeden möglichen Wert am Selektor-Input einen passenden Case. Wenn du jetzt einen I32-Wert anschließt (das "i" aus der Loop), dann musst du theoretisch für alle Werte von -2^31 bis 2^31-1 einen Case erstellen. Da das sehr schnell unpraktisch wird, kann man aber auch Bereiche für die Cases angeben und einen Case noch als Standard definieren.

Da das alles aber in der LabVIEW-Hilfe zur Case-Struktur beschrieben wird, solltest du das eigentlich wissen!
Rtmfx


Die Frage nach der Sinnhaftigkeit deiner FOR-Loop hast du aber noch nicht beantwortet!
Generell: eine FOR-Loop, die genau einmal durchläuft, ist Rube-Goldberg-Unsinn!

- Einen Typecast zu verwenden, um einen Wert aus einem Array zu lesen, ist Unsinn. Dafür gibt es Array-Funktionen wie IndexArray!
- Lass die FOR-Loop weg und verwende den Iterator der While-Loop!

Alle Beiträge dieses Benutzers finden
Diese Nachricht in einer Antwort zitieren to top
14.04.2016, 09:46
Beitrag #6

berlinfatih Offline
LVF-Grünschnabel
*


Beiträge: 27
Registriert seit: Apr 2016

2015
2014
EN



RE: Ansteuern einer Case Struktur mit for-Schleife
Tut mir leid, manchmal versteht man Kleinigkeiten nicht mehr, wenn man stundenlang Fehlersuche betreibt.
Habe wie folgt case 3 als Standard definiert.
Mein Problem ist nun, das die for-schleife (wo die Case-Struktur sich befindet) eine Array Ausgabe macht. Diese habe ich ja mit den VI "type cast" in double umgewandelt. Leider kommen nach der umwandlung keine Werte am Ausgang von "type Cast " an.

Bestimmt stelle ich mich sehr doof an.
Danke für die Hilfe.
Alle Beiträge dieses Benutzers finden
Diese Nachricht in einer Antwort zitieren to top
Anzeige
14.04.2016, 10:01
Beitrag #7

GerdW Offline
______________
LVF-Team

Beiträge: 17.528
Registriert seit: May 2009

LV2019 (LV2021)
1995
DE_EN

10×××
Deutschland
RE: Ansteuern einer Case Struktur mit for-Schleife
Hallo fatih,

Zitat:Bestimmt stelle ich mich sehr doof an.
Ja. Big Grin

Warum hängst du nicht einfach mal dein VI an? (Am besten in LV2014 konvertiert über "Datei->Speichern für vorige…")

Alle Beiträge dieses Benutzers finden
Diese Nachricht in einer Antwort zitieren to top
14.04.2016, 10:37
Beitrag #8

berlinfatih Offline
LVF-Grünschnabel
*


Beiträge: 27
Registriert seit: Apr 2016

2015
2014
EN



RE: Ansteuern einer Case Struktur mit for-Schleife
Ich konnte leider nicht in die Version 2014 umwandeln. Fehlerbeschreibung siehe Bild
Datei habe ich aber trotzdem angehangen

Danke für die Mühe


Angehängte Datei(en) Thumbnail(s)
   

15.0 .vi  Main_14.04.16.vi (Größe: 208,17 KB / Downloads: 249)
Alle Beiträge dieses Benutzers finden
Diese Nachricht in einer Antwort zitieren to top
17.04.2016, 17:02
Beitrag #9

GerdW Offline
______________
LVF-Team

Beiträge: 17.528
Registriert seit: May 2009

LV2019 (LV2021)
1995
DE_EN

10×××
Deutschland
RE: Ansteuern einer Case Struktur mit for-Schleife
Hallo fatih,

ich habe dein VI mal so editiert, wie ich mir eine Lösung deines Problems vorstellen könnte.
Mangels Antworten auf meine bisherigen Fragen muss dieses VI aber nicht deinen Vorstellungen entsprechen…


Angehängte Datei(en)
15.0 .vi  Main_14.04.16.vi (Größe: 33,81 KB / Downloads: 273)

Alle Beiträge dieses Benutzers finden
Diese Nachricht in einer Antwort zitieren to top
17.04.2016, 22:10
Beitrag #10

berlinfatih Offline
LVF-Grünschnabel
*


Beiträge: 27
Registriert seit: Apr 2016

2015
2014
EN



RE: Ansteuern einer Case Struktur mit for-Schleife
Hallo Gerd,
vielen dank für deinen Antwort. Ich bin erst am 20. 04. wieder zu hause. Werde es dann umgehend ausprobieren.
Danke für die mühe.
Alle Beiträge dieses Benutzers finden
Diese Nachricht in einer Antwort zitieren to top
Antwort schreiben 


Möglicherweise verwandte Themen...
Themen Verfasser Antworten Views Letzter Beitrag
  Prüfstand mit LabVIEW ansteuern - Schleife mit vielen Zyklen Thomas_E 3 7.150 24.08.2023 13:43
Letzter Beitrag: Thomas_E
  Case-Struktur: Angegebener Case nicht vorhanden braendy 10 8.429 02.02.2021 15:05
Letzter Beitrag: Lucki
  Case Struktur 2 Schleifendurchläufe verzögert True setzen aber sofort auf False bachatero18 4 6.602 07.11.2020 14:08
Letzter Beitrag: Martin.Henz
  CAN Nachrichten in Array verarbeiten und aus Case Struktur weiterverarbeiten Tomate27 4 5.514 17.07.2020 13:30
Letzter Beitrag: Tomate27
  Steuerung, Case-Struktur pixie_2 4 5.034 16.04.2020 14:30
Letzter Beitrag: GerdW
  Event Case Ignoriert Tastendruck wenn in Gegenwart eines anderen "Leeren" Event Case Ksanto 8 9.515 23.10.2017 09:08
Letzter Beitrag: Ksanto

Gehe zu: