INFO: Dieses Forum nutzt Cookies...
Cookies sind für den Betrieb des Forums unverzichtbar. Mit der Nutzung des Forums erklärst Du dich damit einverstanden, dass wir Cookies verwenden.

Es wird in jedem Fall ein Cookie gesetzt um diesen Hinweis nicht mehr zu erhalten. Desweiteren setzen wir Google Adsense und Google Analytics ein.


Antwort schreiben 

Werte aus SubVI werden nicht aktualisiert



Wenn dein Problem oder deine Frage geklärt worden ist, markiere den Beitrag als "Lösung",
indem du auf den "Lösung" Button rechts unter dem entsprechenden Beitrag klickst. Vielen Dank!

04.10.2016, 10:55
Beitrag #1

McButch Offline
LVF-Grünschnabel
*


Beiträge: 24
Registriert seit: May 2016

2015
2015
DE



Werte aus SubVI werden nicht aktualisiert
Hallo Zusammen,

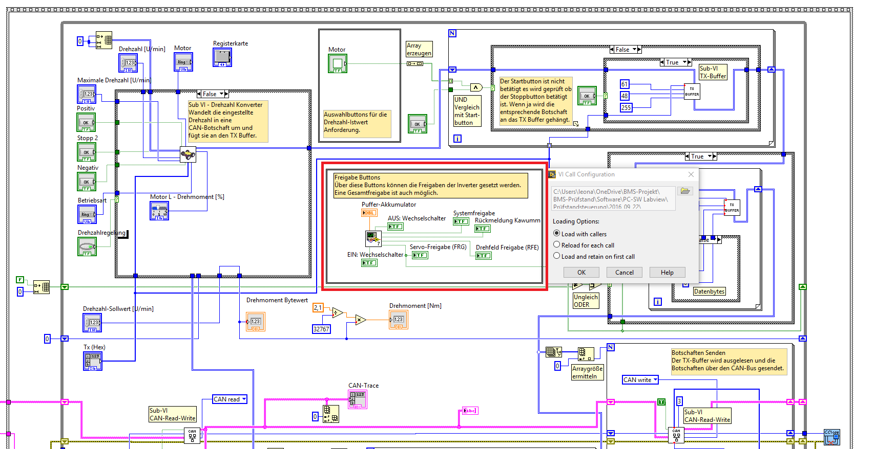
ich bin weiterhin dabei mich in ein größeres Projekt von einem Vorgänger in der FH einzuarbeiten. (Siehe Anhang)

Ich möchte dazu einige Werte, die erfolgreich in einer SubVI von einem I/O-Interface ausgelesen werden, auch im Hauptprogramm anzeigen.

In meinem ersten angehängten Bild sieht man wie sowohl der Analoge Spannungswert, als auch die digitalen Werte "Rückmeldung Kawumm", "BTB-Inverter" usw abgefragt und angezeigt werden. Dies klappt auch problemlos.

Im zweiten Screenshot wird die SubVI aus dem ersten Screenshot aufgerufen und es sollen die gleichen Werte angezeigt werden. Dies klappt leider nicht. Beziehungsweise es wird beim Spannungswert immer der gleiche Wert angezeigt. Dieser ändert sich nur, wenn ich das Symbol für die SubVI im Blockdiagramm lösche und neu erstelle. Danach wird die Anzeige nicht mehr aktualisiert.

Der Dateipfad für die SubVI I/O-Invertersteuerung ist richtig angegeben.

Habt ihr eine idee wo ich mit der Fehlersuche starten könnte?

Ich habe das gesamte Projekt angehangen. Die Screenshots habe ich in LabVIEW 2014 gemacht, aber der LaborPC auf den es ankommt läuft unter LabVIEW 2011.

Gruß


Angehängte Datei(en) Thumbnail(s)
       

8.0 .zip  Prüfstandsteuerung_LabVIEW2011.zip (Größe: 303,21 KB / Downloads: 266)
Alle Beiträge dieses Benutzers finden
Diese Nachricht in einer Antwort zitieren to top
Anzeige
04.10.2016, 11:35 (Dieser Beitrag wurde zuletzt bearbeitet: 04.10.2016 12:53 von Morpheus.)
Beitrag #2

Morpheus Offline
LVF-Gelegenheitsschreiber
**


Beiträge: 205
Registriert seit: Jul 2009

2019 SP1, 2020 SP1
2005
EN

8000
Schweiz
RE: Werte aus SubVI werden nicht aktualisiert
Hallo McButch

Eine Funktion oder SubVI gibt die Rückgabewerte nur an den Aufrufer zurück, wenn die Funktion/SubVI beendet wurde (Datenfluss).
Ich vermute, dass dies bei dir nicht der Fall ist.

Du musst die Werte mit einem anderen Mechanismus zum Hauptprogramm übertragen (FGV, Referenzen, etc.)

Gruss
Chris
Alle Beiträge dieses Benutzers finden
Diese Nachricht in einer Antwort zitieren to top
04.10.2016, 13:50
Beitrag #3

Freddy Offline
Oldtimer
****


Beiträge: 729
Registriert seit: Aug 2008

2019, 2020, 2021
1996
DE

76275
Deutschland
RE: Werte aus SubVI werden nicht aktualisiert
Hallo
Chris hat recht, die Informationen der Schalter werde erst nach dem Ende des Sub-VI ausgegeben.
Du kannst das umgehen, in dem Du mit den Referenzen der Schalter arbeitest.
Du übergibst dem SUB-VI die Referenzen der Schalter dann kannst Du innerhalb des SUB-VI die Schalter manipulieren.
Du musst dann auch kein Ergebnis mehr aus dem SUB-VI herausführen.

Eine für mich schönerer Variante für diese Aufgabe wäre das ganze mit einer Ereignissstruktur über Queues zu verarbeiten.

Gruß
Freddy

Einführende Links zu LabVIEW, s. GerdWs Signatur.
Webseite des Benutzers besuchen Alle Beiträge dieses Benutzers finden
Diese Nachricht in einer Antwort zitieren to top
04.10.2016, 13:58
Beitrag #4

McButch Offline
LVF-Grünschnabel
*


Beiträge: 24
Registriert seit: May 2016

2015
2015
DE



RE: Werte aus SubVI werden nicht aktualisiert
Okay ich glaube ich habe das problem verstanden, aber mit der umsetzung der Lösung bin ich ein wenig überfordert.

Wo kann ich denn nachlesen, wie ich das mit den referenzen mache? Zu FGVs habe ich mir zwar Youtube videos angeschaut aber ich kann es beim besten Willen nicht auf mein Beispiel übertragen.


Gruß
Alle Beiträge dieses Benutzers finden
Diese Nachricht in einer Antwort zitieren to top
04.10.2016, 13:58 (Dieser Beitrag wurde zuletzt bearbeitet: 04.10.2016 14:00 von GerdW.)
Beitrag #5

GerdW Offline
______________
LVF-Team

Beiträge: 17.531
Registriert seit: May 2009

LV2019 (LV2021)
1995
DE_EN

10×××
Deutschland
RE: Werte aus SubVI werden nicht aktualisiert
Hallo Mc,

Offtopic2
- Bei der Gelegenheit gleich mal so viele lokale Variablen wie nur möglich durch Drähte ersetzen: THINK DATAFLOW!
- Controls/Indicator sollten IMMER ein eineindeutiges Label haben: bei dir haben einige Controls leider keinen Namen bzw. ist er im BD ausgeblendet!
- dein "WarnerTimer" greift ziemlich ins Schleifentiming ein, ich finde das ungünstig gelöst…
- die Anzahl der DAQ-Assistenten ließe sich sicherlich erheblich reduzieren…

Alle Beiträge dieses Benutzers finden
Diese Nachricht in einer Antwort zitieren to top
04.10.2016, 14:01 (Dieser Beitrag wurde zuletzt bearbeitet: 04.10.2016 14:01 von McButch.)
Beitrag #6

McButch Offline
LVF-Grünschnabel
*


Beiträge: 24
Registriert seit: May 2016

2015
2015
DE



RE: Werte aus SubVI werden nicht aktualisiert
Hi und danke für die Anmerkungen.


Kann ich nachvollziehen und werde versuchen es umzusetzen.

Die VIs sind nicht von mir. Ich hab es nur übernommen und muss nun ohne vorkenntnisse damit arbeiten :/
Alle Beiträge dieses Benutzers finden
Diese Nachricht in einer Antwort zitieren to top
Anzeige
04.10.2016, 14:16
Beitrag #7

Freddy Offline
Oldtimer
****


Beiträge: 729
Registriert seit: Aug 2008

2019, 2020, 2021
1996
DE

76275
Deutschland
RE: Werte aus SubVI werden nicht aktualisiert
Ich habe mal ein Beispiel wie Referenzen in einem SUB-VI Informationen manipulieren.
Das erste ist das Haupt VI und im zweiten Bild das SUB-VI.

Gruß
Freddy


Angehängte Datei(en) Thumbnail(s)
       

Einführende Links zu LabVIEW, s. GerdWs Signatur.
Webseite des Benutzers besuchen Alle Beiträge dieses Benutzers finden
Diese Nachricht in einer Antwort zitieren to top
04.10.2016, 14:53
Beitrag #8

McButch Offline
LVF-Grünschnabel
*


Beiträge: 24
Registriert seit: May 2016

2015
2015
DE



RE: Werte aus SubVI werden nicht aktualisiert
Danke für deine mühen, aber ohne eine schrittweise anleitung komme ich wohl nicht zum ziel. (Blutiger Anfänger) Sorry Blush

Falls ihr also eine Seite mit einer Anleitung auf deutsch oder englisch kennnt, dürft ihr die gern posten.

Meine Probleme sind zum Beispiel die Folgenden:

Wenn ich in der VI, aus der die Daten gelesen werden soll einen Verweis zur lesenden VI erstelle (Also dieser Kasten, über dem bei dir Anzeige.vi steht, erscheint), kann ich da keine verbindungen ranführen. Bei rechtsklick-> erstellen sind alle optionen ausgegraut.


Meine nächste frage ist wie ich dei Grauen Elemente aus dem zweiten Bild erstelle. Bei dir steht da jeweils Numerisch dran. Wie heißen die teile?

Gruß und danke
Alle Beiträge dieses Benutzers finden
Diese Nachricht in einer Antwort zitieren to top
04.10.2016, 15:29
Beitrag #9

Freddy Offline
Oldtimer
****


Beiträge: 729
Registriert seit: Aug 2008

2019, 2020, 2021
1996
DE

76275
Deutschland
RE: Werte aus SubVI werden nicht aktualisiert
Hallo Mc,
wenn Du überhaupt noch nie mit LV gearbeitet hast bringen meine Beschreibungen nichts.
Schau mal oben bei GerdW, der hat in seiner Signatur einige Links, die helfen Anfängern beim Einstig in die Programmiertechnik
mit LV.

Gruß
Freddy

Einführende Links zu LabVIEW, s. GerdWs Signatur.
Webseite des Benutzers besuchen Alle Beiträge dieses Benutzers finden
Diese Nachricht in einer Antwort zitieren to top
04.10.2016, 15:37
Beitrag #10

GerdW Offline
______________
LVF-Team

Beiträge: 17.531
Registriert seit: May 2009

LV2019 (LV2021)
1995
DE_EN

10×××
Deutschland
RE: Werte aus SubVI werden nicht aktualisiert
Hallo Mc,

Zitat: Ich hab es nur übernommen und muss nun ohne vorkenntnisse damit arbeiten
Du hast dich im Mai hier im Forum registriert, da gehe ich einfach mal von 4 Monaten Vorkenntnissen aus…
In der Zeit solltest du schon mal den einen oder anderen Kurs durchgearbeitet haben!

Alle Beiträge dieses Benutzers finden
Diese Nachricht in einer Antwort zitieren to top
30
Antwort schreiben 


Möglicherweise verwandte Themen...
Themen Verfasser Antworten Views Letzter Beitrag
  Nur ein SubVI in Whileschleife soll verzögert werden mikadm 2 4.092 12.08.2020 14:54
Letzter Beitrag: mikadm
  Aufgerufene SubVI nicht bedienbar L@BTR0N 2 4.820 02.03.2020 13:39
Letzter Beitrag: L@BTR0N
  DAQmx Control Task.v LabView-Ladefehlercode 3: Frontpanel konnte nicht geladen werden RabenFlug 10 8.832 24.10.2019 12:51
Letzter Beitrag: RabenFlug
  Daten werden nicht in die Tabelle geschrieben Lou_ders 6 5.821 03.11.2017 11:36
Letzter Beitrag: jg
  LED-Größe soll nicht an Fenstergröße angepasst werden? dulfried 4 4.972 30.08.2017 14:43
Letzter Beitrag: Appa
  Vi-Einstellungen werden nicht übernommen Janis 5 5.477 13.02.2017 11:09
Letzter Beitrag: Janis

Gehe zu: