INFO: Dieses Forum nutzt Cookies...
Cookies sind für den Betrieb des Forums unverzichtbar. Mit der Nutzung des Forums erklärst Du dich damit einverstanden, dass wir Cookies verwenden.

Es wird in jedem Fall ein Cookie gesetzt um diesen Hinweis nicht mehr zu erhalten. Desweiteren setzen wir Google Adsense und Google Analytics ein.


Antwort schreiben 

Probleme beim Auslesen RS232



Wenn dein Problem oder deine Frage geklärt worden ist, markiere den Beitrag als "Lösung",
indem du auf den "Lösung" Button rechts unter dem entsprechenden Beitrag klickst. Vielen Dank!

15.02.2010, 13:13
Beitrag #1

Guest
Unregistered


 







Probleme beim Auslesen RS232
Hallo,
Ich habe ein etwas merkwürdiges Problem:
Ich lese NMEA-Daten aus einer Seriellen Schnittstelle aus. Diese werden nach der Vorgabe mit CR+LF abgeschlossen.
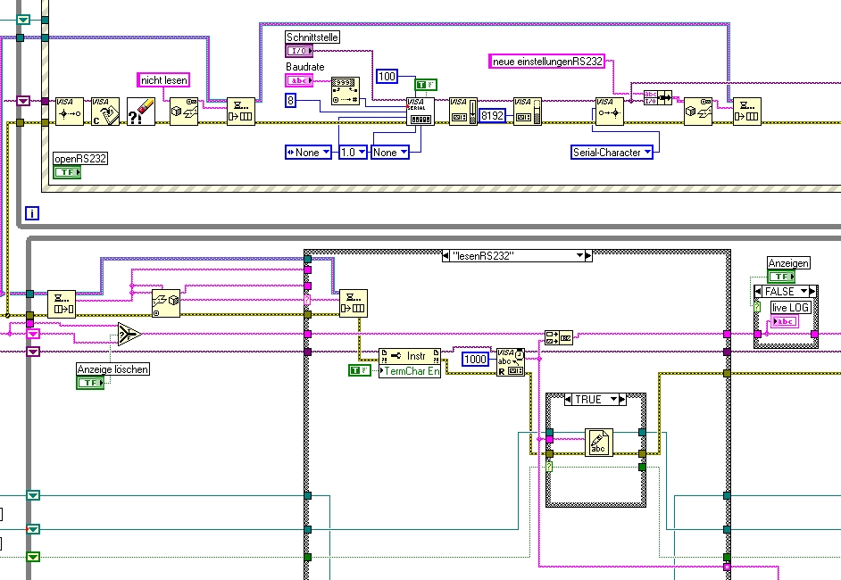
Wenn ich nun die Daten per Schieberegister nacheinander verknüpfe, wird alles korrekt angezeigt. (Bild 1, live LOG in Bild 3)
Die Daten werden gleichzeitig in eine Datei mitgeloggt, und da fängt der Ärger dann an: Wie in Bild 2 zu sehen ist, fehlen da Teile. Vom Sender wird immer abwechselnd VTG und GGA gesendet. Komischerweise tritt der Fehler nur bei der Meldung für VTG auf.
In Bild 3 ist dann der Funktionsteil zu sehen. Ich habe TerminalChar gesetzt, und der Puffer ist auch mehr als großzügig ausgelegt. Eine NMEA-Meldung ist pro Satz auf 77 Bytes begrenzt, soweit ich weiß.
Die Frage ist also: Warum wird im Register alles korrekt gespeichert, aber nicht in der Datei?
Außerdem werden die Meldungen auch noch weiterverarbeitet, auch da kommen für VTG unvollständige Datensätze an, allerdings fehlt da nicht, wie in der LOG Datei der Anfang von VTG, sondern die Kette bricht vor dem Abschlusszeichen ab.
Hat jemand eine Idee dazu?
Lv85_img


Angehängte Datei(en) Thumbnail(s)
           

Sonstige .vi  Monitor1.vi (Größe: 331,32 KB / Downloads: 498)
Diese Nachricht in einer Antwort zitieren to top
Anzeige
15.02.2010, 14:43
Beitrag #2

Guest
Unregistered


 







Probleme beim Auslesen RS232
Achso, da hab ich mich geirrt: Der Fehler tritt bei GGA auf, nicht bei VTG
Diese Nachricht in einer Antwort zitieren to top
15.02.2010, 18:59
Beitrag #3

IchSelbst Offline
LVF-Guru
*****


Beiträge: 3.708
Registriert seit: Feb 2005

11, 14, 15, 17, 18
-
DE

97437
Deutschland
Probleme beim Auslesen RS232
' schrieb:Die Frage ist also: Warum wird im Register alles korrekt gespeichert, aber nicht in der Datei?
Außerdem werden die Meldungen auch noch weiterverarbeitet, auch da kommen für VTG unvollständige Datensätze an, allerdings fehlt da nicht, wie in der LOG Datei der Anfang von VTG, sondern die Kette bricht vor dem Abschlusszeichen ab.
Wenn im Schieberegister (also in der Anzeige am FP) alles richtig drinnen steht, tippe ich auf ein Timingproblem.

Dem Schieberegister, respektive der Operation "Array erstellen" ist es egal, in welchem zeitlichen Abstand einzelne Datenpakete kommen. Auch ist es hier egal, ob ein Datenpaket eigentlich unvollständig ist. Das, was zur Vollständigkeit fehlt, wird halt als nächstes Datenpaket gelesen.

Möglicherweise bringt das VISA-Read-Element einen Fehler. Daher wird die Schreiboperation, die mit diesem Fehler sequenziert wird, nicht durchgeführt.

Ein "halbes" Datenpaket wird auch von der nachfolgenden Berechnung "falsch" interpretiert.

Du müsstest also mal verifizieren, ob der lange (!) String nicht in zwei Teilen eingelesen wird.

Jeder, der zur wahren Erkenntnis hindurchdringen will, muss den Berg Schwierigkeit alleine erklimmen (Helen Keller).
Alle Beiträge dieses Benutzers finden
Diese Nachricht in einer Antwort zitieren to top
16.02.2010, 11:33
Beitrag #4

Guest
Unregistered


 







Probleme beim Auslesen RS232
Wunderbar. Ich hab wohl zu voreilig den Fehlercluster außen vor gelassen. Das hat man davon.
Tatsächlich stellte sich heraus, dass ich mit 100ms Timeout bei der VISA Konfiguration die Übertragungsdauer des langen Strings unterschritten hatte. Nun klappt alles, danke!
Diese Nachricht in einer Antwort zitieren to top
03.03.2010, 15:43
Beitrag #5

Homer82 Offline
LVF-Grünschnabel
*


Beiträge: 21
Registriert seit: Feb 2010

8.2
2009
en

14165
Deutschland
Probleme beim Auslesen RS232
Hallo,

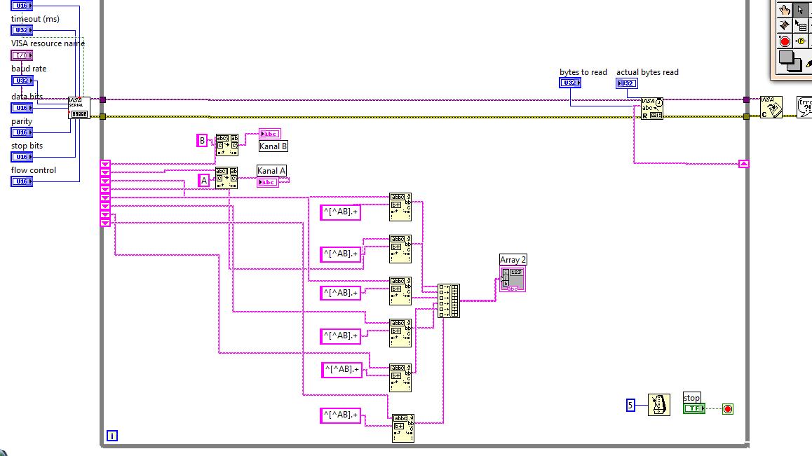
ich nutze das "Advanced Serial Write and Read" zum auslesen einer RS232 Schnittstelle.

Der Sender beendet einen Datensatz mit CRLF. Die Daten sehe ich dann im Textfeld. Soweit so gut.

Sendet der Sender :huh:zwei Datensätze, schickt er schnell "Datensatz1 CRLF" und "Datensatz2 CRLF" hintereinander (siehe Bild "Terminal", dann 40 Sekunden Pause bis zum nächsten senden).

Bei diesem schnellen hintereinander Übertragen scheint der Fehler zu liegen, weil auf dem Bildschirm nichts ankommt und Fehlermeldungen kommen.

Wie programmiere ich LabVIEW, dass ich beide Datensätze sehe
?


Angehängte Datei(en) Thumbnail(s)
       
Alle Beiträge dieses Benutzers finden
Diese Nachricht in einer Antwort zitieren to top
03.03.2010, 18:41
Beitrag #6

IchSelbst Offline
LVF-Guru
*****


Beiträge: 3.708
Registriert seit: Feb 2005

11, 14, 15, 17, 18
-
DE

97437
Deutschland
Probleme beim Auslesen RS232
' schrieb:Fehlermeldungen kommen.
Wie heißt denn der Fehler?

Zitat:Wie programmiere ich LabVIEW, dass ich beide Datensätze sehe?
Naja, musst du halt mal das Programmieren anfangen.

Mach ein Schieberegister, das alle empfangenen Daten enthält. Neue Daten addierst du immer zu denen im Schieberegister. Den Wert im Schieberegister gibt du dann auf das Anzeigeelement.

Jeder, der zur wahren Erkenntnis hindurchdringen will, muss den Berg Schwierigkeit alleine erklimmen (Helen Keller).
Alle Beiträge dieses Benutzers finden
Diese Nachricht in einer Antwort zitieren to top
Anzeige
04.03.2010, 14:49
Beitrag #7

Homer82 Offline
LVF-Grünschnabel
*


Beiträge: 21
Registriert seit: Feb 2010

8.2
2009
en

14165
Deutschland
Probleme beim Auslesen RS232
Danke, mit dem Schieberegister funktioniert soweit
Alle Beiträge dieses Benutzers finden
Diese Nachricht in einer Antwort zitieren to top
05.03.2010, 17:06 (Dieser Beitrag wurde zuletzt bearbeitet: 05.03.2010 17:08 von Homer82.)
Beitrag #8

Homer82 Offline
LVF-Grünschnabel
*


Beiträge: 21
Registriert seit: Feb 2010

8.2
2009
en

14165
Deutschland
Probleme beim Auslesen RS232
Hallo,

mein VI liest Werte über das VISA aus und trennt sie nach A und B "Search/Split String".

Am Anfang sendet das Messgerät aber einen Kopf mit Einstellungen, den ich auch haben will.
Ich habe ein Array erstellt, dass aus dem Schieberegister alles bekommt was nicht A und B ist. (Der Kopf hat knapp 30 Daten, die später im Frontpanel stehen sollen bleiben).

Das Problem ist, die 30 Daten (jetzt noch 5) werden aus dem Array wieder rausgeschoben, durch nachfolgende Daten.
Wie bekommt man das hin, dass quasi von "Device" bis "DATA" alles ausgegeben wird und nicht wieder verdrängt wird?

Mit einer For Schleife um das Array hats nicht funktioniert. Außerdem find ichs blöd 30 mal "Match Regular Expression " zu schreiben.


Danke und Grüße

LV 8.2


Angehängte Datei(en) Thumbnail(s)
           

Sonstige .vi  Fluxus_XII.vi (Größe: 175,73 KB / Downloads: 326)
Alle Beiträge dieses Benutzers finden
Diese Nachricht in einer Antwort zitieren to top
05.03.2010, 17:26 (Dieser Beitrag wurde zuletzt bearbeitet: 05.03.2010 17:27 von GerdW.)
Beitrag #9

GerdW Offline
______________
LVF-Team

Beiträge: 17.536
Registriert seit: May 2009

LV2019 (LV2021)
1995
DE_EN

10×××
Deutschland
Probleme beim Auslesen RS232
Hallo Homer,

ich würd's so machen:
- alles, was bis DATA kommt, in einen Stringindicator schieben
- alles, was danach kommt, zeilenweise auftrennen (z.B. mit SpreadsheetStringToArray und LF als Trennzeichen). Dann kannst du ganz einfach das erste Zeichen der Zeile auswerten und die Daten dann zuordnen.

Momentan überschreibst du halt immer wieder dein Array. Vielleicht wäre dir schon damit geholfen, wenn du ein weiteres Shiftregister nimmst, um die aktuellen Werte an die vorhandenen anhängen zu können?

Alle Beiträge dieses Benutzers finden
Diese Nachricht in einer Antwort zitieren to top
05.03.2010, 18:11
Beitrag #10

Homer82 Offline
LVF-Grünschnabel
*


Beiträge: 21
Registriert seit: Feb 2010

8.2
2009
en

14165
Deutschland
Probleme beim Auslesen RS232
Danke für die schnelle Antwort, ich werd mich Montag:Dan die Arbeit machen
Alle Beiträge dieses Benutzers finden
Diese Nachricht in einer Antwort zitieren to top
30
Antwort schreiben 


Möglicherweise verwandte Themen...
Themen Verfasser Antworten Views Letzter Beitrag
  RS232 - Rückgabewerte auslesen Kaya 8 7.316 24.10.2023 14:28
Letzter Beitrag: GerdW
  Auslesen RS232 M.M.H. 3 6.845 12.11.2021 09:23
Letzter Beitrag: M.M.H.
  VISA: I/O Fehler beim Auslesen einer seriellen Schnittstelle konne 5 9.482 19.07.2017 13:04
Letzter Beitrag: konne
  Servomex Messwerte auslesen über RS232/RS485 Chefkoch 6 11.033 18.07.2016 13:54
Letzter Beitrag: jg
  RS232 Messgerät Probleme ElJon 9 11.133 18.12.2015 11:30
Letzter Beitrag: ElJon
  Probleme mit RS232 king5000 6 8.305 23.09.2015 14:42
Letzter Beitrag: king5000

Gehe zu: