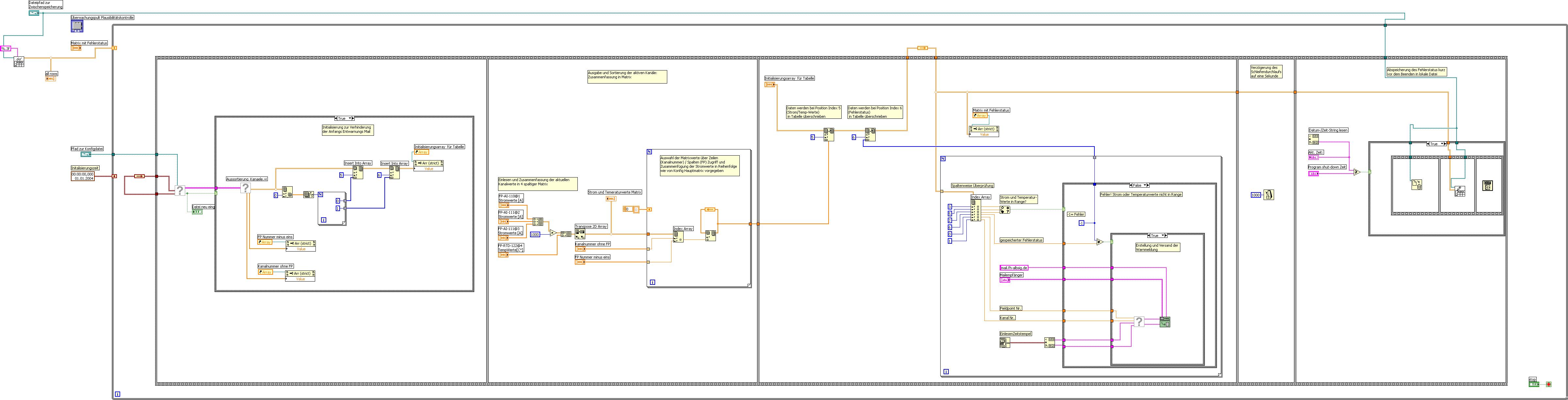
Bestehende Matrix erweitern!!! |
Wenn dein Problem oder deine Frage geklärt worden ist, markiere den Beitrag als "Lösung",
indem du auf den "Lösung" Button rechts unter dem entsprechenden Beitrag klickst. Vielen Dank!
| 30
|
|
|
| Möglicherweise verwandte Themen... | |||||
| Themen | Verfasser | Antworten | Views | Letzter Beitrag | |
| Registerkarten Erweitern | Mechatroniker28 | 1 | 3.603 |
23.04.2018 06:50 Letzter Beitrag: GerdW |
|
| 1x1 Matrix in Scalar | Heber | 2 | 4.528 |
13.09.2017 13:56 Letzter Beitrag: jg |
|
| Baumstruktur auf 3. Ebene erweitern | andrepf | 3 | 5.290 |
30.03.2016 16:29 Letzter Beitrag: jg |
|
| Matlab N-dim Matrix | Vaati | 4 | 5.811 |
26.02.2016 19:11 Letzter Beitrag: Vaati |
|
| Matrix in For-Schleife auslesen | thunder24 | 14 | 13.519 |
22.02.2016 14:18 Letzter Beitrag: thunder24 |
|
| Während Laufzeit Funktionen im Programm hinzufügen/erweitern | manuwestern | 5 | 6.432 |
18.08.2014 19:25 Letzter Beitrag: manuwestern |
|











