|
25.10.2013, 08:34
|
GerdW
______________
Beiträge: 17.538
Registriert seit: May 2009
LV2019 (LV2021)
1995
DE_EN
10×××
Deutschland
|
RE: Massflowcontroller steuern und bei Bedarf Rampenfahren

Hallo rc,
wenn du bei dieser Schleife die Werte ausgeben willst, solltest du auch die Werte und nicht deren Referenzen anschließen...
|
|
|
|
|
25.10.2013, 13:09
|
|
|
|
|
28.10.2013, 12:13
|
GerdW
______________
Beiträge: 17.538
Registriert seit: May 2009
LV2019 (LV2021)
1995
DE_EN
10×××
Deutschland
|
RE: Massflowcontroller steuern und bei Bedarf Rampenfahren
Hallo rc,
Zitat:ich wollte fragen wie ich im dritten state schaffe, dass wenn die zündvariable den Wert 5 erreicht( Also 5 Mal Zündung), die O2 Vol.-% als Mittelwert aus 5 Werten ins Datei gespeichert wird?
Pseudocode:
Code:
IF Zähl_Variabel = 5 THEN
Speichere Mittelwert(gemerkte Werte) in Datei
ENDIF
Die "gemerkten Werte" (deine O2Vol%-Werte) speichert man in einem Schieberegister (wo sonst?) in Form eines Arrays...
Zitat:Zweite Frage: An den A/D-Wandler habe ich im Moment nicht angeschlossen also es ist nur Grundrauschen . Aber trotzdem wird ständig gezündet ( rotes Leuchten ), d.h: in State Maschine wird ständing zwischen 4 und 5 gehüpft. Muss ich da in dem Programmteil für DAQmx das Signal filtern oder so was? Was mache ich da Falsch?
In State 3 entscheidest du anhand von "Zündung", ob die mit State 4 oder 5 weitermachst. Wenn du den Eindruck hast, dass hier nicht richtig entschieden wird, musst du wohl überprüfen, ob "Zündung" richtig berechnet wird...
|
|
|
|
|
28.10.2013, 16:24
|
GerdW
______________
Beiträge: 17.538
Registriert seit: May 2009
LV2019 (LV2021)
1995
DE_EN
10×××
Deutschland
|
RE: Massflowcontroller steuern und bei Bedarf Rampenfahren

Hallo rc,
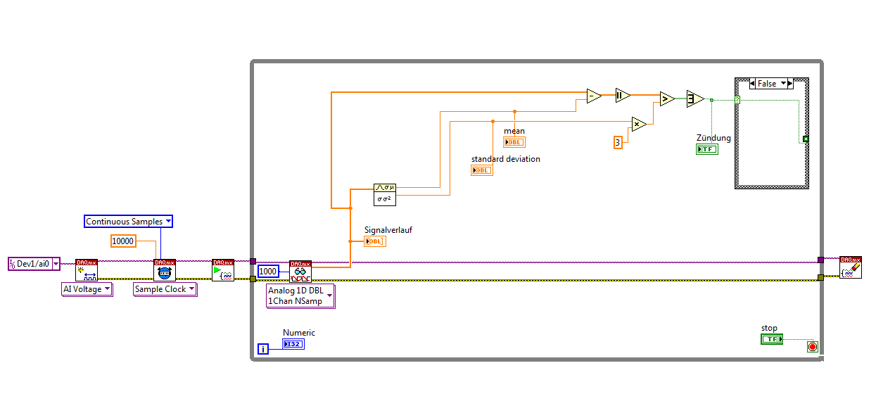
Zitat:in diesen Shift-Register, was ich im bild habe, wird jetzt nur die Anzahl der Zündungen gespeichert oder? Verstehe ich richtig?
Momentan wird dort nur der Zähler gespeichert...
Zitat:Ich muss in diesen Register die " gemerkten O2-vol.% Werte " speichern? Aber welche Werte sind die denn?
Richtig erkannt. Nimm aber nicht "dieses", sondern ein neues Schieberegister!
Welche Werte das sind? Nun: du sagst doch selbst, dass du dort irgendwelche O2%-Angaben speichern willst... Dann musst du auch eben diese dort speichern!
Zitat:Von 4. oder 5. State?

Du solltest die Werte immer dann ins Schieberegister schreiben, wenn du es für nötig/richtig erachtest. Ob das nun der State4 oder 5 ist, musst du schon selbst wissen...
|
|
|
|
|
29.10.2013, 10:39
|
GerdW
______________
Beiträge: 17.538
Registriert seit: May 2009
LV2019 (LV2021)
1995
DE_EN
10×××
Deutschland
|
RE: Massflowcontroller steuern und bei Bedarf Rampenfahren
Hallo rc,
Rauschen entfernt man üblicherweise durch (Tiefpass-)Filtern (und Mittelwertbildung ist auch ein Tiefpass).
Wo man das macht? Am besten schon vor der Messwerterfassung mit echter Hardware (z.B. RC-Glieder). Ansonsten direkt nach der Messwerterfassung per DAQmxRead...
|
|
|
|
|
30.10.2013, 14:32
|
|
|
|
| |