INFO: Dieses Forum nutzt Cookies...
Cookies sind für den Betrieb des Forums unverzichtbar. Mit der Nutzung des Forums erklärst Du dich damit einverstanden, dass wir Cookies verwenden.

Es wird in jedem Fall ein Cookie gesetzt um diesen Hinweis nicht mehr zu erhalten. Desweiteren setzen wir Google Adsense und Google Analytics ein.


Antwort schreiben 

Massflowcontroller steuern und bei Bedarf Rampenfahren



Wenn dein Problem oder deine Frage geklärt worden ist, markiere den Beitrag als "Lösung",
indem du auf den "Lösung" Button rechts unter dem entsprechenden Beitrag klickst. Vielen Dank!

07.10.2013, 10:40 (Dieser Beitrag wurde zuletzt bearbeitet: 07.10.2013 10:45 von rc.)
Beitrag #1

rc Offline
LVF-Gelegenheitsschreiber
**


Beiträge: 149
Registriert seit: Jul 2013

2011, 2012
-
DE_EN


Deutschland
Massflowcontroller steuern und bei Bedarf Rampenfahren
Hallo Freunde,

endlich habe ich ein teilweise von mir, teilweise von Bronkhorst und teilweise mit Hilfestellungen Guru1 erstelltes VI,in dem ich drei MFC`s von Bronkhorst steuern kann (zumindest denke und hoffe ich so). Allerdings gibt es da paar Fehler oder wohl überflüssige Programmteile, wodurch ich die Änderungen der Massenflüsse nicht beobachten kann. Ich kann zwar die MFC`s mit Hilfe von DDE über FLOWBUS ansprechen aber wenn ich z.B die Setpoints(Sollwert) ändere, sehe ich im Flowplot keine änderungen. Im Moment stehen die MFC`s an dem schreibtisch ohne irgendwelche Gasleitungen. Trotzdem sollte das kein Problem sein oder?

Wie könnte ich die Änderungen anhand eines Diagramms sehen? Ich habe hier schon über dieses Thema Hilfe bekommen allerdings war mein Programm ziemlich klein. Jetzt habe ich alles in einem Hut, also das Programm für die Zündbedingung ( wenn in dem Zündkammer eine Zündung stattfindet, soll der MFC angesprochen und sollwert ändern und dann Rampenfahrt durchführen ( z.B: 5ml/min.) ) und das Programm für den digitalisierung der analogen Spannungssignal über den AD-Wandler (mit Hilfe von DAQmx) und Programm für die steuerung der MFC`s ( Das von Bronkhorst heruntergeladene VI für die MFC`wurden in meinem HauptVI erweitert.

Und irgendwie leuft das Programm zu langsam. Ich dachte die Event-Strukturen machen es irgendwie flotter. Sad


Angehängte Datei(en)
11.0 .vi  Hauptprogram_bronkhorst flowdde module sample.vi (Größe: 110,03 KB / Downloads: 463)
Alle Beiträge dieses Benutzers finden
Diese Nachricht in einer Antwort zitieren to top
Anzeige
07.10.2013, 11:43 (Dieser Beitrag wurde zuletzt bearbeitet: 07.10.2013 11:44 von GerdW.)
Beitrag #2

GerdW Offline
______________
LVF-Team

Beiträge: 17.533
Registriert seit: May 2009

LV2019 (LV2021)
1995
DE_EN

10×××
Deutschland
RE: Massflowcontroller steuern und bei Bedarf Rampenfahren
Hallo rc,

deinem VI fehlen die subVIs, deshalb nur Kommentare zum Main:
- TimeOut-Events ohne TimeOut-Vorgabe können gelöscht werden
- Wozu das Wertänderungs-Event zu "sp mfc 1" etc. in der Deaktivierungsstruktur? Was soll es bringen, den Outputcluster neu zu erstellen, wenn sich nichts an den Clusterelementen (Referenzen usw.) ändert?
- Wozu die Schieberegister in der Messschleife? Die Daten werden nirgends wiederverwendet...
- Warum mehrere Schleifen mit Event-Strukturen statt nur einer Schleife mit einer Eventstruktur? Alles, was länger dauert, gehört nicht in die Eventstruktur! (Bei dir die Rampenfahrt. Das zugehörige Event sollte auch auf Wertänderung statt Mausklick achten...)
- Wenn man einen DAQmx-Task anlegt, sollte man ihn auch löschen: dies ist ein deiner Deaktivierungsstruktur für den Fall "Deaktiviert" nicht gegeben...
- ich halte flache Sequenzen für übersichtlicher als gestapelte...
- warum wird "sp mfc 1" vor und nach der Rampe "enabled"?

Alle Beiträge dieses Benutzers finden
Diese Nachricht in einer Antwort zitieren to top
07.10.2013, 12:37 (Dieser Beitrag wurde zuletzt bearbeitet: 07.10.2013 12:40 von rc.)
Beitrag #3

rc Offline
LVF-Gelegenheitsschreiber
**


Beiträge: 149
Registriert seit: Jul 2013

2011, 2012
-
DE_EN


Deutschland
RE: Massflowcontroller steuern und bei Bedarf Rampenfahren
Hallo Gerd,

vieln Dank für deine Antwort!

- Wozu das Wertänderungs-Event zu "sp mfc 1" etc. in der Deaktivierungsstruktur? Was soll es bringen, den Outputcluster neu zu erstellen, wenn sich nichts an den Clusterelementen (Referenzen usw.) ändert?

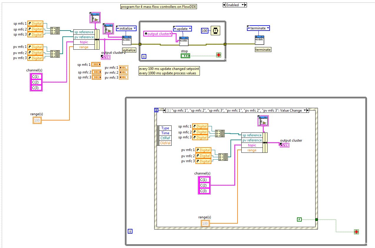
Das war am amfang mein Problem. Ich wusste eben nicht ob von der Bronkhorst Homepage heruntergeladene VI für 4 MFC`s meine MFC`s steuern kann. Irgendwie sah es so aus, dass in dem kleinen while-Schleife die Werte nicht aktualisiert werden. Also das Program macht am Anfang was aber danach läuft er nur in dauerschleife ( so wie ich das irgendwie verstanden habe). Jetzt denke ich mir auch ob ich die größe While-Schleife komplett löschen soll. ( Deshalb habe ich auch " Cluster2" erstellt). Dazu ein Bild im Anhang

- Wozu die Schieberegister in der Messschleife? Die Daten werden nirgends wiederverwendet...

Meinste Schleife für DAQmx ? Ich habe das Programm geschrieben damit ich die analoge Signal digitalisiert aufnehmen kann. Mit Schiebe-Registern dachte ich die Spannungswerte speichernBlush

Warum mehrere Schleifen mit Event-Strukturen statt nur einer Schleife mit einer Eventstruktur? Alles, was länger dauert, gehört nicht in die Eventstruktur! (Bei dir die Rampenfahrt. Das zugehörige Event sollte auch auf Wertänderung statt Mausklick achten...)

Am Anfang habe ich das genauso gemacht aber hat nicht geklappt. Meinst du ganz oben MAusklich mit " Value chanced" ändern?

Wenn man einen DAQmx-Task anlegt, sollte man ihn auch löschen: dies ist ein deiner Deaktivierungsstruktur für den Fall "Deaktiviert" nicht gegeben...

?Bahn

warum wird "sp mfc 1" vor und nach der Rampe "enabled"?

Ich möchte nur mit einem MFC Rampe fahren, weil ich denke dass, wenn die alle drei das machen oder machen können, kommt das System durcheinander oder nicht? Wobei ich noch nicht weiss ob ich mfc 1 oder mfc 3 rampefahren lassen sollte. Das kann man doch aber ändern oder?

Im Anhang sin auch die SubVI`s

Und das ist das kleine Programm um das ich alles gebaut habe und das Programm für die Signalaufnahme und anschließende Zündkriterium.


Angehängte Datei(en) Thumbnail(s)
   

11.0 .vi  Hauptprogram_bronkhorst flowdde module sample.vi (Größe: 110,08 KB / Downloads: 311)

11.0 .vi  XY_to_file.vi (Größe: 40,44 KB / Downloads: 294)

11.0 .vi  bronkhorst flowdde module 1.vi (Größe: 35,81 KB / Downloads: 301)

11.0 .llb  bronkhorst flowdde.llb (Größe: 228,46 KB / Downloads: 295)

11.0 .vi  bronkhorst flowdde module sample.vi (Größe: 32,13 KB / Downloads: 318)

11.0 .vi  Signalanalyse_mit DAQmx.vi (Größe: 16,79 KB / Downloads: 304)
Alle Beiträge dieses Benutzers finden
Diese Nachricht in einer Antwort zitieren to top
07.10.2013, 13:12
Beitrag #4

GerdW Offline
______________
LVF-Team

Beiträge: 17.533
Registriert seit: May 2009

LV2019 (LV2021)
1995
DE_EN

10×××
Deutschland
RE: Massflowcontroller steuern und bei Bedarf Rampenfahren
Hallo rc,

kennst du Programme wie ZIP oder 7zip oder RAR? Da müsste man nicht 7 Einzeldateien herunterladen, sondern nur eine Archivdatei...

Alle Beiträge dieses Benutzers finden
Diese Nachricht in einer Antwort zitieren to top
07.10.2013, 13:24
Beitrag #5

rc Offline
LVF-Gelegenheitsschreiber
**


Beiträge: 149
Registriert seit: Jul 2013

2011, 2012
-
DE_EN


Deutschland
RE: Massflowcontroller steuern und bei Bedarf Rampenfahren
OOh sorry ! Ich wusste nicht, dass man Win-zip Datei schicken kann! Entschuldigung
Alle Beiträge dieses Benutzers finden
Diese Nachricht in einer Antwort zitieren to top
07.10.2013, 14:35
Beitrag #6

rc Offline
LVF-Gelegenheitsschreiber
**


Beiträge: 149
Registriert seit: Jul 2013

2011, 2012
-
DE_EN


Deutschland
RE: Massflowcontroller steuern und bei Bedarf Rampenfahren
Hallo noch mal,

Also jetzt sind die Whhile-Schleife mit Output Cluster und Timeouts weg. Flatseq. statt gestapelte habe ich genommen. Ich sehe jetzt im Flowplot, dass die Measurement Kurve sich um den 0,13 ändert, also da wird was gemessen anscheinend auch wenn MFC leer ist. Aber wenn ich SetPoint auf dem Control Panel ändere und dann auch den Startwert für die Rampe, sehe ich im Flowplot eine Sollwer von 80 %. Wie geht das? Vertausche ich etwa die Channels oder wie?

Ist es normal das wenn die Zündung statfindet ( d.h. die Zündkriterium wird erfüllt und dementsprechend auf dem Front Panel leuchtet es Rot und dazu Signal ton), dass es auf dem Panel immer noch rot leuchtet und irgenndwie alles langsam wird? Ich möchte, dass es genau in dem Zeit Punkt leuchtet und der zugehörige Zeitpunkt und der Konzentration an Gase gespeicher werden und dann wieder die Konzentration bisschen reduzieren und danach wieder rampe fahren bis es wieder zündet.

Vielen vieln Dank!


Angehängte Datei(en)
11.0 .vi  Hauptprogram_bronkhorst flowdde module sample.vi (Größe: 103,34 KB / Downloads: 289)
Alle Beiträge dieses Benutzers finden
Diese Nachricht in einer Antwort zitieren to top
Anzeige
08.10.2013, 09:52
Beitrag #7

rc Offline
LVF-Gelegenheitsschreiber
**


Beiträge: 149
Registriert seit: Jul 2013

2011, 2012
-
DE_EN


Deutschland
RE: Massflowcontroller steuern und bei Bedarf Rampenfahren
??????
Alle Beiträge dieses Benutzers finden
Diese Nachricht in einer Antwort zitieren to top
08.10.2013, 10:27 (Dieser Beitrag wurde zuletzt bearbeitet: 08.10.2013 10:28 von GerdW.)
Beitrag #8

GerdW Offline
______________
LVF-Team

Beiträge: 17.533
Registriert seit: May 2009

LV2019 (LV2021)
1995
DE_EN

10×××
Deutschland
RE: Massflowcontroller steuern und bei Bedarf Rampenfahren
Hallo rc,

Zitat:Ist es normal das wenn die Zündung statfindet ( d.h. die Zündkriterium wird erfüllt und dementsprechend auf dem Front Panel leuchtet es Rot und dazu Signal ton), dass es auf dem Panel immer noch rot leuchtet und irgenndwie alles langsam wird?
Normal ist das sicherlich nicht...
Hast du was mit Debugging herausgefunden? Du musst bedenken, dass wir dein VI mangels Hardware nicht (sinnvoll) ausführen können!

Zitat:Ich möchte, dass es genau in dem Zeit Punkt leuchtet und der zugehörige Zeitpunkt und der Konzentration an Gase gespeicher werden und dann wieder die Konzentration bisschen reduzieren und danach wieder rampe fahren bis es wieder zündet.
Wenn du etwas möchtest, dann musst du es programmieren...

Tipps:
- Eine saubere Programmstruktur hilft, den Überblick zu behalten.
- Abläufe lassen sich sehr schön mit Statemachines programmieren...

Alle Beiträge dieses Benutzers finden
Diese Nachricht in einer Antwort zitieren to top
08.10.2013, 12:50
Beitrag #9

rc Offline
LVF-Gelegenheitsschreiber
**


Beiträge: 149
Registriert seit: Jul 2013

2011, 2012
-
DE_EN


Deutschland
RE: Massflowcontroller steuern und bei Bedarf Rampenfahren
Hallo Gerd,

Du hast recht! Natürlich muss ICH es programmieren. Ich versuche auch die ganze Zeit was vernünftiges zu basteln aber irgendwie komm ich nicht weiter. Es tut mir leid für die Belästigung!

Hast du was mit Debugging herausgefunden?

Im Case Struktur hat der Bolean und das Peep-Symbol keine Verbindung. Ich versuche die beide irgendwie zusammen zu bringen/schalten, sodass im True- case leuchten und peepsen gleichzeitig auftreten und wenn es nicht mehr peepst, dass es wieder grün wird. Das mit dem Signalton klappt das aber mit Leuchten nicht. Das mit dem Speichern des Zeitpunktes und der zugehörigen ist-Wert von Gasgehalt habe ich versucht mit spreadsheet zu realisieren aber es klappt nicht. Ich habe zwar das Event-Struktur für speichern der Messdaten auf dem BD. Obwohl ich Base File Path und File Path mit einem Ordner in dem ich die Ergebnisse speichern will gefüllt habe aber am Ende bekomme ich eine leere datei. Nicht mehr.


Angehängte Datei(en)
11.0 .vi  Hauptprogram_bronkhorst flowdde module sample.vi (Größe: 102,54 KB / Downloads: 255)
Alle Beiträge dieses Benutzers finden
Diese Nachricht in einer Antwort zitieren to top
08.10.2013, 13:59
Beitrag #10

GerdW Offline
______________
LVF-Team

Beiträge: 17.533
Registriert seit: May 2009

LV2019 (LV2021)
1995
DE_EN

10×××
Deutschland
RE: Massflowcontroller steuern und bei Bedarf Rampenfahren
Hallo rc,

Zitat:Hast du was mit Debugging herausgefunden?
Wie oben schon geschrieben: wir können dein Programm mangels Hardware nicht sinnvoll laufen lassen...

Zitat:Im Case Struktur hat der Bolean und das Peep-Symbol keine Verbindung. Ich versuche die beide irgendwie zusammen zu bringen/schalten, sodass im True- case leuchten und peepsen gleichzeitig auftreten
Die Funktion nennt sich Beep, so steht es in meiner Kontexthilfe. Wozu willst du da "Zündung" und Beep per Draht verbinden? Was soll das bringen?
Beide sind im gleichen Case, werden also (quasi) gleichzeitig ausgeführt.

Zitat:und wenn es nicht mehr peepst, dass es wieder grün wird.
Dann musst du ein FALSE nach "Zündung" schreiben. Also anders ausgedrückt: "Zündung" gehört außerhalb der Casestruktur und wird mit dem Ausgang der "OR Array"-Funktion verbunden...

Die Schieberegister in der Messschleife sind immer noch sinnlos. Du speicherst zwar Werte darin - die benutzt du dann aber nirgends. Wozu also überhaupt speichern? Hmm

Alle Beiträge dieses Benutzers finden
Diese Nachricht in einer Antwort zitieren to top
30
Antwort schreiben 


Möglicherweise verwandte Themen...
Themen Verfasser Antworten Views Letzter Beitrag
  Bedienelemente nach Bedarf ein / ausblenden 1johleh 14 24.267 31.05.2017 13:18
Letzter Beitrag: MaxP
  Bedienelemente bei Bedarf aktivieren/deaktivieren Schrammi 11 22.005 01.04.2015 10:33
Letzter Beitrag: tobi45f
  While schleife die bei bedarf sofort abbricht Crowdie 5 8.094 24.05.2011 21:54
Letzter Beitrag: gm-axion
  Arrays dynamisch nach Bedarf erzeugen betas 3 5.549 16.03.2011 14:42
Letzter Beitrag: betas
  Numeric Control nur nach Bedarf einblenden??? francois 2 4.766 26.06.2008 12:41
Letzter Beitrag: francois

Gehe zu: