INFO: Dieses Forum nutzt Cookies...
Cookies sind für den Betrieb des Forums unverzichtbar. Mit der Nutzung des Forums erklärst Du dich damit einverstanden, dass wir Cookies verwenden.

Es wird in jedem Fall ein Cookie gesetzt um diesen Hinweis nicht mehr zu erhalten. Desweiteren setzen wir Google Adsense und Google Analytics ein.


Antwort schreiben 

Signal für 10 Minuten halten



Wenn dein Problem oder deine Frage geklärt worden ist, markiere den Beitrag als "Lösung",
indem du auf den "Lösung" Button rechts unter dem entsprechenden Beitrag klickst. Vielen Dank!

15.04.2016, 10:50
Beitrag #1

TenaciousTim Offline
LVF-Grünschnabel
*


Beiträge: 21
Registriert seit: Apr 2016

2012
2015
DE



Signal für 10 Minuten halten
Guten Tag zusammen,

Ich bin ein Neuling auf dem LabVIEW Gebiet und habe mich zu diesem Zweck hier angemeldet.
Ich muss im nächsten Monat ein bestehendes Programm erweitern und verbessern.

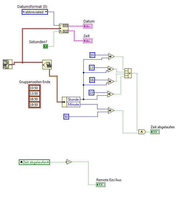
Momentan erstelle ich eine Funktion welche die Fernsteuerung einer Anlage an bestimmten Uhrzeiten für 10 Minuten ausschaltet um die Anlage zu reseten.

Dazu vergleiche ich die aktuelle Uhrzeit mit den Uhrzeiten an denen die Anlage herunterfahren soll. Ist dies der Fall bekomme ich ein True Signal welches z.Z. für eine Minute gehalten wird (immer die 50. Minute). Ich könnte auch einfach sagen: Tu das gleiche bei Minute 51,52,......,59, dass wäre aber ziemlich unelegant.

Wie kann ich also das True-Signal um 9 Minuten verlängern an der Stelle? Und gibt es für den Uhrzeitenvergleich noch eine sauberere Lösung? Wie gesagt ich bin blutiger Anfänger.




Vielen Dank
Gruß Tim


Angehängte Datei(en) Thumbnail(s)
   
Alle Beiträge dieses Benutzers finden
Diese Nachricht in einer Antwort zitieren to top
Anzeige
15.04.2016, 11:06
Beitrag #2

Freddy Offline
Oldtimer
****


Beiträge: 729
Registriert seit: Aug 2008

2019, 2020, 2021
1996
DE

76275
Deutschland
RE: Signal für 10 Minuten halten
Versuch es mal mit einer Sequenz.

Gruß
Freddy


Angehängte Datei(en) Thumbnail(s)
   

Einführende Links zu LabVIEW, s. GerdWs Signatur.
Webseite des Benutzers besuchen Alle Beiträge dieses Benutzers finden
Diese Nachricht in einer Antwort zitieren to top
15.04.2016, 11:12
Beitrag #3

TenaciousTim Offline
LVF-Grünschnabel
*


Beiträge: 21
Registriert seit: Apr 2016

2012
2015
DE



RE: Signal für 10 Minuten halten
Danke Freddy,

Ich werde das mal nachbauen und gucken was es tut.

Es soll zu den "Gruppenzeiten Ende" die Fernsteuerung ausgeschaltet sein (dann folgt eine Prozedur welche die Anlage herunter fährt) und dann wieder nach 10 Minuten soll die Remote-Steuerung wieder aktiviert sien damit ein Neustart iniziiert weden kann.

Geht das damit?

Gruß Tim
Alle Beiträge dieses Benutzers finden
Diese Nachricht in einer Antwort zitieren to top
15.04.2016, 11:14
Beitrag #4

Freddy Offline
Oldtimer
****


Beiträge: 729
Registriert seit: Aug 2008

2019, 2020, 2021
1996
DE

76275
Deutschland
RE: Signal für 10 Minuten halten
Die Zeitkonstante ist bei 3 Minuten =180000.
Du musst die Konstante entsprechend anpassen.

Einführende Links zu LabVIEW, s. GerdWs Signatur.
Webseite des Benutzers besuchen Alle Beiträge dieses Benutzers finden
Diese Nachricht in einer Antwort zitieren to top
15.04.2016, 11:41
Beitrag #5

TenaciousTim Offline
LVF-Grünschnabel
*


Beiträge: 21
Registriert seit: Apr 2016

2012
2015
DE



RE: Signal für 10 Minuten halten
In diesem Fall ist es so, dass er bei jedem durchlauf der flachen Sequenz 15 Sekunden wartet. Meine Zeitanzeige hüpft auch immer 15 Sekunden.

Wie bekomme ich das hin dass das Programm Punkt Minute 50 Remote auf False schaltet und Punkt 00 wieder auf True?


Angehängte Datei(en) Thumbnail(s)
   
Alle Beiträge dieses Benutzers finden
Diese Nachricht in einer Antwort zitieren to top
15.04.2016, 12:08 (Dieser Beitrag wurde zuletzt bearbeitet: 15.04.2016 12:09 von Freddy.)
Beitrag #6

Freddy Offline
Oldtimer
****


Beiträge: 729
Registriert seit: Aug 2008

2019, 2020, 2021
1996
DE

76275
Deutschland
RE: Signal für 10 Minuten halten
Zitat:Wie bekomme ich das hin dass das Programm Punkt Minute 50 Remote auf False schaltet und Punkt 00 wieder auf True?
Du musst den ersten Teil der Sequenz in eine While Schleife packen.
Die While Schleife "bei True stoppen" wird mit "Bearbeitungszeit abgelaufen" verbunden.
Die Uhrzeitabfrage muss auch in die While Schleife.
Wenn sich das dann wiederholen soll muss noch eine While Schleife um alles.

Gruß
Freddy

Einführende Links zu LabVIEW, s. GerdWs Signatur.
Webseite des Benutzers besuchen Alle Beiträge dieses Benutzers finden
Diese Nachricht in einer Antwort zitieren to top
15.04.2016, 12:21
Beitrag #7

BNT Offline
LVF-Freak
****


Beiträge: 745
Registriert seit: Aug 2008

5.0 - 22Q3
1999
EN

64291
Deutschland
RE: Signal für 10 Minuten halten
   

So geht Warten ohne Schleife und CPU-Belastung.

Gruß Holger

GnuPG Key: B849 FDB6 F701 1C92, refer to http://www.gnupg.org for details.
Webseite des Benutzers besuchen Alle Beiträge dieses Benutzers finden
Diese Nachricht in einer Antwort zitieren to top
15.04.2016, 12:34
Beitrag #8

TenaciousTim Offline
LVF-Grünschnabel
*


Beiträge: 21
Registriert seit: Apr 2016

2012
2015
DE



RE: Signal für 10 Minuten halten

Akzeptierte Lösung

Danke für eure schnelle Hilfe!

Ich denke ich habe mich für das richtige Forum entschieden.

Das Problem bei Freddys Vorschlag ist, dass während der Schleife nur die Schleife ausgeführt wird und dann quasi 10 Minuten lang alles unkontrollierbar wird.

Ich habe das Problem ohne "Warte-Funktion" gelöst.

Ich hatte ja geschrieben dass ich einfach das gleiche für die Minuten 51,52, etc hätte machen können. Ich habe einfach aus dem "Minute"=50 ein "Minute">= 50 gemacht. Genius! So sendet er das Signal ab Minute 50 und bei Minute 0 ist er ja wieder kleiner als 50.

Ich danke euch trotzdem. Die Wartefunktion von Holger werde ich sicher noch brauchen und die Programmierung von Freddy bringt mich auch weiter.

Gruß Tim
Alle Beiträge dieses Benutzers finden
Diese Nachricht in einer Antwort zitieren to top
15.04.2016, 12:41
Beitrag #9

Freddy Offline
Oldtimer
****


Beiträge: 729
Registriert seit: Aug 2008

2019, 2020, 2021
1996
DE

76275
Deutschland
RE: Signal für 10 Minuten halten
Hallo Tim,
wenn Deine Frage ein Teil in einem VI war, bei dem weiter Aktivitäten stattfinden. Dann solltest Du dir Das Projekt "Nachrichten Queue" anschauen.

Gruß
Freddy

Einführende Links zu LabVIEW, s. GerdWs Signatur.
Webseite des Benutzers besuchen Alle Beiträge dieses Benutzers finden
Diese Nachricht in einer Antwort zitieren to top
18.04.2016, 09:26
Beitrag #10

RMR Offline
Laborkater
**


Beiträge: 239
Registriert seit: Nov 2008

09f1 - 2010SP1(f4) - 2012SP1f5 - 2014 SP1f10 -2017f3
2009
DE_EN

76437
Deutschland
RE: Signal für 10 Minuten halten
(15.04.2016 12:21 )BNT schrieb:  So geht Warten ohne Schleife und CPU-Belastung.

Ja bin ich denn völlig danaben? Was ist das für eine Booleanfunktion? Habe alles bei der Booleanpalette durch, etwas mit Punkt (Kreis) finde ich nicht. Blush
Leider kann ich das Snipet nicht ziehen, arbeite noch noch mit Version 14.

Danke & Keep on, Ralf

100nF passen immer.
Alle Beiträge dieses Benutzers finden
Diese Nachricht in einer Antwort zitieren to top
30
Antwort schreiben 


Möglicherweise verwandte Themen...
Themen Verfasser Antworten Views Letzter Beitrag
  Protokoll -> mehrere Daten in ein Protokoll im 5 Minuten Takt Ripchip 4 6.175 23.01.2018 18:50
Letzter Beitrag: GerdW
  Messwertspeicherung der letzten X Minuten einer Aufzeichnung Roland 17 12.254 20.06.2017 20:45
Letzter Beitrag: GerdW
  Schwellenwert, Wert "halten" Hattorii 3 6.349 18.05.2014 12:23
Letzter Beitrag: Hattorii
  Automatisches Starten nach x minuten und speichern der Messdaten Simon85 6 6.736 27.03.2013 15:45
Letzter Beitrag: GerdW
  Button entweder drücken oder gedrückt halten Golan 16 17.975 13.03.2013 14:08
Letzter Beitrag: Golan
  Button drücken oder halten Doppelfunktion Chasing 1 3.947 22.12.2012 19:15
Letzter Beitrag: GerdW

Gehe zu: