INFO: Dieses Forum nutzt Cookies...
Cookies sind für den Betrieb des Forums unverzichtbar. Mit der Nutzung des Forums erklärst Du dich damit einverstanden, dass wir Cookies verwenden.

Es wird in jedem Fall ein Cookie gesetzt um diesen Hinweis nicht mehr zu erhalten. Desweiteren setzen wir Google Adsense und Google Analytics ein.


Antwort schreiben 

Umwandlung in einen anderen Datentyp !!!



Wenn dein Problem oder deine Frage geklärt worden ist, markiere den Beitrag als "Lösung",
indem du auf den "Lösung" Button rechts unter dem entsprechenden Beitrag klickst. Vielen Dank!

11.05.2007, 05:39
Beitrag #21

Achim Offline
*****
*****


Beiträge: 4.226
Registriert seit: Nov 2005

20xx
2000
EN

978xx
Deutschland
Umwandlung in einen anderen Datentyp !!!
' schrieb:Hmm irgendwie klapp das nicht so witrklich.... Pccrash

Hmm irgendwie solltest du vielleicht ein klein wenig konkreter werden...

"Is there some mightier sage, of whom we have yet to learn?"

"Opportunity is missed by most people because it is dressed in overalls and looks like work." (Thomas Edison)
Alle Beiträge dieses Benutzers finden
Diese Nachricht in einer Antwort zitieren to top
Anzeige
11.05.2007, 06:40
Beitrag #22

FlorianM Offline
LVF-Gelegenheitsschreiber
**


Beiträge: 112
Registriert seit: Mar 2007

8.0 8.2
-
kA

89073
Deutschland
Umwandlung in einen anderen Datentyp !!!
' schrieb:Hmm irgendwie solltest du vielleicht ein klein wenig konkreter werden...

Nee ich meinte das ganze ohne so viele Schleifen zu realisieren, da die einzelnen Aufschlüsselungen immer durch die Forschleifen nzur so werde, damit diese ausgegeben werden können.
Alle Beiträge dieses Benutzers finden
Diese Nachricht in einer Antwort zitieren to top
11.05.2007, 06:53
Beitrag #23

Achim Offline
*****
*****


Beiträge: 4.226
Registriert seit: Nov 2005

20xx
2000
EN

978xx
Deutschland
Umwandlung in einen anderen Datentyp !!!
' schrieb:Nee ich meinte das ganze ohne so viele Schleifen zu realisieren, da die einzelnen Aufschlüsselungen immer durch die Forschleifen nzur so werde, damit diese ausgegeben werden können.

Ganz ehrlich: Ich versteh nicht, was du uns sagen willst....

"Is there some mightier sage, of whom we have yet to learn?"

"Opportunity is missed by most people because it is dressed in overalls and looks like work." (Thomas Edison)
Alle Beiträge dieses Benutzers finden
Diese Nachricht in einer Antwort zitieren to top
11.05.2007, 17:26
Beitrag #24

FlorianM Offline
LVF-Gelegenheitsschreiber
**


Beiträge: 112
Registriert seit: Mar 2007

8.0 8.2
-
kA

89073
Deutschland
Umwandlung in einen anderen Datentyp !!!
' schrieb:Ganz ehrlich: Ich versteh nicht, was du uns sagen willst....

Okay du hast recht, das war auch Bockmist was ich da geschrieben habe.

Also das ist so, ich habe die einzelnen Teile aus den Forschleifen genommen, doch leider beimneu verkabeln kam dann, dass die Datentypen nimmer übereinstimmen. D.h. nur durch die Forschleifen werden die daten so wie sie sind.
Ist das verständlicher, ich meinte, dass die Daten die von einzelnen Forschleifen rauskommen dann wieder zusammenpassen, was ohne Forschleifen nicht der Fall ist.
Alle Beiträge dieses Benutzers finden
Diese Nachricht in einer Antwort zitieren to top
11.05.2007, 18:00
Beitrag #25

jg Offline
CLA & CLED
LVF-Team

Beiträge: 15.864
Registriert seit: Jun 2005

20xx / 8.x
1999
EN

Franken...
Deutschland
Umwandlung in einen anderen Datentyp !!!
Hallo,

nachdem ich bisher keine Antwort auf meine Rückfrage bekommen habe (wie sehen die beiden Arrays aus, die du mit dem von mir hochgeladenen VI erzeugen könntest), hier ein neuer Vorschlag, nämlich eine deutliche Vereinfachung des "testo_measure1.vi"

   

Rückgabeparameter wäre dann die Variable "appended array", die erst einmal nur noch ein 2D-String-Array ist. Da ist dann die Weiterverarbeitung deutlich einfacher.

Ob man die beiden For-Schleifen wirklich zusammenfassen kann, bin ich mir nicht sicher, da ja da noch eine Art Umschaltbefehl (diese InvokeNode "Get") dazwischenhängt. Ohne weitere Doku kenn ich mich halt nicht mit dem Protokoll von dem Testo-Gerät aus (P.S.: Und da werde ich mich vorerst auch nicht reinvertiefen!).

Hast du eigentlich schon mal den anderen Vorschlag von Achim zur Graph-Darstellung nachgebaut?

MfG, Jens

Wer die erhabene Weisheit der Mathematik tadelt, nährt sich von Verwirrung. (Leonardo da Vinci)

!! BITTE !! stellt mir keine Fragen über PM, dafür ist das Forum da - andere haben vielleicht auch Interesse an der Antwort!

Einführende Links zu LabVIEW, s. GerdWs Signatur.
Alle Beiträge dieses Benutzers finden
Diese Nachricht in einer Antwort zitieren to top
11.05.2007, 21:20
Beitrag #26

FlorianM Offline
LVF-Gelegenheitsschreiber
**


Beiträge: 112
Registriert seit: Mar 2007

8.0 8.2
-
kA

89073
Deutschland
Umwandlung in einen anderen Datentyp !!!
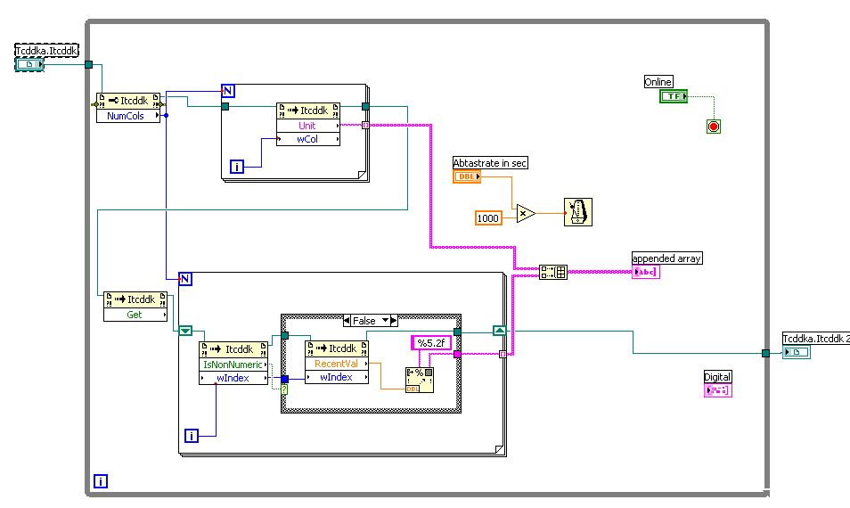
' schrieb:Hallo,

nachdem ich bisher keine Antwort auf meine Rückfrage bekommen habe (wie sehen die beiden Arrays aus, die du mit dem von mir hochgeladenen VI erzeugen könntest), hier ein neuer Vorschlag, nämlich eine deutliche Vereinfachung des "testo_measure1.vi"

[attachment=33185:Namenlos.png]

Rückgabeparameter wäre dann die Variable "appended array", die erst einmal nur noch ein 2D-String-Array ist. Da ist dann die Weiterverarbeitung deutlich einfacher.

Ob man die beiden For-Schleifen wirklich zusammenfassen kann, bin ich mir nicht sicher, da ja da noch eine Art Umschaltbefehl (diese InvokeNode "Get") dazwischenhängt. Ohne weitere Doku kenn ich mich halt nicht mit dem Protokoll von dem Testo-Gerät aus (P.S.: Und da werde ich mich vorerst auch nicht reinvertiefen!).

Hast du eigentlich schon mal den anderen Vorschlag von Achim zur Graph-Darstellung nachgebaut?

MfG, Jens

Ja das mit der Signaldarstellung habe ich getestet, das Programm ist dabei allerdings abgestürzt. lol

Okay dann mal vielen Dank fürs erste werde da dann am Dienstag daran weitermachen.
Alle Beiträge dieses Benutzers finden
Diese Nachricht in einer Antwort zitieren to top
Anzeige
15.05.2007, 12:29
Beitrag #27

FlorianM Offline
LVF-Gelegenheitsschreiber
**


Beiträge: 112
Registriert seit: Mar 2007

8.0 8.2
-
kA

89073
Deutschland
Umwandlung in einen anderen Datentyp !!!
Hallo zusammen !!!

Also hab das mit den Arrays wie folgt realisiert. Es funktioniert uach nur will ich nun die Daten in ein Diagramm visuaklisieren und irgendwie bekomm ich das nicht hin, da ich den Datentyp net umwandeln kann. Kann mir da jemand einen Tipp geben BITTE !!!


Liebe Grüße
FlorianM


Angehängte Datei(en)
Sonstige .vi  Control_Unit_Example_HS_Ulm.vi (Größe: 42,48 KB / Downloads: 206)
Alle Beiträge dieses Benutzers finden
Diese Nachricht in einer Antwort zitieren to top
15.05.2007, 13:40
Beitrag #28

Achim Offline
*****
*****


Beiträge: 4.226
Registriert seit: Nov 2005

20xx
2000
EN

978xx
Deutschland
Umwandlung in einen anderen Datentyp !!!
Hi,

wenn du noch mal runterspeicherst auf 8.0 guck ich mal...und Profil_ergaenzen

"Is there some mightier sage, of whom we have yet to learn?"

"Opportunity is missed by most people because it is dressed in overalls and looks like work." (Thomas Edison)
Alle Beiträge dieses Benutzers finden
Diese Nachricht in einer Antwort zitieren to top
15.05.2007, 14:14
Beitrag #29

jg Offline
CLA & CLED
LVF-Team

Beiträge: 15.864
Registriert seit: Jun 2005

20xx / 8.x
1999
EN

Franken...
Deutschland
Umwandlung in einen anderen Datentyp !!!
' schrieb:Hi,

wenn du noch mal runterspeicherst auf 8.0 guck ich mal...und Profil_ergaenzen
Profil und LV8.0? kann ja wohl nicht stimmen, schließlich waren deine VI's bisher in V8.2! Ach ja, und ein Screenshot der Array's mit Daten wäre hilfreich, damit wir sehen, was (Zahlen, Strings, ...) jetzt wo drin steht. Wir haben deine Testo-Hardware nämlich nicht!

Und: Zum Umwandeln von Strings in Zahlen, da hat Achim auch schon mal was gepostet in diesem Thread!

MfG, Jens

Wer die erhabene Weisheit der Mathematik tadelt, nährt sich von Verwirrung. (Leonardo da Vinci)

!! BITTE !! stellt mir keine Fragen über PM, dafür ist das Forum da - andere haben vielleicht auch Interesse an der Antwort!

Einführende Links zu LabVIEW, s. GerdWs Signatur.
Alle Beiträge dieses Benutzers finden
Diese Nachricht in einer Antwort zitieren to top
15.05.2007, 14:15
Beitrag #30

FlorianM Offline
LVF-Gelegenheitsschreiber
**


Beiträge: 112
Registriert seit: Mar 2007

8.0 8.2
-
kA

89073
Deutschland
Umwandlung in einen anderen Datentyp !!!
' schrieb:Hi,

wenn du noch mal runterspeicherst auf 8.0 guck ich mal...und Profil_ergaenzen

Sorry weiß leider nicht wie man runtespeichert Unsure

Das wäre dann aber sehr lieb von dir. Danke schinmals im Voraus !!!!!
Alle Beiträge dieses Benutzers finden
Diese Nachricht in einer Antwort zitieren to top
Antwort schreiben 


Möglicherweise verwandte Themen...
Themen Verfasser Antworten Views Letzter Beitrag
  Kommastellen fehlen in Umwandlung von String to Number dieseldunst 3 6.080 29.03.2017 08:10
Letzter Beitrag: GerdW
  Numerischer Datentyp in Signal wandeln Titus 13 13.709 30.05.2016 20:46
Letzter Beitrag: GerdW
  Umwandlung in Zeitbereich mit IFFT Saffier 3 5.999 15.10.2013 09:02
Letzter Beitrag: Saffier
  PWM-Signal Dynamischer Datentyp zu Array Sonny 6 7.504 04.11.2011 11:24
Letzter Beitrag: jg
  Probleme mit Datentyp Infraschall 12 14.072 25.10.2011 14:55
Letzter Beitrag: Infraschall
  Datenerfassung mit Compactrio 9022 - Umwandlung von 64bit reell in Signalverlauf TobiasMo 11 14.677 19.08.2011 10:56
Letzter Beitrag: TobiasMo

Gehe zu: