INFO: Dieses Forum nutzt Cookies...
Cookies sind für den Betrieb des Forums unverzichtbar. Mit der Nutzung des Forums erklärst Du dich damit einverstanden, dass wir Cookies verwenden.

Es wird in jedem Fall ein Cookie gesetzt um diesen Hinweis nicht mehr zu erhalten. Desweiteren setzen wir Google Adsense und Google Analytics ein.


Antwort schreiben 

auf Flanke warten, während dessen etwas anderes tun



Wenn dein Problem oder deine Frage geklärt worden ist, markiere den Beitrag als "Lösung",
indem du auf den "Lösung" Button rechts unter dem entsprechenden Beitrag klickst. Vielen Dank!

10.01.2011, 16:54 (Dieser Beitrag wurde zuletzt bearbeitet: 10.01.2011 16:54 von labvii.)
Beitrag #1

labvii Offline
LVF-Neueinsteiger


Beiträge: 5
Registriert seit: Dec 2010

8.6
2010
de


Deutschland
auf Flanke warten, während dessen etwas anderes tun
Hallo,

als labview Anfänger stehe ich vor folgendem Problem:

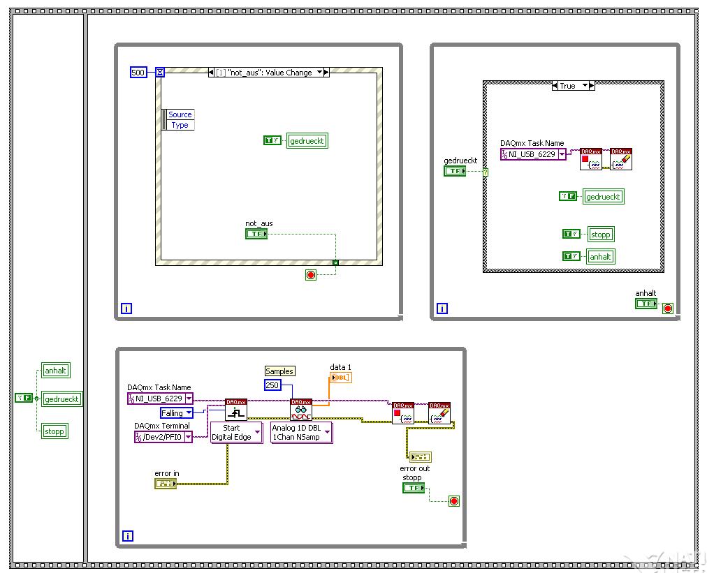
Ich möchte nach einer fallenden Flanke (kann jede Sekunde kommen, aber auch nur alle 10 Sekunden) eine AD-Wandlung durchführen.
Wichtig dabei ist, dass sofort nach der Flanke gemessen wird. Dafür habe ich mir das DAQmx Trigger.vi reingeladen und auf die fallende Flanke gestellt.
Soweit funktioniert das ganze auch wie es soll.
Allerdings möchte ich während das Programm auf die Flanke wartet, etwas anderes machen können. Leider "hängt" das Programm, bis die Flanke kommt.

Hat jemand einen Tipp für mich?

Besten Dank im voraus
labvii

Verwendet wird Labview 8.6 und eine NI-USB-6229


Angehängte Datei(en) Thumbnail(s)
   
Alle Beiträge dieses Benutzers finden
Diese Nachricht in einer Antwort zitieren to top
Anzeige
10.01.2011, 17:38
Beitrag #2

GerdW Offline
______________
LVF-Team

Beiträge: 17.533
Registriert seit: May 2009

LV2019 (LV2021)
1995
DE_EN

10×××
Deutschland
auf Flanke warten, während dessen etwas anderes tun
Hallo,

dann schau dir mal an, wie man mit parallelen Schleifen umgeht. Da gibt es so einige Beispiele in LabVIEW...

Alle Beiträge dieses Benutzers finden
Diese Nachricht in einer Antwort zitieren to top
10.01.2011, 18:06
Beitrag #3

labvii Offline
LVF-Neueinsteiger


Beiträge: 5
Registriert seit: Dec 2010

8.6
2010
de


Deutschland
auf Flanke warten, während dessen etwas anderes tun
Hallo GerdW und danke für deine UnterstützungSmile,

ich habe das Programm jetzt geändert und die Tasks in zwei While-Schleifen gepackt.
Jetzt kann ich zwar, während auf die Flanke gewartet wird, andere Dinge tun, allerdings kann ich das Programm nicht
sofort beenden, bzw. ich muss immer warten, bis die Schleife einmal durchgelaufen ist.

Also habe ich mir überlegt, die Task zu beenden, so dass nicht mehr auf die fallende Flanke gewartet werden muss.

Leider wird immer noch die letzte fallende Flanke abgewartet.


Angehängte Datei(en) Thumbnail(s)
   
Alle Beiträge dieses Benutzers finden
Diese Nachricht in einer Antwort zitieren to top
10.01.2011, 18:48
Beitrag #4

labvii Offline
LVF-Neueinsteiger


Beiträge: 5
Registriert seit: Dec 2010

8.6
2010
de


Deutschland
auf Flanke warten, während dessen etwas anderes tun
irgendwie klappt das editieren der Beiträge nicht, jedenfalls ist hier das richtige Bild


Angehängte Datei(en) Thumbnail(s)
   
Alle Beiträge dieses Benutzers finden
Diese Nachricht in einer Antwort zitieren to top
11.01.2011, 07:29
Beitrag #5

Y-P Offline
☻ᴥᴥᴥ☻ᴥᴥᴥ☻
LVF-Team

Beiträge: 12.612
Registriert seit: Feb 2006

Developer Suite Core -> LabVIEW 2015 Prof.
2006
EN

71083
Deutschland
auf Flanke warten, während dessen etwas anderes tun
Das haben Whileschleifen so an sich, dass sie zuerst einmal durchlaufen, bevor sie beendet werden.
Aber ich verstehe ehrlich gesagt das Problem noch nicht so ganz.

Gruß Markus

P.S.: Das mit dem Editieren geht für "normale" User nur eine gewisse Zeit (ich glaub' 15 min). Dauerhaft editieren kann nur das Team. Trotzdem Danke, dass Du es versucht hast. Wink

--------------------------------------------------------------------------
Bitte stellt mir keine Fragen über PM, dafür ist das Forum da - andere haben vielleicht auch Interesse an der Antwort !!
--------------------------------------------------------------------------
Alle Beiträge dieses Benutzers finden
Diese Nachricht in einer Antwort zitieren to top
11.01.2011, 08:45
Beitrag #6

GerdW Offline
______________
LVF-Team

Beiträge: 17.533
Registriert seit: May 2009

LV2019 (LV2021)
1995
DE_EN

10×××
Deutschland
auf Flanke warten, während dessen etwas anderes tun
Hallo,

wenn du den Teil mit dem DAQ-Abbruch im Event selbst erledigen würdest, hättest du dir mehrere lokale Variablen, 2 Bedienelemente und eine Whileschleife sparen können...

Probier doch mal aus, vor dem DAQ-Stop noch die Triggerbedingung zu ändern (oder ganz abzuschalten?)!

Alle Beiträge dieses Benutzers finden
Diese Nachricht in einer Antwort zitieren to top
Anzeige
11.01.2011, 13:23 (Dieser Beitrag wurde zuletzt bearbeitet: 11.01.2011 13:26 von labvii.)
Beitrag #7

labvii Offline
LVF-Neueinsteiger


Beiträge: 5
Registriert seit: Dec 2010

8.6
2010
de


Deutschland
auf Flanke warten, während dessen etwas anderes tun
Hallo und erstmal Danke für die Unterstützung,

das Problem, dass ich währen der Whileschleife nichts machen kann, ist gelöst.

Das Problem, dass ich jetzt habe ist, dass wenn das Vi auf die fallende Flanke wartet, ein Notaus Signal kommt,
ich das Programm nicht beenden kann. Es wird immer noch gewartet, bis die Flanke kommt, was bis zu 10s dauern kann.

Was ich versucht habe, wenn Notaus gedrück wurde ein "DAQmx Reset Device" zu starten, was ich aber nicht als saubere Lösung halte.
Aber selbst so wird auf die fallende Flanke gewartet.

Zitat:Probier doch mal aus, vor dem DAQ-Stop noch die Triggerbedingung zu ändern (oder ganz abzuschalten?)!
werde ich versuchen, Danke.
Alle Beiträge dieses Benutzers finden
Diese Nachricht in einer Antwort zitieren to top
11.01.2011, 13:43
Beitrag #8

Lucki Offline
Tech.Exp.2.Klasse
LVF-Team

Beiträge: 7.699
Registriert seit: Mar 2006

LV 2016-18 prof.
1995
DE

01108
Deutschland
auf Flanke warten, während dessen etwas anderes tun
' schrieb:ich das Programm nicht beenden kann. Es wird immer noch gewartet, bis die Flanke kommt, was bis zu 10s dauern kann.
Eine Lösung ist: Den Timeout von DAQmx Read, welches auf die fallende Flanke wartet, auf z.B. 0.1 sek setzen und DAQmx Read in eine While-Schleife packen. Bei Timeoutfehler wird die While-Schleife fortgesetzt, und zwar solange, bis entweder die fallende Flanke kommt, - oder aber ein lokale Variable des Stop-Kopfes, die man innerhalb der Schliefe abfragt, true ist.
Alle Beiträge dieses Benutzers finden
Diese Nachricht in einer Antwort zitieren to top
11.01.2011, 14:28 (Dieser Beitrag wurde zuletzt bearbeitet: 11.01.2011 14:30 von labvii.)
Beitrag #9

labvii Offline
LVF-Neueinsteiger


Beiträge: 5
Registriert seit: Dec 2010

8.6
2010
de


Deutschland
auf Flanke warten, während dessen etwas anderes tun
' schrieb:Eine Lösung ist: Den Timeout von DAQmx Read, welches auf die fallende Flanke wartet, auf z.B. 0.1 sek setzen und DAQmx Read in eine While-Schleife packen. Bei Timeoutfehler wird die While-Schleife fortgesetzt, und zwar solange, bis entweder die fallende Flanke kommt, - oder aber ein lokale Variable des Stop-Kopfes, die man innerhalb der Schliefe abfragt, true ist.

Hi Lucki,

habe es programmiert und es scheint auch zu funktionieren. Bin nicht sicher ob ich es ganz verstanden habe, daher folgende Frage:
Ist mit dieser Lösung gewährleistet, dass ich unmittelbar nach der fallenden Flanke die Messung starte? Wie oben geschrieben, ist für mich
die Zeit (die ersten 500µs) nach der fallenden Flanke interessant.


Angehängte Datei(en) Thumbnail(s)
   
Alle Beiträge dieses Benutzers finden
Diese Nachricht in einer Antwort zitieren to top
11.01.2011, 16:03
Beitrag #10

Lucki Offline
Tech.Exp.2.Klasse
LVF-Team

Beiträge: 7.699
Registriert seit: Mar 2006

LV 2016-18 prof.
1995
DE

01108
Deutschland
auf Flanke warten, während dessen etwas anderes tun
' schrieb:Ist mit dieser Lösung gewährleistet, dass ich unmittelbar nach der fallenden Flanke die Messung starte? Wie oben geschrieben, ist für mich
die Zeit (die ersten 500µs) nach der fallenden Flanke interessant.
Das DAQmx Read wartet eigentlich nicht auf die Flanke, sondern darauf, daß die 250 Werte im Empfangsbuffer sind.
Um aber ganz sicher zu gehen, daß die Datenerfassung unabhängig von DAQmx Read genau mit der Flanke beginnt, würde ich hinter dem Trigger-VI noch das "DAQmx Start Task .vi" einfügen.
Alle Beiträge dieses Benutzers finden
Diese Nachricht in einer Antwort zitieren to top
Antwort schreiben 


Möglicherweise verwandte Themen...
Themen Verfasser Antworten Views Letzter Beitrag
  Flanke detektieren NI 6356 Armeldonald 5 5.713 07.05.2019 16:52
Letzter Beitrag: jg
  Analogausgang kontinuierlich schreiben, während der Moes 7 10.385 18.12.2015 09:09
Letzter Beitrag: Moes
  Erste Flanke wird unzuverlässig erkannt djlunatic 15 14.922 17.09.2014 09:08
Letzter Beitrag: djlunatic
  Signal generieren und anderes messen gleichzeitig Labview-Anfänger 5 7.484 02.07.2014 07:28
Letzter Beitrag: Lucki
  Datenerfassung bei aufsteigender TTL-Flanke GrEeHoRn 9 10.028 10.04.2014 10:04
Letzter Beitrag: Lucki
  Messwerterfassung auf fallende Flanke chrigi28 9 10.233 07.11.2013 12:32
Letzter Beitrag: chrigi28

Gehe zu: