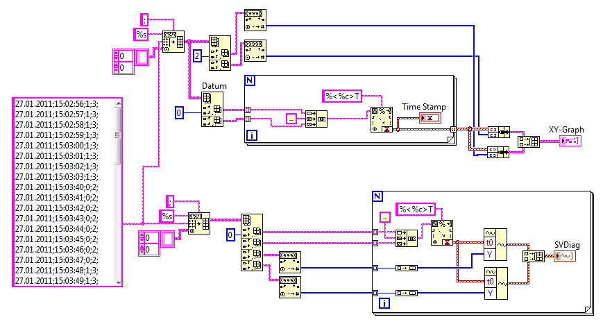
3 Arrays in Graph darstellen. Problem mit Time-String |
Wenn dein Problem oder deine Frage geklärt worden ist, markiere den Beitrag als "Lösung",
indem du auf den "Lösung" Button rechts unter dem entsprechenden Beitrag klickst. Vielen Dank!
|
|
|
| Möglicherweise verwandte Themen... | |||||
| Themen | Verfasser | Antworten | Views | Letzter Beitrag | |
| Problem bei der Darstellung von Punkte in einem XY Graph. | Armeldonald | 7 | 7.477 |
29.08.2019 20:28 Letzter Beitrag: GerdW |
|
| 1D-Arrays in einem Chart-Diagramm darstellen | EinVolvic | 5 | 11.038 |
12.05.2017 14:29 Letzter Beitrag: EinVolvic |
|
| Kennlinienfunktion (Formel) in XY-Graph darstellen | Daniel90 | 4 | 7.763 |
21.01.2016 15:11 Letzter Beitrag: Daniel90 |
|
| mehrere Plots in einem XY Graph darstellen | tom181 | 14 | 31.684 |
29.08.2015 08:06 Letzter Beitrag: Lucki |
|
| Messdaten txt-Datein, String-Format Problem, | FrDtPa | 9 | 7.864 |
03.07.2015 13:06 Letzter Beitrag: FrDtPa |
|
| Messwerte mit Datum in XY Graph darstellen | PeterF | 5 | 7.786 |
28.04.2015 06:51 Letzter Beitrag: GerdW |
|







