INFO: Dieses Forum nutzt Cookies...
Cookies sind für den Betrieb des Forums unverzichtbar. Mit der Nutzung des Forums erklärst Du dich damit einverstanden, dass wir Cookies verwenden.

Es wird in jedem Fall ein Cookie gesetzt um diesen Hinweis nicht mehr zu erhalten. Desweiteren setzen wir Google Adsense und Google Analytics ein.


Antwort schreiben 

Massflowcontroller steuern und bei Bedarf Rampenfahren



Wenn dein Problem oder deine Frage geklärt worden ist, markiere den Beitrag als "Lösung",
indem du auf den "Lösung" Button rechts unter dem entsprechenden Beitrag klickst. Vielen Dank!

22.10.2013, 10:35
Beitrag #41

GerdW Offline
______________
LVF-Team

Beiträge: 17.536
Registriert seit: May 2009

LV2019 (LV2021)
1995
DE_EN

10×××
Deutschland
RE: Massflowcontroller steuern und bei Bedarf Rampenfahren
Hallo rc,

Zitat:Also wie soll ich da verdrahten dass, das Programm startet, weil jetzt passiert irgendwie nichts.
Wie wäre es mit einfach mal warten, bis "Start" gedrückt wird? So z.B.:
   

Zitat:Wie soll ich da den Ausgang von Select verdrahten ?
Select erwartet einen Wert für TRUE und FALSE sowie eine boolsche Bedingung. Die Bedingung musst du programmieren, die Werte passend anschließen...

Alle Beiträge dieses Benutzers finden
Diese Nachricht in einer Antwort zitieren to top
Anzeige
22.10.2013, 11:12
Beitrag #42

rc Offline
LVF-Gelegenheitsschreiber
**


Beiträge: 149
Registriert seit: Jul 2013

2011, 2012
-
DE_EN


Deutschland
RE: Massflowcontroller steuern und bei Bedarf Rampenfahren
Hallo Gerd,

Select erwartet einen Wert für TRUE und FALSE sowie eine boolsche Bedingung. Die Bedingung musst du programmieren, die Werte passend anschließen...

Ist die lokale Variable " Zündung" hier keine boolsche Bedingung? Ich dachte die True und False Werte wären hirzu die beiden Enums und dementsprechend liefert Select eins von beiden oder nicht? Wie kann ich da die Werte geben und Bedingung programmieren?
Alle Beiträge dieses Benutzers finden
Diese Nachricht in einer Antwort zitieren to top
22.10.2013, 21:53
Beitrag #43

rc Offline
LVF-Gelegenheitsschreiber
**


Beiträge: 149
Registriert seit: Jul 2013

2011, 2012
-
DE_EN


Deutschland
RE: Massflowcontroller steuern und bei Bedarf Rampenfahren
Hallo Gerd,

sorry für die Störung aber eine Frage: Im zweiten State ( Übergabe der startwerte) versuche ich, dass der User auf dem FP Volumenstrom von (N2+O2)-Mischung gibt. Also nicht einzelnen die O2 und N2 mln/min vorgeben, sondern nur (N2+O2) und Vol.%-O2 vorgeben, so dass dementsprechend immer ein konstanten Volumenstrom an (N2+O2) dosiert wird. Sprich der User gibt gibt 10 mln/min (N2+O2)-Mischung und 5 Vol.% O2 vor( natürlich auch die anderen Parametern Sp_Brenngas...) und es wird automatisch 95.Vol-% N2 dosiert also 9,5 mln/min und 0,5 mln/min O2. Irgendwie klappt das nicht. Was mache ich da falsch? Ich habe jetzt alles im Cluster. Wie Soll ich dann das alles unten mit dem Cluster to array dann ins For-Schleife?


Angehängte Datei(en)
11.0 .vi  bronkhorst flowdde module sample.vi (Größe: 98,52 KB / Downloads: 175)
Alle Beiträge dieses Benutzers finden
Diese Nachricht in einer Antwort zitieren to top
23.10.2013, 07:39
Beitrag #44

GerdW Offline
______________
LVF-Team

Beiträge: 17.536
Registriert seit: May 2009

LV2019 (LV2021)
1995
DE_EN

10×××
Deutschland
RE: Massflowcontroller steuern und bei Bedarf Rampenfahren
Hallo rc,

Zitat:Irgendwie klappt das nicht. Was mache ich da falsch?
Falsch ist z.B., dass "klappt nicht" keine gültige Fehlermeldung ist. Was genau funktioniert nicht?

Zitat:Ich habe jetzt alles im Cluster. Wie Soll ich dann das alles unten mit dem Cluster to array dann ins For-Schleife?
In dieser FOR-Loop wird genau ein (1) Wert gesetzt: "P(206)". Wozu dort ein ClusterToArray? Wozu überhaupt eine Schleife? Warum nicht einfach den berechneten Setpoint per Draht anschließen?

Der Cluster sollte eigentlich in einem Schieberegister der Statemachine liegen. Dieser Cluster sollte alle relevanten Daten (also auch Schleifenzähler für deine Wiederholungen etc.) enthalten. Als Beispiel dafür kann ich dir das mitgelieferte Grundgerüst für ein XControl empfehlen: auch dort hat man (quasi) eine Statemachine vorliegen, die ihre Daten mit 2 oder Schieberegistern speichert!

THINK DATAFLOW! (hier mit einem Hauch von Ansatz von OOP...)
Du hast einen Berg an Daten (Nutzervorgaben, interne Ist-Zustände). Diese liegen in einem Cluster vor, der in einem Schieberegister gespeichert wird. Der jeweilige State kann sich die ihn interessierenden Werte aus dem Cluster lesen und sollte die ihn betreffenden Werte aktualisieren, bevor der Cluster wieder im Schieberegister gespeichert wird...

Alle Beiträge dieses Benutzers finden
Diese Nachricht in einer Antwort zitieren to top
23.10.2013, 08:43
Beitrag #45

rc Offline
LVF-Gelegenheitsschreiber
**


Beiträge: 149
Registriert seit: Jul 2013

2011, 2012
-
DE_EN


Deutschland
RE: Massflowcontroller steuern und bei Bedarf Rampenfahren
Hallo Gerd,

ok die Berechnung habe ich irgendwie gemacht. Aus " unbundle by name" sollten die richtigen Sp`s für drei MFC`s raus in die untenstehende kleine VI von Bronkhorst.

In dieser FOR-Loop wird genau ein (1) Wert gesetzt: "P(206)". Wozu dort ein ClusterToArray? Wozu überhaupt eine Schleife? Warum nicht einfach den berechneten Setpoint per Draht anschließen?

P(206) bedeutet der Setpoint in der mln/min Einheit. Diese kleine VI ist mit For-Schleife ist einfach von Bronkhorst für die Sollwerte(sp`s). Ich habe ja drei MFC sollwerte nicht nur eins, wobei aus MFC_N2 und MFC_O2 quasi ein MFC gemacht wird. Deswegen Cluster habe ich mir gedacht dann für diese mathematische Berechnung in FOR-Schleife werden die in Array umgewandelt...

Der Cluster sollte eigentlich in einem Schieberegister der Statemachine liegen.

Meinst du im zweiten State? Und wie genau?


Angehängte Datei(en)
11.0 .vi  MainVI.vi (Größe: 98,76 KB / Downloads: 195)
Alle Beiträge dieses Benutzers finden
Diese Nachricht in einer Antwort zitieren to top
23.10.2013, 09:02
Beitrag #46

GerdW Offline
______________
LVF-Team

Beiträge: 17.536
Registriert seit: May 2009

LV2019 (LV2021)
1995
DE_EN

10×××
Deutschland
RE: Massflowcontroller steuern und bei Bedarf Rampenfahren

Akzeptierte Lösung

Hallo rc,

Zitat:Ich habe ja drei MFC sollwerte nicht nur eins, wobei aus MFC_N2 und MFC_O2 quasi ein MFC gemacht wird. Deswegen Cluster habe ich mir gedacht dann für diese mathematische Berechnung in FOR-Schleife werden die in Array umgewandelt...
Dann solltest du doch 3 Werte an die FOR-Loop anschließen - und diese auch in der richtigen Reihenfolge! Und dass dann gleich als Array, welches man praktischerweise mit BuildArray erstellt...
THINK DATAFLOW: Hier mehr auf die Daten bezogen bzgl. ihrer Anordnung...

Zitat:Der Cluster sollte eigentlich in einem Schieberegister der Statemachine liegen.
Meinst du im zweiten State? Und wie genau?
Nein, nicht im zweiten State, sondern in der äußeren Schleife der Statemachine. Du willst diese Daten doch in allen States zur Verfügung haben. Hast du dir das genannte Beispiel angeschaut?

Alle Beiträge dieses Benutzers finden
Diese Nachricht in einer Antwort zitieren to top
Anzeige
23.10.2013, 09:30
Beitrag #47

rc Offline
LVF-Gelegenheitsschreiber
**


Beiträge: 149
Registriert seit: Jul 2013

2011, 2012
-
DE_EN


Deutschland
RE: Massflowcontroller steuern und bei Bedarf Rampenfahren
Hallo Gerd,

ich habe es genauso gemacht vielen Danke. Aber ich bekomme jetzt keine Istewerte(pv`s). Liege es dran, dass die auch in der dafürvorgesehener VI von Bronkhorst im Cluster sind? Muss ich die da auch raus nehmen?

xControl beispiel von Hilfe funktion habe ich gesehen aber da sehe ich nichts mit Clustern? Sad


Angehängte Datei(en)
11.0 .vi  MainVI.vi (Größe: 98,63 KB / Downloads: 192)
Alle Beiträge dieses Benutzers finden
Diese Nachricht in einer Antwort zitieren to top
23.10.2013, 10:01
Beitrag #48

GerdW Offline
______________
LVF-Team

Beiträge: 17.536
Registriert seit: May 2009

LV2019 (LV2021)
1995
DE_EN

10×××
Deutschland
RE: Massflowcontroller steuern und bei Bedarf Rampenfahren
Hallo rc,

wenn ich mir ein neues XControl erstellen lasse, hat das Facade.vi 3 Schieberegister, zwei davon enthalten Cluster...

Zitat:Aber ich bekomme jetzt keine Istewerte(pv`s)
Wieso nicht? Es gibt doch eine Schleife, die die Istwerte abfragt und in einem Cluster ablegt! Warum solltest du also keine Istwerte bekommen?
Anmerkung: Man kann entweder ArrayToCluster so einstellen, dass man einen Cluster mit 3 Werten erhält oder auf ArrayToCluster und Unbundle verzichten und stattdessen IndexArray verwenden...

Alle Beiträge dieses Benutzers finden
Diese Nachricht in einer Antwort zitieren to top
23.10.2013, 10:17 (Dieser Beitrag wurde zuletzt bearbeitet: 23.10.2013 10:18 von rc.)
Beitrag #49

rc Offline
LVF-Gelegenheitsschreiber
**


Beiträge: 149
Registriert seit: Jul 2013

2011, 2012
-
DE_EN


Deutschland
RE: Massflowcontroller steuern und bei Bedarf Rampenfahren
Hallo Gerd,

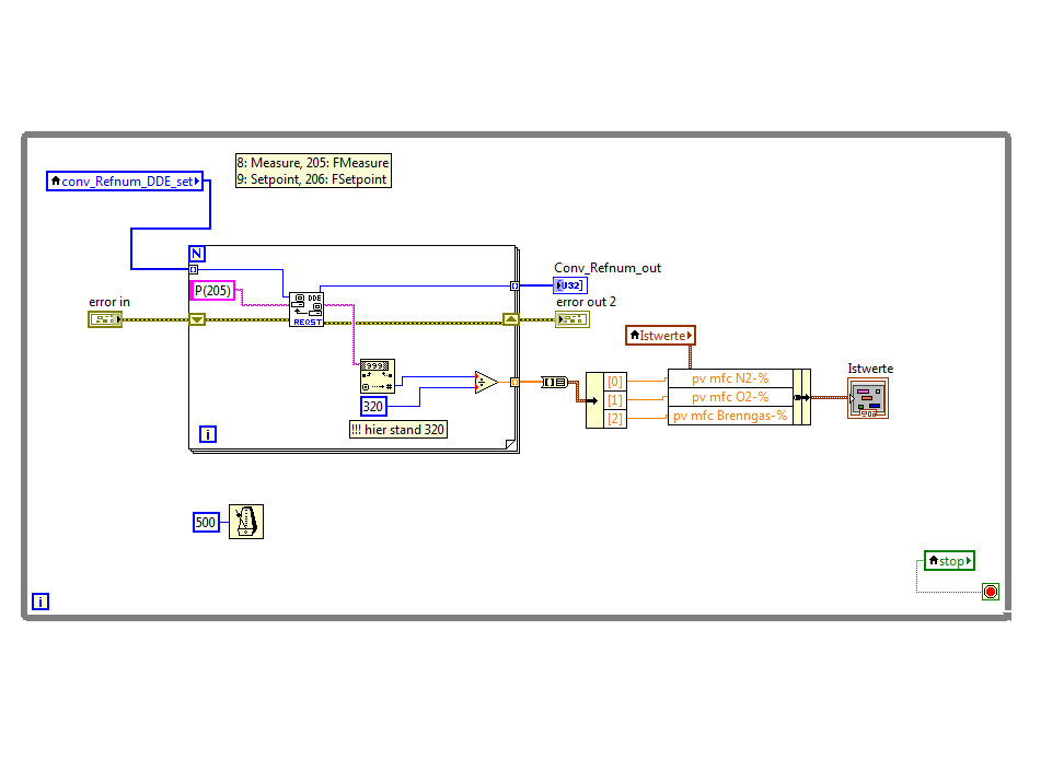
ist das so falsch?
Wobei ich bekomme wieder kein ist Wert, da es mir Error: invalid Refnum liefert Ahrg1


Angehängte Datei(en) Thumbnail(s)
   
Alle Beiträge dieses Benutzers finden
Diese Nachricht in einer Antwort zitieren to top
23.10.2013, 10:21
Beitrag #50

GerdW Offline
______________
LVF-Team

Beiträge: 17.536
Registriert seit: May 2009

LV2019 (LV2021)
1995
DE_EN

10×××
Deutschland
RE: Massflowcontroller steuern und bei Bedarf Rampenfahren

Akzeptierte Lösung

Hallo rc,

wozu erst Unbundle und dann gleich Bundle?
Mach's doch so:
   

Alle Beiträge dieses Benutzers finden
Diese Nachricht in einer Antwort zitieren to top
30
Antwort schreiben 


Möglicherweise verwandte Themen...
Themen Verfasser Antworten Views Letzter Beitrag
  Bedienelemente nach Bedarf ein / ausblenden 1johleh 14 24.660 31.05.2017 13:18
Letzter Beitrag: MaxP
  Bedienelemente bei Bedarf aktivieren/deaktivieren Schrammi 11 22.399 01.04.2015 10:33
Letzter Beitrag: tobi45f
  While schleife die bei bedarf sofort abbricht Crowdie 5 8.285 24.05.2011 21:54
Letzter Beitrag: gm-axion
  Arrays dynamisch nach Bedarf erzeugen betas 3 5.707 16.03.2011 14:42
Letzter Beitrag: betas
  Numeric Control nur nach Bedarf einblenden??? francois 2 4.904 26.06.2008 12:41
Letzter Beitrag: francois

Gehe zu: