Ok, das sieht schon besser aus als meins, DANKE!

Habe inzwischen die Messungen aufgenommen, ich bekomme folgende Signale(siehe Anhang)
Das ist somit ein sin(x), sin(x+PI) und sin(x+PI/2) bzw. ein sin(x), cos(s), und -sin(x)

D.h. diese Signale bekomme ich, wenn ich dann meine Karte anschließe und es über den DAQ laufen lasse...aber dann passt es ja wieder nicht, oder bzw. ich muss die Formel umstellen!?

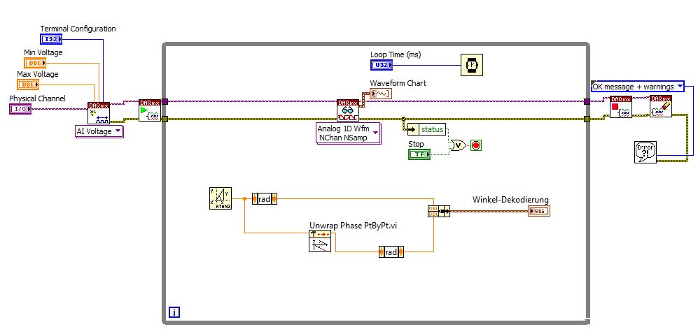
Dann würde es so aussehen, aber dann passt der Winkel nicht(siehe Anhang 2+3)
@lucki: vielen Dank für deine Geduld

Sobald es läuft hast mich vorerst los