INFO: Dieses Forum nutzt Cookies...
Cookies sind für den Betrieb des Forums unverzichtbar. Mit der Nutzung des Forums erklärst Du dich damit einverstanden, dass wir Cookies verwenden.

Es wird in jedem Fall ein Cookie gesetzt um diesen Hinweis nicht mehr zu erhalten. Desweiteren setzen wir Google Adsense und Google Analytics ein.


Antwort schreiben 

Aus TXT-Datei bestimmte Werte auslesen



Wenn dein Problem oder deine Frage geklärt worden ist, markiere den Beitrag als "Lösung",
indem du auf den "Lösung" Button rechts unter dem entsprechenden Beitrag klickst. Vielen Dank!

19.01.2012, 15:21
Beitrag #1

Lessy2205 Offline
LVF-Gelegenheitsschreiber
**


Beiträge: 65
Registriert seit: Oct 2010

2011
2011
DE



Aus TXT-Datei bestimmte Werte auslesen
Hallo zusammen,

habe folgendes Problem:

ich habe eine txt-Datei (s.Anhang), die nach einer Messung erstellt wird. Nun möchte ich bestimmte Daten auslesen und in eine andere txt-Datei die Messwerte speichern. Gibt es eine Möglichkeit in Labview solche Aktion durchzuführen??? Ich habe leider so was nie gemacht((( Und weiß auch nicht, wovon ich anfangen soll?

Folgende Daten aus txt brauche ich:
......
Measurement Gas Acetaldehyde
.....
....
001 2012/01/18 15:29:51 52
002 2012/01/18 15:30:51 0
003 2012/01/18 15:31:51 0
004 2012/01/18 15:32:51 0
...

Hinweis: Anzahl der Messwerte ist variierbar!

Für jeden Tipp bin ich dankbar und freue mich für Eure Antwort.

Gruß, Lessy


Angehängte Datei(en)
0.0 .txt  Beispiel.txt (Größe: 2,15 KB / Downloads: 644)
Alle Beiträge dieses Benutzers finden
Diese Nachricht in einer Antwort zitieren to top
Anzeige
19.01.2012, 17:03
Beitrag #2

Schwand Offline
LVF-Stammgast
***


Beiträge: 276
Registriert seit: Nov 2007

2014
2006
DE

31789
Deutschland
RE: Aus TXT-Datei bestimmte Werte auslesen
Vielleicht so,

als kleiner Denkanstoß....

Geht vielleicht auch besser, aber bin grad bissel matschig in der Birne...

Grüßle
S.


Angehängte Datei(en)
11.0 .vi  textlesen.vi (Größe: 8,78 KB / Downloads: 1083)
Alle Beiträge dieses Benutzers finden
Diese Nachricht in einer Antwort zitieren to top
19.01.2012, 17:05
Beitrag #3

Lessy2205 Offline
LVF-Gelegenheitsschreiber
**


Beiträge: 65
Registriert seit: Oct 2010

2011
2011
DE



RE: Aus TXT-Datei bestimmte Werte auslesen
Hallo noch mal,

ich habe vergessen noch was dazu sagen,

die Daten, die ich auslesen möchte, sollen dann in einer neuen txt Datei in der Form aussehen:

Index Datum Uhrzeit Wert Gasname usw.
0 180112 152951 52 Acetaldehyde 5.0 2.0 1
1 180112 153051 0 Acetaldehyde 5.0 2.0 1
2 180112 153151 0 Acetaldehyde 5.0 2.0 1
3 180112 153251 0 Acetaldehyde 5.0 2.0 1

ich habe keine Ahnung, wie das man realisieren kannBlush bzw. mit welchen Funktionen?

Gruß, Lessy
Alle Beiträge dieses Benutzers finden
Diese Nachricht in einer Antwort zitieren to top
19.01.2012, 17:16 (Dieser Beitrag wurde zuletzt bearbeitet: 19.01.2012 17:18 von GerdW.)
Beitrag #4

GerdW Online
______________
LVF-Team

Beiträge: 17.529
Registriert seit: May 2009

LV2019 (LV2021)
1995
DE_EN

10×××
Deutschland
RE: Aus TXT-Datei bestimmte Werte auslesen
Hallo Lessy,

Zitat:keine Ahnung, wie das man realisieren kann bzw. mit welchen Funktionen?
- ScanFromString zum Einlesen/Konvertieren des Timestamps
- FormatIntoString zum Neuformatieren des Timestamps
- alternativ zu den beiden StringFormats: Zerlegen des Strings in seine Bestandteile und neu zusammensetzen
- diverse Arrayfunktionen zum (Um-)Sortieren/Anhängen der Spalten

Alle Beiträge dieses Benutzers finden
Diese Nachricht in einer Antwort zitieren to top
23.01.2012, 11:41 (Dieser Beitrag wurde zuletzt bearbeitet: 23.01.2012 11:43 von Lessy2205.)
Beitrag #5

Lessy2205 Offline
LVF-Gelegenheitsschreiber
**


Beiträge: 65
Registriert seit: Oct 2010

2011
2011
DE



RE: Aus TXT-Datei bestimmte Werte auslesen
Ich möchte Euch erst Danke für die Hilfe sagen,

die Messwerte habe ich aus der txt-Datei ausgelesen und dargestellt!
Ich habe jetzt anderes Problem.
Nun möchte ich Anzahl der Zeilen bestimmen. Ich habe 1D-Array aus String erstellt, ABER das sieht komisch aus. Im Array tauchen die leere Zeilen auf, die gar nicht in der txt-Datei gab's (s. Abbildung im Anhang).

Wie bzw. was soll geändert werden, um die richtige Anzahl der Zeilen zu bekommen?

Danke.

Gruß, Lessy


Angehängte Datei(en) Thumbnail(s)
       
Alle Beiträge dieses Benutzers finden
Diese Nachricht in einer Antwort zitieren to top
23.01.2012, 11:44
Beitrag #6

jg Offline
CLA & CLED
LVF-Team

Beiträge: 15.864
Registriert seit: Jun 2005

20xx / 8.x
1999
EN

Franken...
Deutschland
RE: Aus TXT-Datei bestimmte Werte auslesen
(23.01.2012 11:41 )Lessy schrieb:  Nun möchte ich Anzahl der Zeilen bestimmen. Ich habe 1D-Array aus String erstellt, ABER das sieht komisch aus. Im Array tauchen die leere Zeilen auf, die gar nicht in der txt-Datei gab's (s. Abbildung im Anhang).
Oh, sieht so aus, als ob deine txt-Datei im Unicode (2 bytes pro Zeichen) nicht in ASCII vorliegt.

Gruß, Jens

Wer die erhabene Weisheit der Mathematik tadelt, nährt sich von Verwirrung. (Leonardo da Vinci)

!! BITTE !! stellt mir keine Fragen über PM, dafür ist das Forum da - andere haben vielleicht auch Interesse an der Antwort!

Einführende Links zu LabVIEW, s. GerdWs Signatur.
Alle Beiträge dieses Benutzers finden
Diese Nachricht in einer Antwort zitieren to top
Anzeige
23.01.2012, 13:56 (Dieser Beitrag wurde zuletzt bearbeitet: 23.01.2012 13:58 von Lucki.)
Beitrag #7

Lucki Offline
Tech.Exp.2.Klasse
LVF-Team

Beiträge: 7.699
Registriert seit: Mar 2006

LV 2016-18 prof.
1995
DE

01108
Deutschland
RE: Aus TXT-Datei bestimmte Werte auslesen
Da würde ich doch gleich beim Einlesen den Unicode in normalen Text konvertieren. Wenn man kein exotischen Zeichen im Text hat - so wie bei Dir der Fall - dann funktioniert es so: von der TXT-Datei Byte 0 und 1 ignorieren und nur die Bytes 2,4,6.... lesen.
Noch verbesserungsbedürftig:
   
Alle Beiträge dieses Benutzers finden
Diese Nachricht in einer Antwort zitieren to top
24.01.2012, 16:24
Beitrag #8

Lessy2205 Offline
LVF-Gelegenheitsschreiber
**


Beiträge: 65
Registriert seit: Oct 2010

2011
2011
DE



RE: Aus TXT-Datei bestimmte Werte auslesen
(23.01.2012 13:56 )Lucki schrieb:  Da würde ich doch gleich beim Einlesen den Unicode in normalen Text konvertieren.

das ist eine gute Idee, habe genau so gemacht und es funktioniert, die Messdaten sind jetzt in jeder Zeile, Danke!

Folgendes Problem habe ich nun:
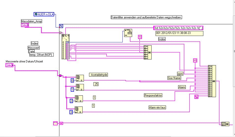
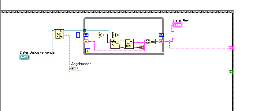
ich möchte einige Messwerte aus der txt.-Datei (schon aus der bearbeiteten) in bestimmte Reihenfolge abspeichern, um danach die Daten in einem Diagramm darzustellen.

Die Daten sind in txt-Datei nach dem Abspeichern durcheinander (s. Abb: Frontpanel und Blockdiagramm). Habe ich was falsch gemacht? Ein Element des ersten Arrays und anderes Element des zweiten Arrays sollen in eine Zeile geschrieben werden! Aber wie??? Ich habe schon vieles ausprobiert, aber erfolglos(((
Wie kann man das Problem lösen???
Oder gibt es eine Funktion, mit der Hilfe ein Element zu einem anderen Element im Array hinzugefügt werden kann???

bin für jeden Tipp dankbar!

Gruß, Lessy


Angehängte Datei(en) Thumbnail(s)
       
Alle Beiträge dieses Benutzers finden
Diese Nachricht in einer Antwort zitieren to top
24.01.2012, 16:29
Beitrag #9

GerdW Online
______________
LVF-Team

Beiträge: 17.529
Registriert seit: May 2009

LV2019 (LV2021)
1995
DE_EN

10×××
Deutschland
RE: Aus TXT-Datei bestimmte Werte auslesen
Hallo Lessy,

wie man in deinem FP-Bild sieht, enthalten die "Messwerte"-Strings noch andere Zeichen wie Spaces oder vielleicht auch CRs/LFs. Dies zerhaut dir natürlich die Formatierung deiner Textdatei... Aber wozu gibt es TrimWhitespaces?

Ansonsten: Einfach mal das VI mit als Standard gesetzten Werten anhängen. Und vorher das BD aufräumen und über eine einfachere Formatierung mittels FormatIntoString nachdenken Smile

Alle Beiträge dieses Benutzers finden
Diese Nachricht in einer Antwort zitieren to top
30.01.2012, 14:45
Beitrag #10

Lessy2205 Offline
LVF-Gelegenheitsschreiber
**


Beiträge: 65
Registriert seit: Oct 2010

2011
2011
DE



RE: Aus TXT-Datei bestimmte Werte auslesen
(24.01.2012 16:29 )GerdW schrieb:  ..
Aber wozu gibt es TrimWhitespaces?

Danke, es funktioniert mit dieser Funktion perfekt!

Aber gibt es anderes Problem und zwar, nach dem als Programm gestartet wird, werden alle Daten aus der txt-Datei, die man auf Wunsch auswählen kann, ausgelesen und dargestellt. Aber wenn man neue Messwerte aus einer anderen txt-Datei auslesen möchte, das funktioniert nicht mehr richtig! Die neue Daten werden zusammen mit den alten Messdaten, die vorher ausgelesen wurde, im String-Anzeigefenster dargestellt, obwohl ich den Wert im Programm auf Null setzte. Worum passiert das? Ich möchte jedes mal die aktuelle Daten aus txt-Datei, die zum Auslesen ausgewählt wird, haben, um weiter die Messwerte zu verarbeiten. Wie kann man das realisieren?

Für Eure Hilfe und für jeden Tipp bin ich dankbar.

Gruß Lessy


Angehängte Datei(en) Thumbnail(s)
   
Alle Beiträge dieses Benutzers finden
Diese Nachricht in einer Antwort zitieren to top
30
Antwort schreiben 


Möglicherweise verwandte Themen...
Themen Verfasser Antworten Views Letzter Beitrag
  Mit ODBC Zugriff nur bestimmte Tabellen sichtbar TpunktN 4 6.557 19.08.2022 07:12
Letzter Beitrag: TpunktN
  bestimmte Werte aus Array lesen psypher 5 8.663 12.04.2016 09:21
Letzter Beitrag: psypher
  auslesen der Werte einer .csv psypher 3 7.012 07.04.2016 07:12
Letzter Beitrag: psypher
  gegebene *.xml datei mit gegebener *.dtd auslesen cobain2004 1 6.440 21.03.2016 11:30
Letzter Beitrag: cobain2004
  Werte aus Datei in FP Elemente laden Rigero 5 7.774 13.01.2016 14:20
Letzter Beitrag: Rigero
  Werte aus Signalverlaufsdiagramm in Datei speichern und laden montanaro 5 10.054 15.07.2015 06:56
Letzter Beitrag: montanaro

Gehe zu: