INFO: Dieses Forum nutzt Cookies...
Cookies sind für den Betrieb des Forums unverzichtbar. Mit der Nutzung des Forums erklärst Du dich damit einverstanden, dass wir Cookies verwenden.

Es wird in jedem Fall ein Cookie gesetzt um diesen Hinweis nicht mehr zu erhalten. Desweiteren setzen wir Google Adsense und Google Analytics ein.


Antwort schreiben 

Bilder weiterverarbeiten mit Vision



Wenn dein Problem oder deine Frage geklärt worden ist, markiere den Beitrag als "Lösung",
indem du auf den "Lösung" Button rechts unter dem entsprechenden Beitrag klickst. Vielen Dank!

15.12.2009, 16:25
Beitrag #1

Safa Offline
LVF-Gelegenheitsschreiber
**


Beiträge: 76
Registriert seit: May 2009

2010
-
kA

44866
Deutschland
Bilder weiterverarbeiten mit Vision
Hallo,
habe gerade das Thema von Pollysfriend gelesen, wo er zeigt, wie man Dateien aus einem Ordner einliest.
Ich habe das VI versucht bei mir einzubauen, allerdings funktioniert mein restliches Programm danach nicht mehrSad

Also der Ordner wird eingelesen, aber danach können die Bilder nicht weiterverarbeitet werden. Ich lade mal
ein Bild hoch, welches den betreffenden Bereich im Vi zeigt. Vielleicht liegt es an dem Befehl Pfad erstellen?
Der will nämlich immer nur einen genauen NamenSadz.b.: Test1.jpg

Also die Bilder werden danach weiterverarbeitet, somit muss der Pfad der aus der Schleife rauskommt
einzelnd weitergegeben werden.

Ziel: (also vielleicht gibt es auch eine Alternative?) :
Ich versuche Bilder mit den Namen Test1.jpg bis Test200.jpg nacheinander einzulesen und weiterzu verarbeiten.
Dachte die Lösung von Pollysfriend könnte mir helfen, aber wenn es ander geht bin ich auch bereit dafürSmile

Wäre für eine Hilfe dankbar.
Gruß,
Safa


Angehängte Datei(en) Thumbnail(s)
   
Alle Beiträge dieses Benutzers finden
Diese Nachricht in einer Antwort zitieren to top
Anzeige
15.12.2009, 16:27
Beitrag #2

Safa Offline
LVF-Gelegenheitsschreiber
**


Beiträge: 76
Registriert seit: May 2009

2010
-
kA

44866
Deutschland
Bilder weiterverarbeiten mit Vision
Achso. Mein Programm funktioniert so:

   

wenn ich natürlich alle restlichen Drähte Verbinden. Aber wie oben schon erwähnt leider
nur mit einem Bild und nicht mit 200.

Gruß,
Safa
Alle Beiträge dieses Benutzers finden
Diese Nachricht in einer Antwort zitieren to top
15.12.2009, 21:30
Beitrag #3

jg Offline
CLA & CLED
LVF-Team

Beiträge: 15.864
Registriert seit: Jun 2005

20xx / 8.x
1999
EN

Franken...
Deutschland
Bilder weiterverarbeiten mit Vision
Bei den IMAQ-Bildern musst du ein wenig umdenken. Wenn du 200 Bilder einliest, dann musst du auch 200 verschieden Bilder mit 200 unterschiedlichen Namen per IMAQ Create (?) anlegen.

Im Gegensatz zu den meisten Daten in LabVIEW ist die IMAQ-Leitung nur eine Referenz! (Also quasi ein Pointer).

Aktuell liest du 200 verschiedene Bilder ein, weist sie aber jedesmal demselben Speicher zu.

Gruß, Jens

Wer die erhabene Weisheit der Mathematik tadelt, nährt sich von Verwirrung. (Leonardo da Vinci)

!! BITTE !! stellt mir keine Fragen über PM, dafür ist das Forum da - andere haben vielleicht auch Interesse an der Antwort!

Einführende Links zu LabVIEW, s. GerdWs Signatur.
Alle Beiträge dieses Benutzers finden
Diese Nachricht in einer Antwort zitieren to top
16.12.2009, 08:17
Beitrag #4

unicorn Offline
LVF-Freak
****


Beiträge: 680
Registriert seit: Jul 2009

8.6.1, 2010 - 2012
1994
EN

10xxx
Deutschland
Bilder weiterverarbeiten mit Vision
So weit ich das in der Kürze überblicke, wird die Dateiliste aus dem VI "Rekursive Dateiliste" gar nicht abgearbeitet. Es wird lediglich der Startpfad der rekursiven Suche abgearbeitet (was Unsinn ist).

Also: Zähl-Schleife um die Bildverabeitung und die Dateiliste über automatische Indizierung an das VI zum Bilder öffnen knüpfen. Dann kommt man auch mit einem Vision Image aus.
Alle Beiträge dieses Benutzers finden
Diese Nachricht in einer Antwort zitieren to top
16.12.2009, 15:24
Beitrag #5

Safa Offline
LVF-Gelegenheitsschreiber
**


Beiträge: 76
Registriert seit: May 2009

2010
-
kA

44866
Deutschland
Bilder weiterverarbeiten mit Vision
danke für eure Antworten.
Habe nun das Problem mit einer Schleife versucht zu lösen, wie es Unicorn beschrieben hat.
Ich glaube aber, dass ich die Umsetzung nicht korrekt gemacht habeSad
Also ich habe nun um das ImaqReadFile eine Schleife gebaut. leider kommt nun eine Fehlermeldung.
Habe die For-Schleife gewählt, damit der Benutzer eingeben soll, wieviele Dateien er einlesen möchte.
Könnte mir bitte einer vielleicht einen Screenshot hinterlegen, damit genau verstehe, wie das Problem gelöst werden soll ?
Das wäre superSmile
   
Danke,
Gruß,
Safa
Alle Beiträge dieses Benutzers finden
Diese Nachricht in einer Antwort zitieren to top
16.12.2009, 15:51
Beitrag #6

thomas.sandrisser Offline
LVF-SeniorMod


Beiträge: 1.298
Registriert seit: Sep 2005

xxxx
2005
EN

78759
United States
Bilder weiterverarbeiten mit Vision
Das IMAQ Create legt einen Speicherbereich fuer das Bild an.
Du allokierst X mal exakt den gleichen Speicher, weil du den 'NAMEN' nicht aenderst. Stell sicher, das bei jeder Iteration der For Schleife ein anderer Name an das IMAQ Create uebergeben wird.
Webseite des Benutzers besuchen Alle Beiträge dieses Benutzers finden
Diese Nachricht in einer Antwort zitieren to top
Anzeige
16.12.2009, 17:08
Beitrag #7

Safa Offline
LVF-Gelegenheitsschreiber
**


Beiträge: 76
Registriert seit: May 2009

2010
-
kA

44866
Deutschland
Bilder weiterverarbeiten mit Vision
Also ist das im Prinzip der Ersatz für den String am Befehl "Pfad erstellen"?
Kann das leider nicht umsetzen. Warum kann man nicht einfach den gespeicherten Pfad
mit Dateinamen einzelnd in die For-Schleife schicken? Dann würde doch alles funktionieren.

@Thomas.Sandrisser: Hast Du vielleicht einen Tipp für mich, wie ich das umsetzen kann?


Gruß,
Safa
Alle Beiträge dieses Benutzers finden
Diese Nachricht in einer Antwort zitieren to top
16.12.2009, 17:49
Beitrag #8

thomas.sandrisser Offline
LVF-SeniorMod


Beiträge: 1.298
Registriert seit: Sep 2005

xxxx
2005
EN

78759
United States
Bilder weiterverarbeiten mit Vision
VI snippet:


Angehängte Datei(en) Thumbnail(s)
   
Webseite des Benutzers besuchen Alle Beiträge dieses Benutzers finden
Diese Nachricht in einer Antwort zitieren to top
16.12.2009, 18:44 (Dieser Beitrag wurde zuletzt bearbeitet: 16.12.2009 19:01 von Safa.)
Beitrag #9

Safa Offline
LVF-Gelegenheitsschreiber
**


Beiträge: 76
Registriert seit: May 2009

2010
-
kA

44866
Deutschland
Bilder weiterverarbeiten mit Vision
Vielen Dank,
leider passiert nun folgendes:

   

Tut mir leid, bin ein Neuling auf diesem GebietSmile
Also so wie ich das sehe, kommt der Pfad richtig an, denn nun steht die Adresse und der Dateiname,
aber trotzdem sehe ich leider noch kein Bild. Was mache ich falsch ?

Gruß,
Safa

Problem gelöst:)es lag an meiner Datei, die hieß Test1.jpg und nicht Test0.jpg
Super Danke @thomas.sandrisser
Alle Beiträge dieses Benutzers finden
Diese Nachricht in einer Antwort zitieren to top
17.12.2009, 09:15
Beitrag #10

unicorn Offline
LVF-Freak
****


Beiträge: 680
Registriert seit: Jul 2009

8.6.1, 2010 - 2012
1994
EN

10xxx
Deutschland
Bilder weiterverarbeiten mit Vision
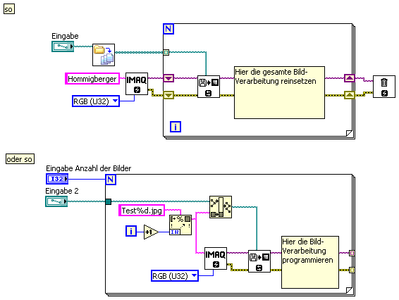
So richtig wird das immer noch nicht klappen. Lies Dir mal die Hilfe zum VI Rekursive Dateiliste aufmerksam durch.

Alle Bilder gleichzeitig öffnen, ergibt irgendwann ein Speicherproblem. 200 JPG à 2540 mal 1920 Pixeln verbraucht rund 3,7 GB Hauptspeicher. Also besser nacheinander abarbeiten, wenn das möglich ist.

Hier noch mal ein (unvollständiger) Programmtipp:


Angehängte Datei(en) Thumbnail(s)
   
Alle Beiträge dieses Benutzers finden
Diese Nachricht in einer Antwort zitieren to top
Antwort schreiben 


Möglicherweise verwandte Themen...
Themen Verfasser Antworten Views Letzter Beitrag
  Bilder in Vision Builder AI aneinander fügen mdu 2 6.944 31.03.2015 10:49
Letzter Beitrag: wladimir s
  Bilder serien, unscharfe Bilder rausschmeiße Teala 9 11.291 18.03.2013 16:52
Letzter Beitrag: Teala
  Image öffnen, Bereich markieren, weiterverarbeiten Peter Schulze 5 9.662 17.12.2009 14:29
Letzter Beitrag: Peter Schulze
  Werte von Kamera in Unterprogramm einlesen und im Hauptprogramm auslesen und weiterverarbeiten Emmi 2 4.837 30.04.2009 09:38
Letzter Beitrag: LilLooo
  NI Vision Builder Projekt -> NI Vision Developemnet bolle 8 14.281 08.01.2009 09:07
Letzter Beitrag: bolle
  Vision und Vision ACQ Runtime Lizenzen gottfried 4 8.286 06.08.2008 20:44
Letzter Beitrag: Curtis Newton

Gehe zu: