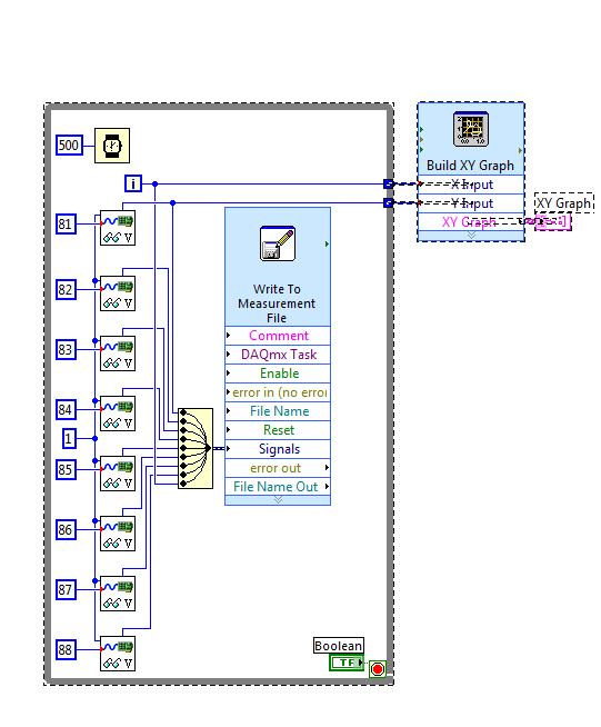
ADC Werte in X-Y Express-VI darstellen |
Wenn dein Problem oder deine Frage geklärt worden ist, markiere den Beitrag als "Lösung",
indem du auf den "Lösung" Button rechts unter dem entsprechenden Beitrag klickst. Vielen Dank!
|
|
|
| Möglicherweise verwandte Themen... | |||||
| Themen | Verfasser | Antworten | Views | Letzter Beitrag | |
| Werte per "nichtlinearer Kurvenanpassung" fitten und darstellen | Thaddl | 5 | 9.076 |
02.06.2015 11:48 Letzter Beitrag: Thaddl |
|
| Sinus/Cosinus Werte kontinuierlich in Graph darstellen | TDO | 19 | 23.331 |
13.12.2013 11:33 Letzter Beitrag: Lucki |
|
| die aktuellsten werte aus mysql grafisch darstellen | Marvin2.0 | 9 | 10.745 |
11.08.2013 21:32 Letzter Beitrag: Marvin2.0 |
|
| Werte in Diagramm darstellen | Raphael | 10 | 17.700 |
05.12.2011 10:54 Letzter Beitrag: Raphael |
|
| Werte in Diagramm darstellen - mehrere Quellen | tt-web | 3 | 9.945 |
02.07.2010 21:11 Letzter Beitrag: GerdW |
|






könntest, damit man wenigstens Deine LabVIEW-Version kennt.