INFO: Dieses Forum nutzt Cookies...
Cookies sind für den Betrieb des Forums unverzichtbar. Mit der Nutzung des Forums erklärst Du dich damit einverstanden, dass wir Cookies verwenden.

Es wird in jedem Fall ein Cookie gesetzt um diesen Hinweis nicht mehr zu erhalten. Desweiteren setzen wir Google Adsense und Google Analytics ein.


Antwort schreiben 

Zahlenwerte Array und Strings .txt File lesen



Wenn dein Problem oder deine Frage geklärt worden ist, markiere den Beitrag als "Lösung",
indem du auf den "Lösung" Button rechts unter dem entsprechenden Beitrag klickst. Vielen Dank!

11.01.2009, 17:15
Beitrag #1

Koch Offline
LVF-Grünschnabel
*


Beiträge: 21
Registriert seit: Oct 2008

9.0
2008
de

51598
Deutschland
Zahlenwerte Array und Strings .txt File lesen
Hallo,

ich möchte Strings,Zahlenwerte und ein Array in eine Textdatei schreiben und wieder auslesen.
Das schreiben in die Textdatei funktioniert genau wie ich das möchte bis auf eine Kleinigkeit. Vor dem String "Messung durchgeführt" ist ein Leerzeichen welches ich mir nicht erklären kann.
Beim auslesen gibt es allerdings Probleme. Ich verwende die Funktion in String suchen und diese Funktion gibt einen Fehler zurück ( String entspricht nicht dem erwarteten Format).
Beim stöbern durch das Forum habe ich gesehen das man in den Anschluss Format String auch direkt einen Text einschreiben kann. In meinen BSP habe ich das jetzt anders realisiert, weil man ja anscheinend in das Format String Feld nur 255 Zeichen einschreiben kann. Gibt es da andere Lösungen. Ich würde da ansosnten meinen Beschriftungstext direkt mit reinnehmen. In meinem original Prog müssen nämlich wesentlich mehr Daten rein. wie z.B Datum, Name, Luftdruck usw.
Könnte mir eventuell jemand helfen.

Ich benutze LabVIEW 8.5

Vielen Dank im Vorraus



Sonstige .vi  mehrspaltig_abspeichern.vi (Größe: 25,21 KB / Downloads: 454)


Sonstige .txt  test.txt (Größe: 201 Bytes / Downloads: 464)
Alle Beiträge dieses Benutzers finden
Diese Nachricht in einer Antwort zitieren to top
Anzeige
11.01.2009, 18:00 (Dieser Beitrag wurde zuletzt bearbeitet: 11.01.2009 18:05 von Y-P.)
Beitrag #2

Y-P Offline
☻ᴥᴥᴥ☻ᴥᴥᴥ☻
LVF-Team

Beiträge: 12.612
Registriert seit: Feb 2006

Developer Suite Core -> LabVIEW 2015 Prof.
2006
EN

71083
Deutschland
Zahlenwerte Array und Strings .txt File lesen
Mach's doch so...


Sonstige .vi  mehrspaltig_abspeichern_neu.vi (Größe: 17,85 KB / Downloads: 546)

Lv85_img

Gruß Markus

--------------------------------------------------------------------------
Bitte stellt mir keine Fragen über PM, dafür ist das Forum da - andere haben vielleicht auch Interesse an der Antwort !!
--------------------------------------------------------------------------
Alle Beiträge dieses Benutzers finden
Diese Nachricht in einer Antwort zitieren to top
11.01.2009, 18:49
Beitrag #3

Koch Offline
LVF-Grünschnabel
*


Beiträge: 21
Registriert seit: Oct 2008

9.0
2008
de

51598
Deutschland
Zahlenwerte Array und Strings .txt File lesen
Hey super,

danke für deine schnelle Antwort.
Das Problem an der Sache ist das ich eine bestimmte Formatierung einhalten muss. Die Daten die ich in diese txt Datei einschreibe werden später mit Mathlab weiter bearbeitet.
D.h ich habe einen Header in dem Allgemeine Sachen stehen. Und dann noch Messdaten die ich dann wieder in ein Array schreiben muss. Aus dem Header Teil muss ich auch Daten wieder in Variablen schreiben, wie z.B die Temperatur.
Das ganze hat den Zweck das man ne Messung abspeichern kann und hinterher wieder laden kann mit all den Parametern um dann die Messung fortzusetzten.
Im Prinzip muss die Datei ungefähr so aussehen wie in dem ersten Anhang von mir.
Wäre nett wenn du eine Lösung weißt..

Danke


Gruß

Steffen
Alle Beiträge dieses Benutzers finden
Diese Nachricht in einer Antwort zitieren to top
11.01.2009, 21:03
Beitrag #4

Y-P Offline
☻ᴥᴥᴥ☻ᴥᴥᴥ☻
LVF-Team

Beiträge: 12.612
Registriert seit: Feb 2006

Developer Suite Core -> LabVIEW 2015 Prof.
2006
EN

71083
Deutschland
Zahlenwerte Array und Strings .txt File lesen
Achso.... auch kein Problem.
Meinst Du so?


Sonstige .vi  mehrspaltig_abspeichern_ganz_neu.vi (Größe: 25,6 KB / Downloads: 376)

Lv85_img

Gruß Markus

--------------------------------------------------------------------------
Bitte stellt mir keine Fragen über PM, dafür ist das Forum da - andere haben vielleicht auch Interesse an der Antwort !!
--------------------------------------------------------------------------
Alle Beiträge dieses Benutzers finden
Diese Nachricht in einer Antwort zitieren to top
11.01.2009, 22:42 (Dieser Beitrag wurde zuletzt bearbeitet: 12.01.2009 08:45 von Lucki.)
Beitrag #5

Lucki Offline
Tech.Exp.2.Klasse
LVF-Team

Beiträge: 7.699
Registriert seit: Mar 2006

LV 2016-18 prof.
1995
DE

01108
Deutschland
Zahlenwerte Array und Strings .txt File lesen
' schrieb:Beim stöbern durch das Forum habe ich gesehen das man in den Anschluss Format String auch direkt einen Text einschreiben kann. In meinen BSP habe ich das jetzt anders realisiert, weil man ja anscheinend in das Format String Feld nur 255 Zeichen einschreiben kann. Gibt es da andere Lösungen. Ich würde da ansosnten meinen Beschriftungstext direkt mit reinnehmen. In meinem original Prog müssen nämlich wesentlich mehr Daten rein. wie z.B Datum, Name, Luftdruck
Schau Dir das mal an, nur so als Anregung.
Kleiner Schönheitsfehler: Die einzugebenden Strings sollten einzeilig und ohne Leerzeichen sein.
Wenn die Zeichenlänge des Formatsrings auf 255 Zeichen beschränkt sein sollte, dann kanst Du doch den String etappenweise in die Datei schreiben bzw. rückgewinnen, mit mehreren Formatstrings. Das VI "In String suchen" besitzt dafür einen Ausgang für den Reststring.

   
Lv85_img
Sonstige .vi  mehrspaltig_abspeichern.vi (Größe: 24,1 KB / Downloads: 362)
Alle Beiträge dieses Benutzers finden
Diese Nachricht in einer Antwort zitieren to top
12.01.2009, 08:29
Beitrag #6

chrissyPu Offline
LVF-Stammgast
***


Beiträge: 467
Registriert seit: Jun 2006

2014 PDS
2006
DE_EN

64283
Deutschland
Zahlenwerte Array und Strings .txt File lesen
Hi,

wenn Du später eh mit Matlab arbeitest, könntest Du (wenn Du eine entsprechende Lizenz "übrig" hast) auch direkt mit einem Matlab-Node die Sachen speichern. Mach ich auch so, hat auch den Vorteil, dass man nicht auf Teufel komm raus alles in irgendwelche Strings konvertieren muss, sondern das ganze als .mat in einer Datei abspeichern kann...

ch
Webseite des Benutzers besuchen Alle Beiträge dieses Benutzers finden
Diese Nachricht in einer Antwort zitieren to top
Anzeige
12.01.2009, 09:29
Beitrag #7

Lucki Offline
Tech.Exp.2.Klasse
LVF-Team

Beiträge: 7.699
Registriert seit: Mar 2006

LV 2016-18 prof.
1995
DE

01108
Deutschland
Zahlenwerte Array und Strings .txt File lesen
' schrieb:Wenn die Zeichenlänge des Formatsrings auf 255 Zeichen beschränkt sein sollte, dann kanst Du doch den String etappenweise in die Datei schreiben bzw. rückgewinnen, mit mehreren Formatstrings.
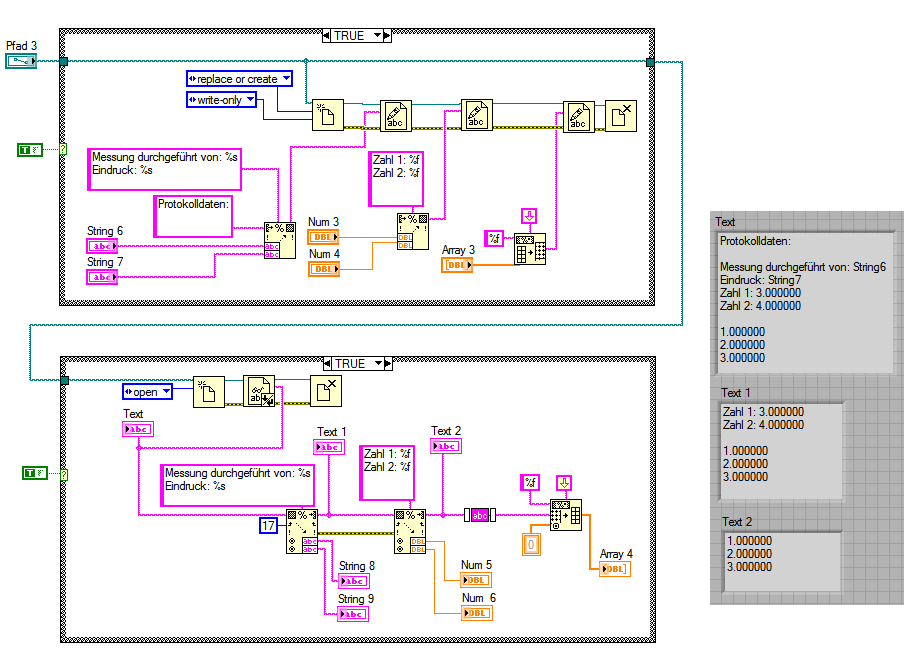
Ergänzung: Das Bild zeigt die Aufspaltung des Fomatstrings in mehrere kleine Formatstrings (Was natürlich hier keinen Sinn macht, da der ursprüngliche Formatstring kleiner als 255 Zeichen ist).
   
Alle Beiträge dieses Benutzers finden
Diese Nachricht in einer Antwort zitieren to top
14.01.2009, 14:02
Beitrag #8

Koch Offline
LVF-Grünschnabel
*


Beiträge: 21
Registriert seit: Oct 2008

9.0
2008
de

51598
Deutschland
Zahlenwerte Array und Strings .txt File lesen
Super.

Danke für eure vielen Antworten und Vorschläge. Hab mit eurer Hilfe das was ich machen will realisiert.
Bin natürlich wiedermal auf ein weiteres Problem gestoßen.

Egal wie ich Daten in eine Textdatei schreibe. Zahlen werden immer mit einem Komma getrennt. Um vernümpftig in Mathlab einzulesen ohne einen speziellen Datentyp zu verwenden müssen Zahlen mit einem Punkt getrennt werden.
Kann man das eventuell umstellen? Also Zahlen anstatt Komma mit einem Punkt zu trennen??


Vielen Dank


Steffen
Alle Beiträge dieses Benutzers finden
Diese Nachricht in einer Antwort zitieren to top
14.01.2009, 14:13
Beitrag #9

jg Offline
CLA & CLED
LVF-Team

Beiträge: 15.864
Registriert seit: Jun 2005

20xx / 8.x
1999
EN

Franken...
Deutschland
Zahlenwerte Array und Strings .txt File lesen
Na klar:

Formatspecifer von %f auf %.;%f ändern.

Gruß, Jens

Wer die erhabene Weisheit der Mathematik tadelt, nährt sich von Verwirrung. (Leonardo da Vinci)

!! BITTE !! stellt mir keine Fragen über PM, dafür ist das Forum da - andere haben vielleicht auch Interesse an der Antwort!

Einführende Links zu LabVIEW, s. GerdWs Signatur.
Alle Beiträge dieses Benutzers finden
Diese Nachricht in einer Antwort zitieren to top
14.01.2009, 18:07
Beitrag #10

Lucki Offline
Tech.Exp.2.Klasse
LVF-Team

Beiträge: 7.699
Registriert seit: Mar 2006

LV 2016-18 prof.
1995
DE

01108
Deutschland
Zahlenwerte Array und Strings .txt File lesen
' schrieb:Na klar:
Formatspecifer von %f auf %.;%f ändern.
Oder - so habe ich es gemacht und nicht eine Sekunde bereut - das ganze LabVIEW gleich auf Dezimalpunkt umstellen:
Werkzeuge/ Optionen /Frontpanel / Häkchen "Lokales Dezimalzeichen verwenden" entfernen.
-
Alle Beiträge dieses Benutzers finden
Diese Nachricht in einer Antwort zitieren to top
30
Antwort schreiben 


Möglicherweise verwandte Themen...
Themen Verfasser Antworten Views Letzter Beitrag
  String Array in bin schreiben und lesen EOF hansi9990 9 11.601 31.08.2016 10:56
Letzter Beitrag: hansi9990
  bestimmte Werte aus Array lesen psypher 5 8.733 12.04.2016 09:21
Letzter Beitrag: psypher
  String lesen, nach vorgaben löschen und in Array schreiben nova.08 6 9.199 18.09.2014 13:31
Letzter Beitrag: GerdW
  CSV Datei, lesen + schreiben, strings, double Fireraiser 3 12.900 02.05.2013 14:49
Letzter Beitrag: Fireraiser
  String lesen und in Array schreiben maxikboy 2 12.598 19.09.2012 09:52
Letzter Beitrag: maxikboy
  Strings in Array einordnen und abrufen Lucky 2 4.398 24.06.2010 16:45
Letzter Beitrag: Lucky

Gehe zu: