INFO: Dieses Forum nutzt Cookies...
Cookies sind für den Betrieb des Forums unverzichtbar. Mit der Nutzung des Forums erklärst Du dich damit einverstanden, dass wir Cookies verwenden.

Es wird in jedem Fall ein Cookie gesetzt um diesen Hinweis nicht mehr zu erhalten. Desweiteren setzen wir Google Adsense und Google Analytics ein.


Antwort schreiben 

Daten aus Graph in Werte ausgeben



Wenn dein Problem oder deine Frage geklärt worden ist, markiere den Beitrag als "Lösung",
indem du auf den "Lösung" Button rechts unter dem entsprechenden Beitrag klickst. Vielen Dank!

07.12.2015, 12:03
Beitrag #41

GerdW Offline
______________
LVF-Team

Beiträge: 17.540
Registriert seit: May 2009

LV2019 (LV2021)
1995
DE_EN

10×××
Deutschland
RE: Daten aus Graph in Werte ausgeben
Hallo Sandro,

Zitat:Muss ich das über den DAQ Assistent machen oder einfach die DAQmx read vi verwenden?!
Niemand zwingt dich dazu, ExpressVIs zu verwenden! (Es soll sogar vorkommen, dass man dir davon abrät! Big Grin )

Schau dir die DAQmxBasics in meiner Signatur an, die vielen fertigen BeispielVIs zu DAQmx und dann "einfach" die DAQmx-Funktionen verwenden!

Alle Beiträge dieses Benutzers finden
Diese Nachricht in einer Antwort zitieren to top
Anzeige
07.12.2015, 13:40
Beitrag #42

Sandro5 Offline
LVF-Gelegenheitsschreiber
**


Beiträge: 113
Registriert seit: Mar 2014

2014
2014
EN


Deutschland
RE: Daten aus Graph in Werte ausgeben
Habe es versucht mit den DAQ Funktionen, leider hänge ich im Moment.
Kannst du mir ein ähnliches Beispiel zeigen oder mein VI verbessern oder sagen was da fehlt?
Danke


Angehängte Datei(en)
14.0 .vi  test_151207.vi (Größe: 33,99 KB / Downloads: 199)
Alle Beiträge dieses Benutzers finden
Diese Nachricht in einer Antwort zitieren to top
07.12.2015, 13:46 (Dieser Beitrag wurde zuletzt bearbeitet: 07.12.2015 13:47 von GerdW.)
Beitrag #43

GerdW Offline
______________
LVF-Team

Beiträge: 17.540
Registriert seit: May 2009

LV2019 (LV2021)
1995
DE_EN

10×××
Deutschland
RE: Daten aus Graph in Werte ausgeben
Hallo Sandro,

hast du dir die einfachen Beispiele zu DAQmx im Beispielfinder mal angeschaut? Wirklich? Und auch verstanden, was da passiert???

Was soll die DAQmx-Property "Signalverlaufsattribute" bewirken?
Warum verzweigst du eine DAQmx-Referenz auf zwei parallele DAQmxRead?
Wieso verwendest du eine DAQmx-Referenz für zwei parallele DAQmxRead, wenn du zwei Kanäle einlesen willst?
Wo wird der DAQmxTask erstellt/definiert?
Hast du deine zwei Kanäle im Task definiert?
Warum verwendest du den Modus "1Kanal 1Sample", wenn du eigentlich (mindestens) 2 Kanäle lesen willst?

Hast du dir das DAQmxBasics durchgelesen - und verstanden? Hmm
Rtmfx

Alle Beiträge dieses Benutzers finden
Diese Nachricht in einer Antwort zitieren to top
07.12.2015, 13:57
Beitrag #44

Sandro5 Offline
LVF-Gelegenheitsschreiber
**


Beiträge: 113
Registriert seit: Mar 2014

2014
2014
EN


Deutschland
RE: Daten aus Graph in Werte ausgeben
Hallo Gerd,
angeschaut ja, nur nicht immer verstanden.
Und kein Beispiel gefunden, welches mit meinem Problem ähnlich ist...Sad daher ein wenig aufgeschmissenBlink
Gruß
Alle Beiträge dieses Benutzers finden
Diese Nachricht in einer Antwort zitieren to top
07.12.2015, 14:10 (Dieser Beitrag wurde zuletzt bearbeitet: 07.12.2015 14:11 von GerdW.)
Beitrag #45

GerdW Offline
______________
LVF-Team

Beiträge: 17.540
Registriert seit: May 2009

LV2019 (LV2021)
1995
DE_EN

10×××
Deutschland
RE: Daten aus Graph in Werte ausgeben
Hallo Sandro,

Beispielfinder öffnen:
-> "Signalerfassung und -ausgabe"
-> "DAQmx"
-> "Analoge Erfassung"
-> "Spannung - Softwaregetaktete Erfassung"
Also wirklich: ist es so schwer, im Beispielfinder sich mal durchzuklicken?

Man kann im Beispielfinder auch nach seiner Hardware filtern!

Alle Beiträge dieses Benutzers finden
Diese Nachricht in einer Antwort zitieren to top
07.12.2015, 16:00 (Dieser Beitrag wurde zuletzt bearbeitet: 07.12.2015 16:02 von Sandro5.)
Beitrag #46

Sandro5 Offline
LVF-Gelegenheitsschreiber
**


Beiträge: 113
Registriert seit: Mar 2014

2014
2014
EN


Deutschland
RE: Daten aus Graph in Werte ausgeben
(07.12.2015 14:10 )GerdW schrieb:  Also wirklich: ist es so schwer, im Beispielfinder sich mal durchzuklicken?
Ich habe mich durchgeklickt...habe die EN-Version. Daher habe ich folgendes Beispiel gefunden: Voltage - SW Timed Input
Denke dieses Beispiel hast du gemeint?
Habe das nun auch bei mir im VI eingebaut, nur weiß ich immer noch nicht wie ich die Anschlüsse von atan2, (X und Y) verbinden muss?
Ein letzter Schritt...dann habt ihr mich los Big Grin Danke für Eure Hilfe!
Alle Beiträge dieses Benutzers finden
Diese Nachricht in einer Antwort zitieren to top
Anzeige
07.12.2015, 16:07
Beitrag #47

GerdW Offline
______________
LVF-Team

Beiträge: 17.540
Registriert seit: May 2009

LV2019 (LV2021)
1995
DE_EN

10×××
Deutschland
RE: Daten aus Graph in Werte ausgeben
Hallo Sandro,

Zitat:Habe das nun auch bei mir im VI eingebaut, nur weiß ich immer noch nicht wie ich die Anschlüsse von atan2, (X und Y) verbinden muss?
Du solltest jetzt zwei (2) Spannungssignale von 2 Sensoren einlesen.
Das DAQmxRead würde ich jetzt auf "NChan 1Sample" umstellen, damit solltest du ein 1D-Array of DBL bekommen. Nun noch einfach IndexArray, um den ersten und zweiten Kanal (=Sensorsignal) zu bekommen…

Zitat:habe die EN-Version
Das könnte man im Profil angeben - dann wüsste jeder gleich, wie er dir etwas beschreiben soll…

Alle Beiträge dieses Benutzers finden
Diese Nachricht in einer Antwort zitieren to top
07.12.2015, 16:34
Beitrag #48

Sandro5 Offline
LVF-Gelegenheitsschreiber
**


Beiträge: 113
Registriert seit: Mar 2014

2014
2014
EN


Deutschland
RE: Daten aus Graph in Werte ausgeben
(07.12.2015 16:07 )GerdW schrieb:  Das könnte man im Profil angeben - dann wüsste jeder gleich, wie er dir etwas beschreiben soll…
Ist in meinem Profil angegebenWink

So in etwa? Nur wie ich das zweite Spannungssignale einlese...klappt nicht!


Angehängte Datei(en)
14.0 .vi  test__151207.vi (Größe: 54,01 KB / Downloads: 200)
Alle Beiträge dieses Benutzers finden
Diese Nachricht in einer Antwort zitieren to top
07.12.2015, 17:15 (Dieser Beitrag wurde zuletzt bearbeitet: 07.12.2015 17:17 von GerdW.)
Beitrag #49

GerdW Offline
______________
LVF-Team

Beiträge: 17.540
Registriert seit: May 2009

LV2019 (LV2021)
1995
DE_EN

10×××
Deutschland
RE: Daten aus Graph in Werte ausgeben
Hallo Sandro,

Zitat:So in etwa?
So in etwa…
Warum muss man in der inneren FOR-Loop jedesmal dan Task neu anlegen und wieder löschen? Das wird in den Beispielen anders gezeigt…

Zitat:Nur wie ich das zweite Spannungssignale einlese...klappt nicht!
Auch das wird in den Beispielen gezeigt!
Momentan hast du nur einen Kanal ausgewählt und legst damit den Task an.
Wie wäre es denn, beide Kanäle beim Erstellen der Virtuellen Kanäle anzugeben!?

Rtmfx Lies dir doch einfach mal die Hilfe zur Funktion DAQmxCreateChannel durch! Da wird erläutert, wie man einen oder mehrere Kanäle anlegen kann! Rtmfx

Alle Beiträge dieses Benutzers finden
Diese Nachricht in einer Antwort zitieren to top
07.12.2015, 19:22
Beitrag #50

Sandro5 Offline
LVF-Gelegenheitsschreiber
**


Beiträge: 113
Registriert seit: Mar 2014

2014
2014
EN


Deutschland
RE: Daten aus Graph in Werte ausgeben
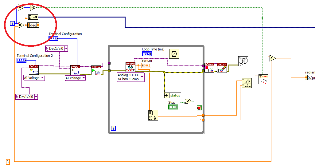
So jetzt hab ichs...glaub ich zumindest?!Smile
Nur der rot eingekreiste Teil...das passt ja so nicht?!


Angehängte Datei(en) Thumbnail(s)
   
Alle Beiträge dieses Benutzers finden
Diese Nachricht in einer Antwort zitieren to top
30
Antwort schreiben 


Möglicherweise verwandte Themen...
Themen Verfasser Antworten Views Letzter Beitrag
  Zeitstempel stimmt nicht - Graph aus Daten in TDMS-File erstellen Aspen 2 6.403 06.09.2017 14:37
Letzter Beitrag: Aspen
  8 Werte in XY Graph mit Historie schreiben UFPhC 11 13.138 17.11.2016 07:48
Letzter Beitrag: jg
  XY-Daten werden nach laden nur kurz in Graph dargestellt Daniel90 13 13.982 29.01.2016 11:02
Letzter Beitrag: Daniel90
  XY Graph Darstellung Daten Mare6388 33 30.247 05.05.2015 11:46
Letzter Beitrag: GerdW
  XY-Graph zeigt nicht vorhandene Werte Serial 4 7.224 10.06.2014 09:07
Letzter Beitrag: Serial
  Signalverlauf in 3D-Graph ausgeben xrzr 1 4.452 02.06.2014 13:59
Letzter Beitrag: Kasi

Gehe zu: