INFO: Dieses Forum nutzt Cookies...
Cookies sind für den Betrieb des Forums unverzichtbar. Mit der Nutzung des Forums erklärst Du dich damit einverstanden, dass wir Cookies verwenden.

Es wird in jedem Fall ein Cookie gesetzt um diesen Hinweis nicht mehr zu erhalten. Desweiteren setzen wir Google Adsense und Google Analytics ein.


Antwort schreiben 

Messwerterfassung auf fallende Flanke



Wenn dein Problem oder deine Frage geklärt worden ist, markiere den Beitrag als "Lösung",
indem du auf den "Lösung" Button rechts unter dem entsprechenden Beitrag klickst. Vielen Dank!

31.10.2013, 10:38 (Dieser Beitrag wurde zuletzt bearbeitet: 31.10.2013 10:41 von chrigi28.)
Beitrag #1

chrigi28 Offline
LVF-Grünschnabel
*


Beiträge: 42
Registriert seit: Aug 2011

11
2011
EN

8887
Schweiz
Messwerterfassung auf fallende Flanke
Ich steh wiedermal voll auf der Leitung Blink

Ich muss jeweils nach der fallenden Flanke eines Signals welches ich selbst ausgegeben hab einen Wert eines anderen Kanals einlesen.


MeinAusgang:___||_________||_________||______
Mein eingang:____||_________||_________||____ (ein High bedeutet 1 sample lesen)

Ich hab mir das so überlegt, dass ich das ausgegebene Signal auf ein PFI eingang zurückführe um triggern zu können. D.h sobald an PFI eine fallende flanke kommt lese ich meinen Eingang einmal und das soll dann wiederholt (18mal) geschehen.

Ich bekomm das leider nicht umgesetzt mir fehlt da einfach das Knowhow da ich mit der Datenerfassung nicht viel Erfahrung hab. Ich hab verschiedene Versuche getestet aber keins will recht.

Kann mir jemand auf die Sprünge helfen?
Falls meine Überlegungen falsch sind bzw es einfacher ginge ich bin für jeden Ratschlag offen.

Soweit mein letzter Ansatz.

10.0 .vi  skcpulse.vi (Größe: 19,8 KB / Downloads: 343)


   
Alle Beiträge dieses Benutzers finden
Diese Nachricht in einer Antwort zitieren to top
Anzeige
31.10.2013, 11:02
Beitrag #2

jg Offline
CLA & CLED
LVF-Team

Beiträge: 15.864
Registriert seit: Jun 2005

20xx / 8.x
1999
EN

Franken...
Deutschland
RE: Messwerterfassung auf fallende Flanke
Also wenn du mehrfach einen Kanal erfassen willst, dann würde ich mit einer "externen" Clock arbeiten, nicht mit Trigger. Der dient zum Start der Datenerfassung.

Gruß, Jens

Wer die erhabene Weisheit der Mathematik tadelt, nährt sich von Verwirrung. (Leonardo da Vinci)

!! BITTE !! stellt mir keine Fragen über PM, dafür ist das Forum da - andere haben vielleicht auch Interesse an der Antwort!

Einführende Links zu LabVIEW, s. GerdWs Signatur.
Alle Beiträge dieses Benutzers finden
Diese Nachricht in einer Antwort zitieren to top
31.10.2013, 11:03
Beitrag #3

Y-P Offline
☻ᴥᴥᴥ☻ᴥᴥᴥ☻
LVF-Team

Beiträge: 12.612
Registriert seit: Feb 2006

Developer Suite Core -> LabVIEW 2015 Prof.
2006
EN

71083
Deutschland
RE: Messwerterfassung auf fallende Flanke
Momentan liest Du nach einer Flanke 18 Mal und nicht nach 18 Flanken jeweils einmal. Das wolltest Du doch aber, oder?

Gruß Markus

--------------------------------------------------------------------------
Bitte stellt mir keine Fragen über PM, dafür ist das Forum da - andere haben vielleicht auch Interesse an der Antwort !!
--------------------------------------------------------------------------
Alle Beiträge dieses Benutzers finden
Diese Nachricht in einer Antwort zitieren to top
31.10.2013, 11:05 (Dieser Beitrag wurde zuletzt bearbeitet: 31.10.2013 11:05 von chrigi28.)
Beitrag #4

chrigi28 Offline
LVF-Grünschnabel
*


Beiträge: 42
Registriert seit: Aug 2011

11
2011
EN

8887
Schweiz
RE: Messwerterfassung auf fallende Flanke
Das hab ich mir auch schon gedacht aber leider kann ich das nicht entscheiden, da ich die HW vorgegeben habe und da gibt es leider keinen clock -.-
(31.10.2013 11:03 )Y-P schrieb:  Momentan liest Du nach einer Flanke 18 Mal und nicht nach 18 Flanken jeweils einmal. Das wolltest Du doch aber, oder?

Gruß Markus

ich wollte nach jeder flanke 1 messwert ja.
Alle Beiträge dieses Benutzers finden
Diese Nachricht in einer Antwort zitieren to top
31.10.2013, 11:22
Beitrag #5

GerdW Offline
______________
LVF-Team

Beiträge: 17.536
Registriert seit: May 2009

LV2019 (LV2021)
1995
DE_EN

10×××
Deutschland
RE: Messwerterfassung auf fallende Flanke
Hallo chrigi,

wenn du eine Flanke zur Verfügung hast, bei der du einen Messwert aufnehmen willst, dann musst du dieses Pulssignal als "externe Clock" verwenden. Clock heißt hier nicht, dass du ein (streng) periodisches Signal hast, sondern nur, dass du externe Pulse hast...

Es gibt da fertige DAQmx-Beispiele für diesen Anwendungsfall!

Alle Beiträge dieses Benutzers finden
Diese Nachricht in einer Antwort zitieren to top
31.10.2013, 11:35 (Dieser Beitrag wurde zuletzt bearbeitet: 31.10.2013 11:35 von Y-P.)
Beitrag #6

Y-P Offline
☻ᴥᴥᴥ☻ᴥᴥᴥ☻
LVF-Team

Beiträge: 12.612
Registriert seit: Feb 2006

Developer Suite Core -> LabVIEW 2015 Prof.
2006
EN

71083
Deutschland
RE: Messwerterfassung auf fallende Flanke
http://zone.ni.com/devzone/cda/epd/p/id/5009
Das müsstest Du noch etwas anpassen (evtl. Trigger raus,....).

Gruß Markus

--------------------------------------------------------------------------
Bitte stellt mir keine Fragen über PM, dafür ist das Forum da - andere haben vielleicht auch Interesse an der Antwort !!
--------------------------------------------------------------------------
Alle Beiträge dieses Benutzers finden
Diese Nachricht in einer Antwort zitieren to top
Anzeige
31.10.2013, 12:05
Beitrag #7

chrigi28 Offline
LVF-Grünschnabel
*


Beiträge: 42
Registriert seit: Aug 2011

11
2011
EN

8887
Schweiz
RE: Messwerterfassung auf fallende Flanke
Danke für die Tipps ich hab das ganze jetzt angepasst:
   


Ich frag mich nur grad wozu ich ne clockrate mitgeben muss ich dachte das sei vorgegeben durch die HW.
Bekomme ich so das was ich erwarte also auf jede negativ Flanke ein Messwert oder überspringt mir manchmal ne Flanke?
Alle Beiträge dieses Benutzers finden
Diese Nachricht in einer Antwort zitieren to top
07.11.2013, 11:55
Beitrag #8

chrigi28 Offline
LVF-Grünschnabel
*


Beiträge: 42
Registriert seit: Aug 2011

11
2011
EN

8887
Schweiz
RE: Messwerterfassung auf fallende Flanke
Hallo

Ich komm leider nicht weiter.

Problem:
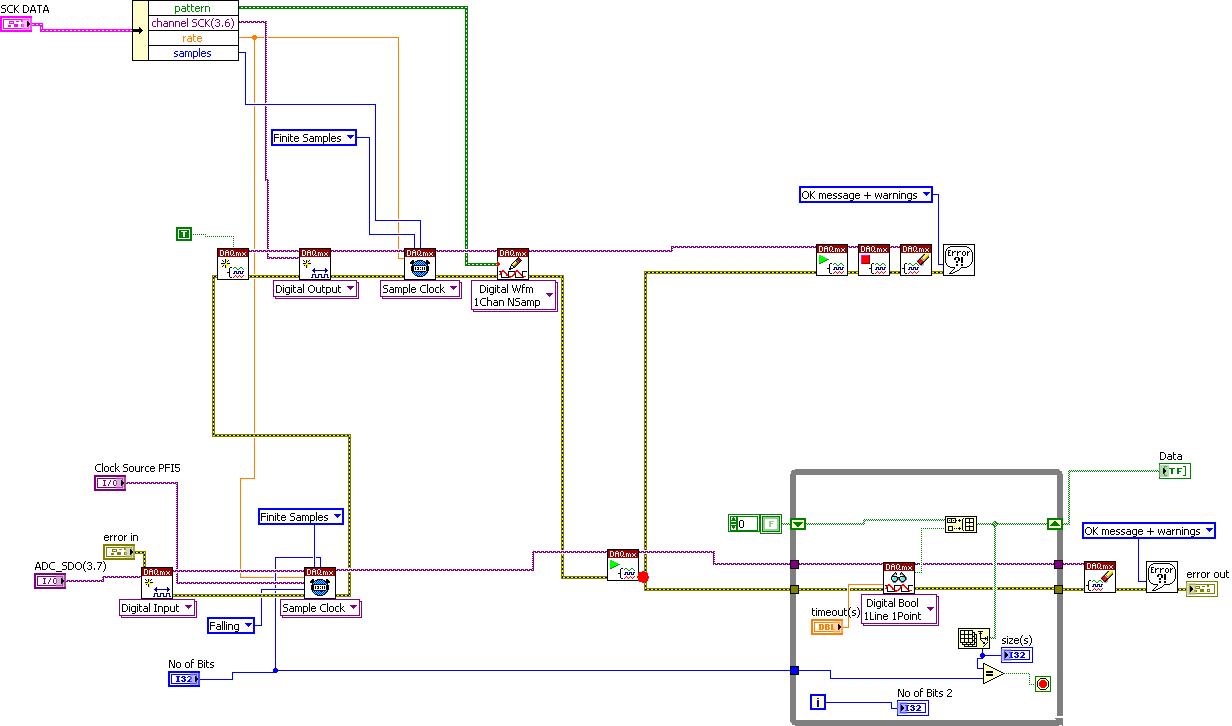
Ich generiere ein Signal welches alle 50ns ein impuls von 25ns High und 25ns Low ausgibt. Nun möchte ich auf Jede negative Flanke dieses Signals auf einem Kanal einen Messwert nehmen (digital). Also habe ich den Ausgang auf meinen PFI5 zurückgeführt um dieses Signal als Clock zu benutzen. Jetzt muss ich quasi nur noch auf jede Fallende Flanke samplen.

Ich hab das ganze "realisiert". Leider funktioniert es nicht ich bekomme keine Daten bis dann das Timeout eintritt.

Was habe ich falsch gemacht bzw. wie müsste das dann aussehen?

Hier meine Programmierung:

   

als vi:

10.0 .vi  ReadADC.vi (Größe: 38,14 KB / Downloads: 282)


Schonmal Danke im Voraus
Alle Beiträge dieses Benutzers finden
Diese Nachricht in einer Antwort zitieren to top
07.11.2013, 12:06 (Dieser Beitrag wurde zuletzt bearbeitet: 07.11.2013 12:09 von GerdW.)
Beitrag #9

GerdW Offline
______________
LVF-Team

Beiträge: 17.536
Registriert seit: May 2009

LV2019 (LV2021)
1995
DE_EN

10×××
Deutschland
RE: Messwerterfassung auf fallende Flanke
Hallo chrigi,

du redest hier von 200MHz-Signalen: welche Hardware verwendest du?

- Du schreibst erst dein Signal und startest danach deinen DI-Task. So kann das nicht funktionieren. Hast du auf das Autostart-Feature des DAQmxWrite geachtet?
- Du willst 200MHz-Signale einlesen, indem du Einzelwerte vom DAQmx abfragst? Wieviele Werte sollen das werden?

Alle Beiträge dieses Benutzers finden
Diese Nachricht in einer Antwort zitieren to top
07.11.2013, 12:32
Beitrag #10

chrigi28 Offline
LVF-Grünschnabel
*


Beiträge: 42
Registriert seit: Aug 2011

11
2011
EN

8887
Schweiz
RE: Messwerterfassung auf fallende Flanke
Oh das mit den 50 bzw 25ns ist ein Fehler das ganze sollte 500 & 250ns sein ich hab ne 50MHz karte pcie 6537.


Ich lese insgesamt 18 mal, das kommt daher dass ich ein AD-Wandler mit serieller schnittstelle auslesen muss der hat eine 18bit Auflösung.

Den Autostart vom write hab ich jetzt mal deaktiviert aber das hat keinen Einfluss.
Alle Beiträge dieses Benutzers finden
Diese Nachricht in einer Antwort zitieren to top
Antwort schreiben 


Möglicherweise verwandte Themen...
Themen Verfasser Antworten Views Letzter Beitrag
  Flanke detektieren NI 6356 Armeldonald 5 5.797 07.05.2019 16:52
Letzter Beitrag: jg
  Erste Flanke wird unzuverlässig erkannt djlunatic 15 15.177 17.09.2014 09:08
Letzter Beitrag: djlunatic
  Datenerfassung bei aufsteigender TTL-Flanke GrEeHoRn 9 10.173 10.04.2014 10:04
Letzter Beitrag: Lucki
  auf Flanke warten, während dessen etwas anderes tun labvii 11 13.759 03.09.2013 10:56
Letzter Beitrag: S.D.
  warten auf eine TTL Flanke gottfried 4 6.414 28.02.2013 21:13
Letzter Beitrag: dimitri84
  Spannungsmessung triggern bei fallender UND steigender Flanke lab_ws10 4 9.738 10.02.2012 18:59
Letzter Beitrag: Hook1986

Gehe zu: